【導讀】高壓硅二極管具有較低的正向傳導壓降,但由于其反向恢復行為,會在功率轉換器中產生顯著的動態損耗。SiC 二極管表現出可忽略不計的反向恢復行為,但確實表現出比硅更高的體電容和更大的正向傳導壓降。由于 GaAs 技術能夠提供硅和 SiC 的有用特性,本文探討了一項比較 10kW、100kHz 相移全橋 (PSFB) 性能的練習。該應用中 GaAs、SiC 和超快硅二極管的基準測試結果表明,GaAs 二極管的整體效率與 SiC 相當,但成本卻顯著降低。
高壓硅二極管具有較低的正向傳導壓降,但由于其反向恢復行為,會在功率轉換器中產生顯著的動態損耗。SiC 二極管表現出可忽略不計的反向恢復行為,但確實表現出比硅更高的體電容和更大的正向傳導壓降。由于 GaAs 技術能夠提供硅和 SiC 的有用特性,本文探討了一項比較 10kW、100kHz 相移全橋 (PSFB) 性能的練習。該應用中 GaAs、SiC 和超快硅二極管的基準測試結果表明,GaAs 二極管的整體效率與 SiC 相當,但成本卻顯著降低。
為什么選擇砷化鎵?
成本 - 用于 GaAs 二極管的晶圓的原材料成本及其固有的較低制造工藝成本代表著以低得多的價格實現 SiC 性能的重要機會。封裝 GaAs 二極管的典型成本約為同類 SiC 器件的 50% 至 70%。
可用性——砷化鎵材料已廣泛應用于射頻應用,是世界上第二大使用的半導體材料。由于其廣泛使用,它可以從多個來源獲得,其制造工藝類似于硅。這些因素都支持該技術的低成本基礎。
軟切換還是硬切換?
雖然與主流硅相比,碳化硅的性能在二極管和晶體管開關特性方面有了顯著改進,但近年來的趨勢是使用軟開關拓撲來在整個轉換器中提取水平的性能。這些軟開關拓撲非常適合 GaAs 二極管,使設計人員能夠受益于比 SiC 更低的傳導損耗,而不會遭受普通硅會產生的額外動態損耗。
圖 1:二極管基準比較
對于給定的功率輸出,軟開關拓撲通常在功率半導體中運行更高的 RMS 電流,因為強制零電壓轉換所需的循環諧振能量。GaAs等具有較低正向壓降的技術可以減少這種循環能量造成的損耗,并充分發揮開關零電壓操作的優勢。
二極管造成的功率損耗
“理想”二極管將在不產生任何損耗的情況下執行其功能,但任何實際二極管(包括寬帶隙器件)都會偏離這種理想狀態,其現實世界行為的不同方面會導致功率損耗。在大多數轉換器中,次級側二極管造成的損耗可分為三個主要領域之一:
非零正向壓降會導致二極管傳導電流時產生傳導損耗。這種損耗機制與拓撲相關,但通常不是頻率的函數。
由于二極管體電容造成的損耗,電容越高,損耗越高。這是依賴于拓撲/頻率的,并且由此產生的損耗會施加在轉換器中的其他組件上。
由拓撲/頻率相關的反向恢復效應引起的損耗。這些損耗是在轉換器中的二極管和其他組件中實現的。
上述損耗類型的相對水平取決于各個二極管的特性、拓撲選擇和工作頻率。正向傳導損耗相對容易計算,而二極管電容和 Trr 造成的損耗則更為復雜。
二極管行為比較
在基準測試中對三種二極管進行了比較,主要比較如圖 1 所示。
數據比較表明,從正向傳導性能的角度來看,硅和砷化鎵的性能都更好,特別是在高結溫下。從開關角度來看,SiC 具有明顯更高的電容,但反向恢復時間基本為零。問題是,對于我們的 10kW PSFB 應用,這些二極管特性將如何影響整體效率?
二極管造成的 PSFB 損耗
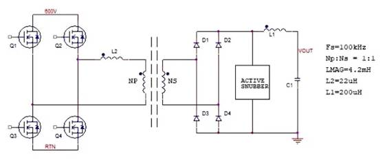
圖 2 顯示了典型的 PSFB 拓撲,其中二極管在位置 D1 至 D4 處進行基準測試。
PSFB 通過以 50% 的占空比運行 Q1/Q3 和 Q2/Q4 晶體管對來運行,并通過控制其相對相位來控制功率流。此操作允許初級側器件 Q1-Q4 在較寬的負載條件范圍內以零電壓開關操作。
D1-D4 的組合電容添加到電源變壓器和 PCB 的分布電容上,導致開關轉換期間 D1-D4 上產生諧振電壓。
圖 2:PSFB 拓撲
為了防止損壞 D1-D4,使用緩沖器將諧振電壓鉗位到可接受的水平。在 PSFB 中,有源緩沖器吸收的能量的量化是衡量動態特性(電容和 Trr)影響的直接方法。整體轉換器效率與緩沖器耗散的綜合知識允許在此應用中準確地對二極管行為進行基準測試。
基準測試結果
原型轉換器設計用于 500V/30A/10kW 的輸出曲線,圖 3 顯示了轉換器在 600V 輸入下以 330V/20A 輸出運行的示例圖。示波器圖中的藍色跡線 (C3) 顯示有源緩沖器上測得的電壓,并且由于鉗位功率是鉗位電壓的直接函數,因此有源緩沖器設計為以其自己的控制環路運行,以允許用戶將鉗位電壓設置在固定水平。在圖 3 的示例圖中,電壓為 800V。
利用圖 2 中詳述的設計參數,可以實現如圖 4 所示的輸出曲線,其中彩色區域顯示主 MOSFET 出現 ZVS 的區域,而輪廓則顯示所需的相移?;鶞蕼y試使用固定的 600Vdc 輸入和輸出上使用的恒流負載進行相移,然后更改設置輸出電壓。針對 10A、15A 和 20A 的輸出電流,測量了效率和緩沖器功耗與輸出電壓的函數關系。
從圖 5 的結果可以得出幾個結論:
基于 GaAs 和 SiC 的解決方案的整體轉換器效率幾乎相同,尤其是在較高負載電流下。在較高的輸出電流下,GaAs 有限 Trr 導致的稍高的緩沖器損耗被較低的傳導損耗所抵消,從而獲得相同的整體效率。
由于緩沖器耗散水平較高(即與 Trr 相關的顯著損耗),超快硅效率在此應用中非常差。由于測量的緩沖器功率水平較高,超快硅測試僅限于低功率。
GaAs 和 SiC 緩沖器功率表現出類似的行為,表明 GaAs 有限 Trr 造成的額外損耗在很大程度上被 SiC 器件較高的本機電容所抵消。
圖 3:PSFB 轉換器工作波形(C1/C2 是 Q1/Q3 和 Q2/Q4 對產生的電壓,C4 是輸出整流器 D1-D4 兩端的電壓,C3 是 L2 中的電流)
圖 4:帶有 ZVS 區域和恒定相移輪廓的 PSFB 輸出 VI 圖
根據這項實證工作,我們開發了一個分析模型來對緩沖器損耗進行建模,作為二極管電容和 Trr 的函數。分析表明,在 Trr 期間,額外的能量被加載到諧振電路中,從而導致額外的鉗位耗散。因此,對于給定的工作點,緩沖器功率是二極管電容和 Trr 的函數。在本文詳細介紹的 PSFB 的情況下,對于 500V/20A 輸出的工作點,分析模型可用于預測作為二極管電容和 Trr 函數的緩沖器損耗。這樣就可以比較三種二極管類型的行為,如圖 6 所示。
圖 6 顯示,對于 GaAs 和 SiC,緩沖器功率大致相同,其優點是 SiC 中的零 Trr 被其較高的本機電容所抵消。就超快硅而言,低二極管電容的優勢被長反向恢復帶來的高得多的功率水平所淹沒。GaAs 的低固有電容和 Trr 提供了類似于 SiC 的動態性能,并具有減少正向傳導損耗的額外優勢。
圖 5:GaAs、SiC 和超快硅的 PSFB 效率(左)和緩沖器耗散(右)基準測試
圖 6:PSFB 在 500V/20A 輸出下運行時,緩沖器功率與二極管 Trr 和電容的函數關系
在原型 PSFB 中,變壓器、輸出電感器和 PCB 布局給出了 300pF 的總負載電容。圖 6 中顯示的數據包括所有情況下的基線電容,總二極管電容基于四個二極管的貢獻。
結論
在考慮整體轉換器效率時,了解所有主要損耗機制(包括由二極管動態特性引起的損耗機制)非常重要。事實證明,GaAs 二極管中的低正向壓降、低電容和低/穩定 Trr 的組合為相移全橋等軟開關應用提供了出色的特性組合。高增長應用(例如電動汽車充電)中的高性能電力電子器件可以從 GaAs 二極管提供的系統級成本降低機會中獲益匪淺。詳細了解實際應用中二極管引起的正向傳導行為和動態損耗,可為設計人員提供優化性能和成本的工具。
免責聲明:本文為轉載文章,轉載此文目的在于傳遞更多信息,版權歸原作者所有。本文所用視頻、圖片、文字如涉及作品版權問題,請聯系小編進行處理。
推薦閱讀:
意法半導體突破20納米技術節點,提升新一代微控制器的成本競爭力


