【導讀】當我們使用模數 (A/D) 轉換器對模擬信號進行數字化時,轉換器的輸出通常包含一些小的 DC 偏差:即數字化時間樣本的平均值不為零。該 DC 偏差可能來自原始信號模擬信號或 A/D 轉換器內的缺陷。
當我們使用模數 (A/D) 轉換器對模擬信號進行數字化時,轉換器的輸出通常包含一些小的 DC 偏差:即數字化時間樣本的平均值不為零。該 DC 偏差可能來自原始信號模擬信號或 A/D 轉換器內的缺陷。
數字信號處理中直流偏置污染的另一個來源是當我們將離散序列從 B 位表示截斷為小于 B 位的字寬時。無論來源如何,信號上不需要的直流偏置都會導致問題。
當我們執行頻譜分析時,信號上的任何 DC 偏置都會在頻域中顯示為零 Hz 處的能量,即 X(0) 頻譜樣本。對于 N 點快速傅立葉變換(FFT),X(0) 頻譜值與 N 成正比,對于大型 FFT 而言,N 會變得非常大。
當我們繪制頻譜幅度時,繪圖軟件將適應任何大的 X(0) 值,并壓縮我們更感興趣的頻譜的其余部分。
音頻信號中的非零直流偏置電平特別麻煩,因為連接兩個音頻信號或在兩個音頻信號之間切換會導致令人不愉快的咔嗒聲。在現代數字通信系統中,正交信號上的直流偏置會降低系統性能并增加誤碼率。
話雖如此,很明顯,許多 DSP 從業者對 DC 去除方法很感興趣。
塊數據 DC 去除
如果您進行非實時處理,并且信號數據是在塊長度為 N 的塊(固定長度序列)中采集的,則 DC 去除非常簡單。我們只需計算 N 個時間樣本的平均值,然后從每個原始樣本中減去該平均值即可產生一個新的時間序列,其 DC 偏置將非常小。
該方案雖然非常有效,但與連續吞吐量(實時)系統不兼容。對于實時系統,我們強制使用濾波器來去除直流。
實時 DC 去除
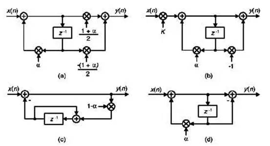
作者遇到了三種建議的 DC 去除濾波器,如下圖 13-62(a)、(b)和(c)所示。忽略這些去直流濾波器的恒定增益,所有三個濾波器都具有與圖 13-62(d)中的一般去直流濾波器結構相同的性能,其 z 域傳遞函數為

圖 13-62(c) 和 (d) 中的濾波器是否等效并不明顯。您可以通過編寫與圖 13-62(c) 濾波器的反饋路徑中的各個節點相關的時域差分方程來驗證該等價性。接下來,將這些方程轉換為 z 變換表達式,并求解 Y(z)/X(z) 以生成yieldEq。(13-118)) 如上所述。

圖13-62 用于消除直流偏置的濾波器。
由于去直流濾波器可以使用圖 13-62(d) 中的通用去直流濾波器進行建模,因此我們在圖 13-63(a) 和(b)中提供了 α = 0.95 時通用濾波器的頻率幅度和相位響應下面。
濾波器的極點/零位置如圖 13-63(c) 所示,其中零位于 z = 1 處,在 DC(零 Hz)處提供無限衰減,而極點位于 z = α 處,使得 DC 處的幅度陷波非常尖銳。a 越接近 1,以 0 Hz 為中心的頻率幅度陷波越窄。圖13-63(d)顯示了通用濾波器的單位樣本脈沖響應。

圖13-63 除直流濾波器,α = 0.95:(a) 幅度響應;(b) 相位響應;(c) 極/零位置;(d) 脈沖響應。
下圖 13-64 顯示了一般去直流濾波器(α = 0.95)的時域輸入/輸出性能,當其輸入是正弦曲線時,從第 100 個采樣點開始,突然受到 2 的直流偏置污染,并在第 200 個采樣點消失。 。去直流濾波器效果很好。
帶量化的實時去直流
由于通用去直流濾波器具有反饋,因此 y(n) 個輸出樣本可能需要比用于 x(n) 個輸入樣本的二進制字寬更寬的二進制字寬。這可能會導致定點二進制實現中的溢出。圖13-62(a)和(b)中的(1+α)/2和K的縮放因子小于1,以化y(n)二進制溢出的機會。
在定點硬件中,y(n) 樣本通常被截斷為與輸入 x(n) 相同的字寬。這種量化(通過截斷)將在量化的輸出樣本上引入負直流偏置,從而降低我們所需的直流去除效果。
當我們截斷二進制樣本值時,通過丟棄一些有效位,我們會在截斷的樣本中引入負誤差。
幸運的是,我們可以將該誤差值添加到下一個未量化信號樣本中,從而增加其正直流偏置。當下一個樣本被截斷時,我們添加的正誤差將化由下一個樣本截斷引起的負誤差。
下面的圖 13-65(a) 顯示了在圖 13-62(c) 中給出的去直流濾波器的反饋路徑中添加了一個量化 Σ-Δ 調制器。截斷量化(Q 塊)引起的正誤差被延遲一個采樣時間并反饋到量化器輸入。
由于調制器具有噪聲整形特性,其中量化誤差噪聲的頻率上移,遠離零 Hz(DC),因此濾波器輸出端的總體 DC 偏置被化。等效量化噪聲整形過程可應用于圖 13-62(d) 通用去直流濾波器的直接形式 I 版本,如圖 13-65(b) 所示。
同樣,正量化誤差被延遲一個采樣時間并添加到量化器輸入中。重申一下,圖 13-65 中的去直流濾波器用于通過量化來避免二進制數據溢出,而不使用縮放乘法器。
免責聲明:本文為轉載文章,轉載此文目的在于傳遞更多信息,版權歸原作者所有。本文所用視頻、圖片、文字如涉及作品版權問題,請聯系小編進行處理。
推薦閱讀:
榮湃半導體榮獲國家專精特新“小巨人”企業稱號,展現強大創新實力



