【導讀】把多個電源的輸出連接起來可使其均分一個公共負載電流。多個電源之間的負載電流分配取決于個別電源的輸出電壓以及至共同負載的電源通路電阻。這被稱為“壓降均分”(droop sharing)。為了避免電源反向饋電并使系統與故障電源相隔離,可以采取與每個電源串聯的方式插入二極管。當然,這個增加的二極管電壓降會對負載均分的平衡產生影響。
“只許成功,不許失敗”—— 對于當今那些始終保持正常運轉的電氣基礎設施 (電信網絡、互聯網和電網等) 的設計師而言,這很可能是他們的座右銘。問題是,此類基礎設施的構件 (從不起眼的電容器到高度智能化的刀片服務器) 其使用壽命都是有限的,而且它們的壽命終止常常會出現在您擔心、不愿意的時刻。針對停機問題的常用解決方案是采用冗余結構,這是指在某個關鍵組件發生故障時隨時可以接管并生效的后備系統。
例如:交付給用戶的高可用性計算機服務器通常配有兩個相似的 DC 電源,用于給每塊專用電路板饋電。每個電源能獨自承擔整個負載的供電,而且兩個電源通過電源二極管連接在一起實現二極管“或”,以構成單個 1 + 1 冗余電源。就是說,由電壓較高的那個電源向負載輸送功率,而另一個電源則處于待用狀態。假如那個工作電源的電壓由于故障或移除的原因而下降或消失,則曾經是具有較低電壓的電源變成了較高電壓電源,于是由它接管為負載供電的工作。二極管負責避免反向饋電及兩個電源之間的交叉傳導,同時保護系統免遭電源故障的損壞。
二極管“或”是一種簡單的“贏家通吃”之系統,這里由電壓的電源提供全部的負載電流。電壓較低的電源則處于空閑狀態,直到被調用為止。雖然易于實現,但 1 + 1 解決方案效率欠佳,有可能被更好地用于改善總體工作效率及壽命的資源給白白浪費掉了。由所有電源共同均分負載的供電效果要好得多,其優勢如下:
1、 如果各承擔一半的負載,那么電源的壽命會有所延長,并有利于散播電源熱量和減小電源組件上承受的熱應力。電子產品關于壽命有這樣一條經驗法則:溫度每下降 10°C,組件的故障率將減半。這對于提升可靠性是一項重大利好。
2、由于較低電壓電源始終處于可供使用的狀態,因此當切換至備用電源時卻發現其早已悄無聲息地發生了故障 (這在簡單的二極管“或”系統中是有可能出現的),這種情況并不令人感到意外。
3、在負載均分系統中,可以并聯多個現有的小電源以構成一個較大的電源。
4、發生電源故障時的恢復動態特性更加平穩快速,因為電源變化屬于“較多和較少”,而并非“關斷和接通”。
5、由兩個以一半容量運行的電源構成的DC/DC轉換器比采用單個以接近滿容量運行的電源具有更好的總體轉換效率。
均流的方法
把多個電源的輸出連接起來可使其均分一個公共負載電流。多個電源之間的負載電流分配取決于個別電源的輸出電壓以及至共同負載的電源通路電阻。這被稱為“壓降均分”(droop sharing)。為了避免電源反向饋電并使系統與故障電源相隔離,可以采取與每個電源串聯的方式插入二極管。當然,這個增加的二極管電壓降會對負載均分的平衡產生影響。
壓降均分雖然簡單,但均分準確度的控制欠佳,而且串聯二極管將產生電壓和功率損耗。一種可控性更好的均流方式是監視電源電流,將之與每個電源需要提供的平均電流進行比較,然后調節電源電壓 (通過其微調引腳或反饋網絡),直到電源電流與要求值相匹配為止。這種方法需要布設至每個電源的導線 (一根共享總線),以指示每個電源需要貢獻的電流。均流環路補償采用定制的設計方式,以適應電源環路動態特性。受控均流要求進行謹慎的設計,并可使用所有的電源 (在某些系統中這是不可能的)。
本文介紹了一種新穎的均流方法,其可實現個別電源貢獻電流的主動控制,但同時具有壓降均分的簡單性。在該系統中,用可調二極管替代了一般的二極管,這種二極管具有可通過調節以實現平衡均流的接通電壓。此方法可獲得優于壓降均分的均分準確度,而且可調二極管用于實現均流所需消耗的功率極少,遠遠低于傳統二極管的功率損耗。由于不需要共享總線,因此其可實現較簡單和獨立于電源的補償和便攜式設計。對于那些難以使用或無法使用其微調引腳和反饋網絡的電源而言,這種方法是理想的選擇。
均流控制器
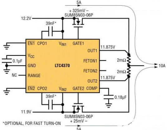
LTC4370 運用了凌力爾特專有的可調二極管均流方法。該器件采用充當可調二極管的外部 N 溝道MOSFET實現了兩個電源之間的負載平衡,這些二極管的接通電壓可以調節,從而實現平衡均流。圖 1 示出了 LTC4370 在兩個 12V 電源之間均分一個 10A 負載的情形。

圖 1:LTC4370 在兩個二極管“或”12V 電源之間平衡一個 10A 負載電流。均流通過調節 MOSFET 電壓降以補償電源電壓的失配來實現
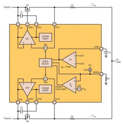
圖 2 示出了影響負載均分的器件內部組件。誤差放大器EA 負責監視 OUT1 和 OUT2 引腳之間的差分電壓。它設定兩個伺服放大器 (SA1 和 SA2,每個電源采用一個) 的正向調節電壓 VFR。伺服放大器調節外部 MOSFET 的柵極 (因而包括其電阻) 以使 MOSFET 兩端的正向壓降等于正向調節電壓。誤差放大器將較低電壓電源上的 VFR 設定為 25mV 的值。較高電壓電源上的伺服被設定為 “25mV + 兩個電源電壓的差”。這樣,兩個 OUT 引腳電壓實現了均等。OUT1 = OUT2 意味著 I1 ? R1 = I2 ? R2。于是,倘若 R1 = R2 則 I1 = I2。可以采用對取值不同的檢測電阻器進行簡單的調整以形成“比例式”均流,即:I1 / I2 = R2 / R1。請注意,負載電壓跟蹤低于電源電壓 25mV。

圖 2:LTC4370 中與負載均分相關的內部組件
MOSFET 與伺服放大器一道起一個二極管的作用,此二極管的接通電壓為正向調節電壓。MOSFET 在其正向壓降下降至低于調節電壓時被關斷。當 MOSFET 電流增加時,柵極電壓上升以減小導通電阻,從而把正向壓降保持在 VFR。這會發生在柵極電壓高出電源電壓達 12V 之前。電流的進一步上升將導致 MOSFET 兩端的壓降以 IFET ? RDS(ON) 線性增加。
鑒于上述情況,當誤差放大器設定了伺服放大器的正向調節電壓時,其在功能上等同于調節 (基于 MOSFET 的) 二極管的接通電壓。調節范圍從 25mV 的值至由 RANGE 引腳設定的值 (見下文中的“設計考慮”)。
控制器能實現 0V 至 18V 電源的負載均分。當兩個電源均低于 2.9V 時,需要在 VCC 引腳上連接一個 2.9V 至 6V 的外部電源,以為 LTC4370 供電。當出現反向電流時,MOSFET 的柵極將在 1μs 之內關斷。對于一個大的正向壓降,柵極也將在不到 1μs 的時間里接通。快速接通 (這一點對于低電壓電源很重要) 是利用集成型充電泵輸出端上的一個儲能電容器實現的。該電容器在器件上電時儲存電荷,并在快速接通過程中輸送 1.4A 的柵極上拉電流。
/EN1 和 /EN2 引腳可用于關斷其各自的 MOSFET。需注意,電流仍會流過 MOSFET 的體二極管。當兩個通道均關斷時,器件的電流消耗減低至每個電源 80μA。FETON 輸出負責指示各自的 MOSFET 是處于導通還是關斷狀態。
均流特性

圖 3:當電源電壓差異變化時,采用 LTC4370的均流特性方法
圖 3 示出了 LTC4370 采用可調二極管法時的均流特性。圖 3 包含兩幅曲線圖,皆在 x 軸上具有電源電壓差 VIN = VIN1 – VIN2。上方的曲線圖示出了兩個歸一化至負載電流的電源電流;下方的曲線圖則示出了 MOSFET 兩端的正向電壓降 VFWDx。當兩個電源電壓相等 (?VIN = 0V) 時,電源電流相等,而且兩個正向電壓處于 25mV 的伺服電壓。當 VIN1 升至高于 VIN2 (?VIN 為正),VFWD2 保持在 25mV,而 VFWD1 則地隨著 VIN 而增加,以維持 OUT1 = OUT2。這反過來又使得 I1 = I2 = 0.5ILOAD。
對于由 RANGE 引腳設定的 VFWD 之調節有一個上限。就圖 3 中的例子而言,該限值為 525mV,由 RANGE 引腳設定在 500mV。一旦 VFWD1 達到該限值,均流就將變得不平衡,VIN1 的任何進一步上升都將把 OUT1 推至高于 OUT2。
斷點為 VFR(MAX) – VFR(MIN),此時較高電壓電源提供了較多的負載電流。當 OUT1 – OUT2 = ILOAD ?RSENSE 時,全部負載電流轉移至 I1。這是 MOSFET M1 中功率耗散的工作點,因為全部負載電流都從其中流過,產生了的正向壓降。例如:一個 10A 負載電流在 MOSFET 中引起 5.3W (= 10A ? 525mV) 的功率耗散。如果 ?VIN 有任何進一步的上升,則控制器將使 M1 兩端的正向壓降減低至 25mV 的值。在未均分負載電流的情況下,對于大的 VIN,這可以限度地減少 MOSFET 中的功率耗散。對于負 ?VIN,動作是對稱的。
在本例中,均分捕獲范圍為 500mV,并且由 RANGE 引腳電壓設定。憑借此范圍,控制器能夠共用具有一個 ±250mV 容差的電源。這轉化為:3.3V 電源的 ±7.5% 容差、5V 電源的 ±5% 容差、以及 12V 電源的 ±2% 容差。
設計考慮
以下是針對負載均分設計的一些高層次考慮因素。
MOSFET 選擇 — 理想的情況是,MOSFET 的 RDS(ON) 應足夠小,這樣控制器就能夠在 MOSFET 中流過一半負載電流時在其兩端維持 25mV 的正向調節電壓。如果 RDS(ON) 較高,則會妨礙控制器調節 25mV。在此場合中,未調節壓降為 0.5IL ? RDS(ON)。當該壓降上升時,均分斷點 (現在由 VFR(MAX) – 0.5IL ? RDS(ON) 確定) 將提前出現,導致捕獲范圍縮小。
由于 MOSFET 會耗散功率 (在圖 3 中高達 IL ? VFR(MAX)),因此應適當地選擇其封裝和散熱器。減少 MOSFET 功率耗散的辦法是采用準確度更高的電源或者放棄均分范圍。
RANGE 引腳 — RANGE 引腳負責設定應用的均分捕獲范圍,而這又取決于電源的準確度。比如:采用 ±3% 容差電源的 5V 系統將需要一個 2 ? 5V ? 3% (即 300mV) 的均分范圍 (較高的電源為 5.15V,而較低的則為 4.85V)。RANGE 引腳具有一個 10μA 的精準內部上拉電流。在 RANGE 引腳上布設一個 30.1k 電阻器可將其電壓設定為 301mV,此時控制器能夠補償 300mV 的電源壓差 (見圖 4)。

圖 4:帶狀態指示燈的 5V 二極管“或”負載均分。當任意 MOSFET 關斷時,紅光 LED D1 將點亮,表示均分出現中斷
把 RANGE 引腳置于開路狀態 (如圖 1 所示) 將提供 600mV 的可能均分范圍。但是,當伺服電壓接近二極管電壓時,電流將會流過 MOSFET 的體二極管,從而引起均分損耗。把 RANGE 引腳連接至 VCC 可停用負載均分功能,以將器件變為一個雙通道理想二極管控制器。
補償 — 負載均分環路利用連接在 COMP 引腳和地之間的單個電容器進行補償。該電容器必須為 MOSFET 輸入 (柵極) 電容 CISS 的 50 倍。如果并未在使用快速柵極接通 (未接入 CPO 電容器),則該電容器可以僅為 10 x CISS。
檢測電阻器 — 檢測電阻器決定了負載均分準確度。準確度隨著電阻器電壓降的增加而有所改善。誤差放大器失調為 2mV。因此,25mV 的檢測電阻器壓降將產生一個 4% 的均分誤差。如果功率耗散指標的重要性高于準確度,則可減低檢測電阻器的阻值。
結論
歷史上,在電源之間平衡負載電流一直是個難題,這不禁讓我們聯想到走鋼絲的驚險場景。當電源模塊或磚型電源未提供內置支持時,有些設計人員將花費大量的時間設計良好受控的系統 (并在電源類型改變時重新進行設計);而其他的設計師則將勉強接受基于電阻的粗略型壓降均分法。
LTC4370 采用了一種完全不同于任何其他控制器的電源負載均分方法。該器件可簡化設計 (特別是對于那些不適于實施執行中微調的電源),而且其可移植到各種不同類型的電源。固有的二極管特性可防止電源遭受反向電流,并保護系統免遭故障電源的損壞。LTC4370 為一個精細復雜的問題提供了簡單、精巧和緊湊的解決方案。
免責聲明:本文為轉載文章,轉載此文目的在于傳遞更多信息,版權歸原作者所有。本文所用視頻、圖片、文字如涉及作品版權問題,請聯系小編進行處理。
推薦閱讀:





