【導讀】光耦是在電路接口中常用到的器件。它的前向電流轉移系數隨著不同的型號、工作點的不同而會發生變化。本文中的光耦振蕩電路則是利用了電流轉移系數大于1所帶來的電流增益而工作的。
光耦是在電路接口中常用到的器件。它的前向電流轉移系數隨著不同的型號、工作點的不同而會發生變化。本文中的光耦振蕩電路則是利用了電流轉移系數大于1所帶來的電流增益而工作的。通過對PC851、TLP521的電流轉移系數的測量,獲得了它們電流增益隨著工作電流不同變化情況,也驗證了光耦震蕩電流的工作原理。

01 振蕩電路
1.1 電路工作情況
今天在西瓜視頻中看到一個一分鐘的短視頻:光耦可以這樣用,你絕對想不到的小發明[1] 展示了一個有趣的LED閃爍電路。核心是圍繞找一個光耦(型號不詳),外部增加相應的阻容和LED與器件,構成一個閃爍電路。

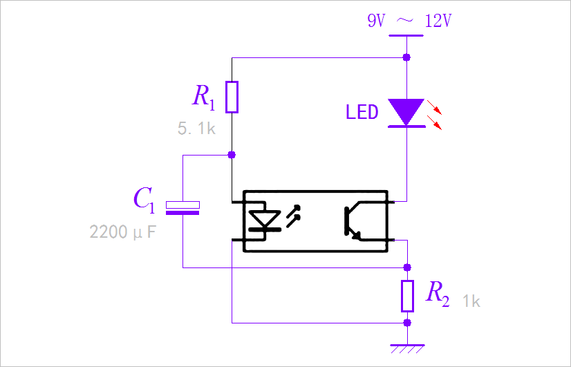
▲ 圖 由單個光耦組成的振蕩電路
在給電路施加+9V電壓之后,電路的LED便開始閃爍(1Hz左右)。

▲ 圖 連接電源之后電路工作情況
1.2 電路工作原理
視頻中給出了這個神奇電路的原理圖,如下圖所示。如果沒有反饋電容 C1的存在,這個電路就不會振蕩。
有了C1,它就會將光耦輸出負載電阻R2上的一部分電流反饋到輸入發光二極管中,增加了 輸入電流,這是一個正反饋。如果光耦前向耦合電流增益,也就是輸出飽和電流與輸入發光二極管電流比值,大于1的話,正反饋就會持續增強,直到光耦輸出飽和。

▲ 圖1.3 振蕩電路原理圖
隨著電容C1充電電壓增加,反饋到輸入級電流減小,直到降為0。此時光耦輸出級就從飽和退回到電流放大狀態,使得R2上的電壓減小,而減小的電壓反過來通過C1耦合到輸入端,使得輸入電流進一步減小,直到使得光耦輸出截止。
截止后,電源電壓通過R1,C1,R2回路形成外部的充電電流,直到C1上的電壓超過輸入發光二極管的導通電壓,光耦再次進入導通狀態。上述過程重復形成振蕩。

▲ 圖 搭建電路運行情況
下面顯示了光耦的PIN1端、PIN3端的電壓波形。可以看到光耦飽和狀態的時間很短,此時對C1的充電是 LED,光耦三極管,C1,輸入發光二極管。
光耦截止時間很長,此時對C1的充電回路是R1、C1、R2,因此對應的時間常數比較大。

▲ 圖1.4 PIN3(藍色),PIN1(青色)波形
上述振蕩電路工作的條件是光耦的前向耦合電流放大系數大于1 才行。這就涉及到光耦前向電流轉移系數。下面通過實際電路測試兩個型號光耦前向轉移系數。
02 電路測試
2.1 光耦電壓傳輸特性
手邊有兩款光耦: PC851-高電壓光耦[2] ,以及 TLP521[3] 下面分別測量它們的電流轉移系數。
2.1.1 PC851
PC851是一款輸出耐高壓的光耦,根據它的手冊可以查到對應的電流轉移系數
電流轉移系數比較小,大部分情況下都小于1;電流轉移系數與工作電流大小以及環境溫度都有關系;
??
如下圖所示。

▲ 圖2.1.1 在不同的前向電流與環境溫度下的電流傳輸系數
下面是測量光耦電流轉移系數的電路,由于比較簡單,大家可以直接在面包板上看到測量原理。
使用萬用表分別測量R1,R2上的電壓,可以獲得輸入電流和輸出電流。計算它們的比值可以獲得電流轉移系數。
調節電路的電源電壓,從小到大,可以獲得不同工作電流下的電流轉移系數。

▲ 圖2.1.2 測試光耦電流傳遞系數電路
下面顯示了測量電路工作的電壓從3V一直到15V,采樣100個測試點下的輸入電流與輸出電流的大小。可以看到只有當工作電壓超過11V之后,輸出電流的才超過了輸入電流,對應的電流系數才能夠大于1。

▲ 圖2.1.3 光耦輸入電流與集電極電流
下圖顯示了電流轉移系數的變化。由于PC851是耐高壓光耦,因此它的光敏三極管的電流增益較小,從而使得光耦前向電流轉移系數比較小。

▲ 圖2.1.4 光耦電流增益
2.1.2 TLP521
TLP521 是一款低壓光耦,被通常應用在電路隔離接口上。它對應的前向電流轉移系數相對比較大。通過數據手冊也可能看到它的電流轉移系數與工作電流和外部環境溫度有關系。

▲ 圖2.1.5 在不同的前向電流與環境溫度下的電流傳輸系數
下圖是使用同樣的辦法獲得TLP512的輸入電流與輸出電流變化曲線,可以看到它的電流轉移系數始終大于1。

▲ 圖2.1.6 測量不同的前向電流與集電極電流

▲ 圖2.1.7 前向電流系數
2.2 不同工作電壓
根據前面分析,可以看到PC851的電流轉移系數相對比較小,只有當輸入電流超過一定閾值之后,它的電流增益才能夠大于1。所以使用PC851搭建前面的振蕩電路,則需要比較高的工作電壓。
下面驗證這個結論,下面使用萬用表的頻率檔測量光耦的PIN3管腳,如果電路震蕩,可以讀取到輸出信號的頻率。如果電路不振蕩,則萬用表讀取的頻率為0。
為了更好地測量頻率,將電路中的反饋電容C1的容量改為10uF,此時電路的振蕩頻率達到100Hz左右。
下面是測量工作電壓在1V ~ 20V之間,電路振蕩頻率。

▲ 圖2.2.1 不同的工作電壓下輸出頻率
可以看到只有當電壓超過11V之后,電路才能夠振蕩。振蕩頻率相對比較穩定。
將電路中的光耦更換為TLP521,由于它的電流轉移系數比較大,所以電路的工作電壓比較低的時候,電路就開始震蕩了。下圖顯示了該電路的振蕩頻率與工作電流之間的關系。

▲ 圖2.2.2 不同的工作電壓下輸出頻率
當工作電壓超過19V之后,光耦的工作電流很大,此時TLP512的電流增益下降,電路就會停止工作。
※ 電路總結 ※
光耦是在電路接口中常用到的器件。它的前向電流轉移系數隨著不同的型號、工作點的不同而會發生變化。本文中的光耦振蕩電路則是利用了電流轉移系數大于1所帶來的電流增益而工作的。通過對PC851、TLP521的電流轉移系數的測量,獲得了它們電流增益隨著工作電流不同變化情況,也驗證了光耦震蕩電流的工作原理。
參考資料
[1]光耦可以這樣用,你絕對想不到的小發明: https://www.ixigua.com/7016565298442535454
[2]PC851-高電壓光耦: https://max.book118.com/html/2018/0316/157506247.shtm
[3]TLP521: https://blog.csdn.net/dark_blue_sea/article/details/5488015
免責聲明:本文為轉載文章,轉載此文目的在于傳遞更多信息,版權歸原作者所有。本文所用視頻、圖片、文字如涉及作品版權問題,請電話或者郵箱editor@52solution.com聯系小編進行侵刪。
推薦閱讀:
2022廣州(粵港澳大灣區)智慧交通產業博覽會暨創新發展論壇
emotion3D和安森美合作推出創新的駕乘監控系統參考設計




