【導讀】作為任何電子系統設計不可或缺的部分,電源性能的高低對于系統性能的高低有著至關重要的影響,電磁干擾(EMI)特性則是其中最關鍵的性能之一。而Silent Switcher2系列架構穩壓器就是專為低EMI場景設計。
作為任何電子系統設計不可或缺的部分,電源性能的高低對于系統性能的高低有著至關重要的影響,電磁干擾(EMI)特性則是其中最關鍵的性能之一。而Silent Switcher2系列架構穩壓器就是專為低EMI場景設計。
LT8653S 是一款輸入電壓范圍為3 V至42 V的雙通道、2 A、同步降壓型穩壓器。基于Silent Switcher® 2技術,能夠使LT8653S在高頻下實現高效運行,并且具有出色的EMI性能,可以滿足汽車、工業、計算和通信環境的嚴苛要求。
LT8653S將兩個獨立穩壓器通道集成到一個散熱增強型3 mm × 4 mm封裝中。每個通道可同時提供2 A連續輸出電流,在脈沖負載應用中可提供高達3 A的電流。LT8653S支持突發工作模式Burst Mode®),兩個輸出均處于穩壓狀態時僅需要6.2µA的靜態電流,這是電池供電系統的一個關鍵特性。
LT8653S還提供強制連續模式和展頻(SSFM)操作。SSFM模式通過將能量擴散到更寬的頻譜范圍內,降低了基波工作頻率和諧波附近的峰值輻射。
LT8653S提供外部補償選項,可用于優化瞬態響應;或者簡單起見,也可使用內部補償。還提供固定輸出選項,兩個輸出電壓可選引腳可產生5 V、3.3 V和1.8 V輸出,無需使用外部反饋電阻。
具有低EMI、高效率的雙通道2 A穩壓器
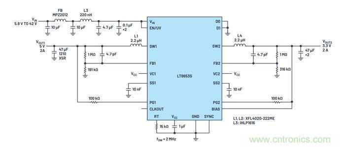
圖1顯示使用LT8653S具有低EMI和高效率的雙通道輸出降壓型穩壓器應用。輸入電壓范圍為5.8 V至42 V,輸出為5 V/2 A和3.3 V/2 A。開關頻率設置為2 MHz。內部穩壓器由3.3 V輸出通過BIAS引腳供電,以降低功耗。啟用突發工作模式(SYNC/MODE接至GND)可優化輕負載時的效率。

圖1. 具有高效率和低EMI的寬輸入范圍、雙通道、2 A降壓型穩壓器。
圖2顯示圖1中穩壓器的輻射EMI,其符合嚴格的汽車CISPR 25 5級輻射EMI規范。當LT8653S的開關頻率為2 MHz時,穩壓器在12 V輸入和5 V輸出時的峰值效率達到94.8%,而在24 V輸入和5 V輸出時,效率也達到了92.1%。

圖2. 圖1中電路的CISPR 25電磁輻射騷擾
內部或外部環路補償
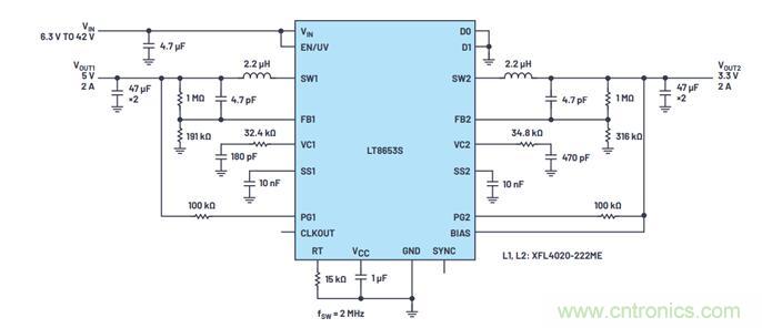
為了盡量減少元件數量,LT8653S內置適用于大多數系統的內部環路補償功能,對于需要優化負載瞬態性能的設計,則可采用外部補償來盡量減少輸出電壓偏移和瞬態響應時間。圖3顯示旨在優化瞬態響應的一種雙路輸出穩壓器。

圖3. 5 V/2 A和3.3 V/2 A輸出,非常快速的負載瞬態響應。
圖4顯示響應0 A至2 A負載階躍的5 V輸出(VOUT1)。在這種情況下,VOUT偏差小于80 mV。這種快速瞬態響應與LT8653S的高初始精度相結合,可以滿足嚴苛的VOUT容錯要求。

圖4. 圖3中電路5 V電軌的0 A至2 A負載瞬態響應。
固定輸出電壓選項
為了進一步減少元件數量,可以利用LT8653S的引腳D0和D1可選不同的固定輸出電壓,從而無需使用外部電阻來設置LT8653S輸出電壓。根據所選的D0和D1引腳組合,可啟用內部反饋電阻分壓器,FB引腳則可直接連接至VOUT來調節5 V、3.3 V或1.8 V輸出。由于無需使用外部電阻網絡,整體解決方案尺寸很小。
內部反饋電阻分壓器的總電阻為12 MΩ,因此空載靜態電流遠低于傳統的使用外部電阻分壓器電路的靜態電流。內部反饋電阻分壓器的調節效果比外部分壓器更好,外部分壓器的電阻誤差通常會影響精度。圖5顯示針對較少器件數量而優化的雙輸出穩壓器——只需將D0和D1引腳浮空即可設置5 V和3.3 V輸出。

圖5. 較少器件數量、雙通道、2 A降壓穩壓器解決方案。
結論
利用Silent Switcher 2技術,能夠使LT8653S在高頻下運行,同時提供高效率和低EMI輻射。LT8653S提供寬輸入電壓范圍、低靜態電流,并將兩個2 A穩壓器通道集成在一個小型4 mm × 3 mm封裝中,從而減少了器件數量和解決方案尺寸。LT8653S尺寸小,外部器件數量少,對于各種應用仍可實現靈活設計。

(來源:亞德諾半導體)
免責聲明:本文為轉載文章,轉載此文目的在于傳遞更多信息,版權歸原作者所有。本文所用視頻、圖片、文字如涉及作品版權問題,請聯系小編進行處理。
免責聲明:本文為轉載文章,轉載此文目的在于傳遞更多信息,版權歸原作者所有。本文所用視頻、圖片、文字如涉及作品版權問題,請聯系小編進行處理。




