【導讀】通常情況下20kHz的低頻交變磁場信息是通過10mH的工字型電感,適配以6.2nF的諧振電容檢測的。該信號在經過三極管或者普通運放的放大之后送入檢波電路完成幅值的檢測。
對于電磁AI組別,如何能夠從車模周圍電磁傳感器獲得磁場精確信息是提高車模穩定性的關鍵。
通常情況下20kHz的低頻交變磁場信息是通過10mH的工字型電感,適配以6.2nF的諧振電容檢測的。該信號在經過三極管或者普通運放的放大之后送入檢波電路完成幅值的檢測。

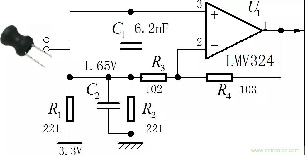
3.3V單電源20kHz諧振放大電路
在推文“是誰破壞了我的完美夏天”中介紹了關于電磁信號放大檢波中,檢波二極管的死區對于檢波信號的影響。
下圖對比了幾種典型的二極管對應的檢波曲線,對于使用肖特基二極管進行全波檢波電路,在感應電壓大于0.1V之后,檢波電壓與交流信號復制之間線性很好。當輸入信號的幅值小于0.1V時,檢波電壓出現明顯的衰減。

不同二極管進行20kHz檢波曲線
為了消除二極管死去的影響,對于交流信號也可以直接進行軟件采樣然再通過軟件完成幅值的檢測。
下圖是對20kHz的交變信號,通過單片機ADC轉換之后,通過DMA送入內存之后的256個數據。

直接采樣得到20kHz的交流信號數據
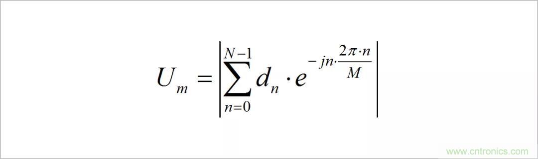
對于采集的信號,通過計算信號中交流成分的能量,并開根號獲得信號的幅值信息。具體公式如下:

使用Fluke45萬用表的交流檔測量相同的信號,對照單片機通過上述方法計算出的數值,可以看到該方法檢測信號的精度。
控制信號源的強度,使得放大后的交流信號有效值從5mV開始增加,一直增加到0.9V左右,將Fluke45萬用表讀出的數據與單片機檢測數值繪制成圖表如下:

計算采集信號的能力來檢測信號的幅值
上圖顯示,直接使用軟件計算采集信號的能力,所得到的信號幅值沒有任何死區的影響,在弱信號和強信號下,檢測數據線性程度很好。
下圖顯示了在同樣外部信號源的強度下,采集200數據顯示的信號標準方差為1.5左右。

直接對采集到的信號求交流分量的能量,數值包含了信號能力和噪聲的能量。
如果再利用信號本身已知的信息,對其進行數字濾波,可以將疊加在信號中的噪聲進一步衰減。
信號是20kHz的正弦波信號。可以對采集到的數據計算它在20kHz處的離散傅里葉變換,得到對應20kHz基波的頻譜,舍去其它噪聲頻譜能量。

上面公式中,M代表在每個周期內采集數據的個數。
為了能夠在每個周期內采集到更多的數據點,可以使用欠采樣的方法,對ADC信號完成采集。下面的數據時每隔51us采集一次AD數值。可以獲得每個周期50個左右的采集數據點。數據個數為273個。

使用欠采樣所獲得信號的波形數據
下面對比使用能量方法和離散傅里葉方法計算信號的幅值所得到的數據的方法。
下圖是直接使用能量方法在相同的磁場情況下,測量200個數據的方差,大小在2.2左右。
直接對欠采樣信號使用能量法所得到幅值的測量方差
下圖是使用離散傅里葉變換,對測量200個結果,統計所得到方差,大小在0.85左右。這比直接使用能量方法測量結果方差降低了3倍左右。

使用離散傅里葉變換計算欠采樣信號幅值的測量方差
如果想進一步提高檢測精度,在單片機內部內存空間允許的情況下,采集更多的數據可以進一步降低噪聲對測量結果的影響。
下圖顯示了在不同的外部磁場下,使用Fluke45萬用表測量信號的幅值與單片機軟件檢測結果之間的線性曲線。

在不同外部磁場強度下對比Fluke45萬用表測量結果與單片機檢測結果
實驗中,改變外部電磁信號強度是對所使用的數字電磁信號源進行了改造。將控制輸出電流的限流電路MOS管柵極電壓,與電路板中控制單片機信號斷開,然后引出該控制端口,連接到外部程控制流電源上,通過計算機編程來逐步調整信號源輸出20kHz信號的電流強度。

改造20kHz交變信號源的輸出電流控制電路
使用前面的檢測電感放大電路,可以對在不同信號源電流強度下,空間中某一點的交變磁場進行測量。

磁場信號放大電路
下圖顯示了在程控電壓源輸出不同的電壓下,磁場感應信號的變化情況。交流信號可以在5mV至900mV范圍內變化,可以滿足前面對軟件檢波實驗的要求。

20kHz信號源限流MOS管的柵極電壓與檢測磁場信號之間的關系




