【導讀】作為一個電子人,我們經常需要和不同的電路接觸,但有一些經典電路圖是值得我們永遠記住的。
bootstrap
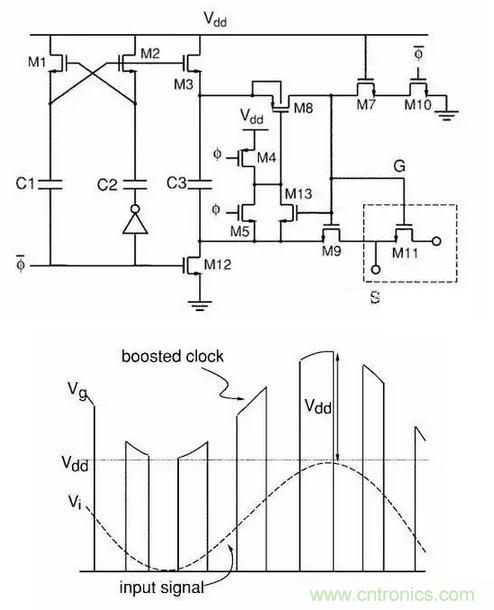
電路用在各種ADC之前的Sample電路,可以讓ADC實現rail to rail的input,sample電路的工作電壓超過Vdd,極大的減少了了setting time,而且幾乎沒有reliability的問題。電路里沒有任何一個器件是可以被減少或者改變位置的。此電路直接使得ADC的發展往前躍進了一大步,現在已經幾乎成為除ΔΣ之外各種ADC的標配,成為歷史上最經典的模擬電路之一。當然,電路原理一眼看去也不是很好理解。
工作波形看著都讓人舒服:

一個神奇的電流源
輸入‘任意’電流。(引號的意思是,合理大小的任意電流值), 輸出都大約會是2*ln8*Vt/R。

SAR-ADC
工作原理如下:
每個時鐘沿,比較器對電容上的電壓和地作比較, 由此結果來決定下一個電容是否接入電路。
實質上就是用二分法來逼近個未知電壓。
結構

電容端電壓變化

高級版

switch cap 的CMFB
僅僅4個電容加6個開關就實現了CMFB,非常簡潔,且幾乎不會影響OPAM本身像output swing,gain之類的spec,非常高效。

Data Weighted Averaging
基本思想是快速遍歷DAC中的每一個電流元從而減少電流元mismatch對ADC信噪比的影響,僅僅通過幾個簡單的數電模塊就實現對電流元mismatch的first order noise shaping,非常巧妙。

萬能的H橋電路
驅動電機正反轉,妥妥的好用而且實惠,買一塊驅動芯片的錢夠自己搭十個橋了。而且用市場上最常見的三極管就能搞定,功率稍大的,換成MOS管就行了。



