中心議題:
- 揚聲器保護電路工作原理
- 揚聲器保護電路元件選擇
- 揚聲器保護電路制作與調試
解決方案:
- 選用功耗很低的CMOS時基電路
- 選用1N4001~1N4007型硅整流二極管
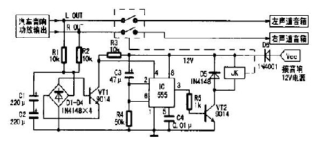
一、工作原理
揚聲器保護電路如圖1所示。主要由中點電位檢測電路、延時電路及繼電器等組成。電路工作過程是:

圖1 揚聲器保護電路
1.在接通音響電源的瞬間,因電容C3兩端電壓不能突變,可視為短路,則時基電路555的②、⑥腳電位高于2/3 Vcc,故555處于復位狀態,③腳輸出低電平,晶體管VT2截止,繼電器JK常開觸點不動作。同時+12 V電壓通過電阻R4向電容C3充電,延時約5s(秒鐘)后555的②、⑥腳電位降低至1/3Vcc,555被觸發置位,③腳由低電平變為高電平,晶體管VT2導通,繼電器JK得電,常閉觸點閉合,從而實現了延遲一段時間將揚聲器接入功放,徹底消除了開機時大電流對揚聲器的沖擊;
2.關閉音響電源時,+12電壓很快消失,但功放輸出信號并沒有立即消失,同樣避免了關機過程產生的沖擊噪聲;
3.當功放工作異常或者意外損壞而導致中點電位過高(高于1.8 V)時,直流電壓經R1、R2限流,送至C1、C2濾波及D1~D4整流,約1~2s(秒),晶體管VT1導通,555的④腳由高電平變低電平,555被直接復位,③腳輸出低電平,晶體管VT2截止,繼電器JK失電,常開觸點跳開,將揚聲器與功放電路斷開,有效地保護了揚聲器不受損壞。
改變R4、C3的參數,可調整揚聲器保護電路開機延遲時間的長短,一般設為5 s(秒)即可。
二、元件選擇
555一定要選用功耗很低的CMOS時基電路。VT1、VT2用9014、C1815型小功率塑封晶體管,要求電流放大倍數β>100.D1~D5均用1N4148型硅開關二極管,D6用于電源接反保護,可選用1N4001~1N4007型硅整流二極管。R1~R5均用0.5 W五色環金屬膜電阻。C1、C2用優質鋁電解電容,C3要選用漏電小、精度高的鉭電解電容,否則將影響延時精度。JK選用12 V/7 A雙聯型繼電器(左、右聲道各用一組),如JZC-22F.
三、制作與調試
圖2為揚聲器保護電路的PCB板圖。其實際尺寸約50×43 mm。

圖2 PCB板圖
[page]
具體制作如下:先把功放輸出端與音箱的引線切斷,按圖2所示電路將引線頭a、b分別接功放的兩組輸出端,c、d分別接左、右聲道音箱:揚聲器保護電路的電源只能從收放機中獲取,不可直接從汽車12 v電源中獲取,否則不起開/關機保護作用;若是柴油車所配置的收放機(使用24 V電源),則要求增加一個降壓電路(見圖3所示),給揚聲器保護電路供電,以免電源電壓過高損壞IC。

圖3 降壓電路




