中心議題:
- 漏電保護器測試系統的硬件設計
- 漏電保護器測試系統的軟件設計
解決方案:
- 測試電流產生及調節模塊設計
- 電流檢測電路設計
- A/D轉換及控制電路設計
漏電保護器的性能對人身觸電提供的安全保護起著重要作用。而漏電保護器的性能由它的漏電動作特性參數決定。隨著對漏電保護的可靠性提高,對漏電保護器的漏電動作特性參數的測試提出了更高的要求。文章介紹的漏電保護器動作特性自動測試系統,可測量漏電保護器的漏電動作電流值、分斷時間和漏電不動作電流值,對提高漏電保護器工作的可靠性提供了主要技術參數,檢測過程具有較高的自動化水平,可對在線運行與非在線運行的漏電保護器進行檢測。
1 漏電保護器測試系統的硬件設計
表征漏電保護器的參數較多,其中與用電者人身安全關系最為密切的是漏電動作性能,描述漏電動作性能的主要參數為額定漏電動作電流(I△n)和漏電動作時間。額定漏電動作電流是由制造廠規定的漏電保護器在規定條件下必須動作的漏電動作電流值,它反映了漏電保護器的漏電動作靈敏度。漏電動作時間指從突然施加漏電動作電流時起,到保護電路切斷為止的時間。為了防止漏電保護器誤動作,國家標準規定了漏電不動作電流(I△n0),它是指漏電保護器在規定條件下必須不動作的漏電電流值(優先值為0.5I△n),是在電網上投入運行所必須的技術參數。
系統以LPC2132為核心,具有擴展測試電流的產生和調節模塊、動作執行單元、電流檢測電路以及鍵盤等外圍設備。LPC2132是一個支持實時仿真和跟蹤32位ARM7TDMI-S核的微控制器,1個10位8路A/D轉換器,2個32位定時器/計數器,6路PWM單元輸出,2個硬件I2C接口和47個GPIO,2個16C550工業標準UART,以及多達9個邊沿或電平觸發的外部中斷。16kB的片內靜態RAM和64kB的片內Flash程序存儲器避免了LPC2132外擴存儲器,簡化了電路,提高了運行速度。漏電保護器的動作特性自動測試系統結構框圖如圖1所示。

圖1 漏電保護器測試系統框圖
1.1 測試電流產生及調節模塊
測試電流產生和調節模塊如圖2所示。測試電流的產生是將50Hz、220V的正弦交流電經過220:12的降壓變壓器和電動調壓器,輸出0~12V的正弦交流電,再通過回路電阻,產生需要的測試電流。測試電流的產生分為3檔,以滿足不同的測量范圍。繼電器J1吸合,可產生0~1000mA的測試電流;繼電器J2吸合,可產生0~500mA的測試電流;繼電器J1、J2都不吸合,可產生0~100mA的測試電流。每一檔測試電流的調節通過LPC2132控制電動調壓器實現。為了使測試電流能均勻地變化,電動調壓器采用了交流伺服控制。在測試過程中,LPC2132對采集到的實時回路中的測試電流值與設定值比較,并計算得到控制量,控制伺服電動機轉動,帶動電動調壓器的電刷在副邊上穩定地滑動,使副邊電壓變化,從而改變回路中的電流。LPC2132的P0.2腳輸出脈沖信號控制伺服電動機的運動速度,P0.3腳輸出高或低的電平信號,控制伺服電動機轉動的方向。

圖2 測試電流產生及調節模塊[page]
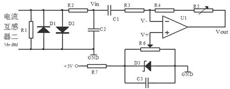
1.2 電流檢測電路
電流檢測電路如圖3所示。通過電流互感器對測試電流進行采樣,將電流互感器的二次側輸出信號經濾波、放大、電壓提升等電路,變換為A/D模塊可以采集的單極性電壓信號(0~5V)后送入LPC2132。
在檢測電流的大小時,根據測試電流的周期(工頻)按照每個周期40個點進行采樣,采樣一個周期后,根據電流互感器的衰減倍數和提升電壓的數值,通過軟件算法計算出實際的電流有效值。電路應滿足如下條件,當交流電流的瞬時值達到正向峰值時,放大器輸出5V;當交流電流的瞬時值達到負向峰值時放大器輸出0V。

圖3 電流檢測電路
1.3 A/D轉換及控制電路
電流檢測電路的輸出信號VOUT送入LPC2132內置的8路10位高速A/D轉換輸入端,對漏電電流的大小進行檢測。
由于A/D轉換為10位,當輸入電壓為5V時,輸出數據值為1024(4FFH),因此最大分辨率為0.0049V(5V/1024)。若產生測試電流的回路電阻為12Ω時,漏電電流的分辨率為0.4mA(0.0049V/12Ω),完全滿足測試需要。漏電保護器的漏電電流產生的開始信號和動、靜觸頭斷開信號分別送入LPC2132的外部中斷輸入端,采用中斷的方式對漏電保護器動、靜觸頭的分斷時間進行檢測。P0.5與P0.6腳分別控制繼電器J1、J2的閉合和分斷,選擇三種不同測量范圍的測試電流。LPC2132與上位機之間采用串行通信,由于系統是3.3V系統,所以要使用SP3232E進行RS-232電平轉換。SP3232E是3V工作電源的RS-232轉換芯片。A/D轉換及控制電路如圖4所示。

圖4 A/D轉換及控制電路[page]
2 漏電保護器測試系統的軟件設計
LPC2132軟件部分的設計基于嵌入式C語言,采用模塊化程序結構。包括主程序、系統初始化子程序、人機接口控制功能子程序、電流采樣子程序、漏電動作電流檢測子程序、漏電動作時間子程序、與上位機通信子程序、上位機PC監控程序。
主程序是漏電動作特性檢測試驗的核心程序,在測試系統開始工作后,程序保持在主程序中循環運行,根據不同需要對其它功能子程序進行調用,調用完畢后,程序返回主程序繼續進行循環。主程序流程圖如圖5所示。

圖5 主程序流程圖
系統初始化子程序主要完成系統初始化工作,包括引腳配置初始化、A/D轉換初始化、定時器初始化、中斷初始化、系統參數初始化、設定檢測項目和參數等。人機接口控制功能子程序是控制系統與人之間的交流,主要實現按鍵功能的掃描。電流采樣子程序對送入LPC2132的測試電流信號(經濾波、放大、電壓提升后變為0~5V的單極性電壓信號)進行A/D轉換,通過計算將所得數字量還原為實際電路中的電流值。漏電動作電流檢測子程序用來檢測漏電保護器斷開瞬間的漏電電流值(I△)。漏電動作時間子程序完成對漏電保護器漏電動作時間的檢測。與上位機通信子程序主要完成LPC2132與上位機PC的通信。上位機PC監控程序主要實現上位機PC對LPC2132的控制及顯示測量結果等。
測試系統的上位機PC監控程序基于LabVIEW8.6平臺開發, 通過LabVIEW的圖形化編程環境, 利用LabVIEW8.6中的串口子選板內的串口通信操作的功能函數,通過串口函數的配置,比較容易地編出所見即所得的程序界面,簡化了Windows的串行通信編程,實現數據的接收和發送。
控制界面如圖6所示,圖中顯示了一次測量數據。

圖6 測試系統界面
系統開始測試后,根據設定測試參數,自動對測試設備進行初始化,軟件制定控制端口控制字,以選擇適合的硬件電路回路和采樣電阻。使測試電流從小于0.2 I△n開始,在30s內穩定地增加至I△n,測定漏電保護器斷開瞬間的漏電電流值I△,若滿足I△n0<I△<I△n,則漏電保護器的漏電動作電流合格。同時完成測量漏電保護器的動作時間。此系統還可以直接選擇固定的測試電流,直接測量漏電保護器的動作時間。
3 結論
本測試系統克服了傳統手動測試方法存在的弊端,操作界面簡單,只需在測試時輸入測試條件和參數就可以開始測試。測試結果一目了然,實現了測量自動化和智能化,既能檢測非在線運行的漏電保護器,又能檢測在線運行的漏電保護器。提高了漏電保護器的測試水平,為漏電保護器的性能研究、質量檢驗及生產提供了有效手段。系統設計充分利用了LPC2132內置的各種功能,簡化了硬件電路設計,降低了成本,具有較高的性價比,已應用于多家企業和科研單位,通過實際使用,工作可靠,達到預期的設計指標。





