【導讀】在電子設計領域,噪聲敏感型應用中的負電壓軌常面臨快速瞬態變化難題,這對電路性能和穩定性構成挑戰。為攻克這一難題,本文精心打造了一種創新的反相降壓 - 升壓解決方案。該方案選用一款單芯片降壓轉換器,巧妙地將 Silent Switcher? 3(SS3)技術融入反相降壓 - 升壓(IBB)拓撲結構。經過全方位嚴格測試,此方案在多個關鍵指標上表現卓越,不僅能將負載瞬態峰峰值電壓降至最低,有效抑制低頻噪聲,還能大幅縮減大容量輸出電容和電感的尺寸,同時確保系統始終保持高效率運行。憑借對 SS3 技術高速特性的充分利用,該方案整體性能得到全方位優化提升。本文還將深入剖析其設計技巧與注意事項,為工程師后續設計提供有力參考。
摘要
在電子設計領域,噪聲敏感型應用中的負電壓軌常面臨快速瞬態變化難題,這對電路性能和穩定性構成挑戰。為攻克這一難題,本文精心打造了一種創新的反相降壓 - 升壓解決方案。該方案選用一款單芯片降壓轉換器,巧妙地將 Silent Switcher? 3(SS3)技術融入反相降壓 - 升壓(IBB)拓撲結構。經過全方位嚴格測試,此方案在多個關鍵指標上表現卓越,不僅能將負載瞬態峰峰值電壓降至最低,有效抑制低頻噪聲,還能大幅縮減大容量輸出電容和電感的尺寸,同時確保系統始終保持高效率運行。憑借對 SS3 技術高速特性的充分利用,該方案整體性能得到全方位優化提升。本文還將深入剖析其設計技巧與注意事項,為工程師后續設計提供有力參考。
引言
負電壓電源廣泛應用于眾多領域,例如信號鏈中的數模轉換器(DAC)和模數轉換器(ADC)驅動器、顯示器和射頻(RF)中的功率放大器、成像系統、光學二極管,以及自動測試設備(ATE)中用于實現真正0 V輸出的偏置電路。這些應用通常對電源噪聲比較敏感,不僅包括基本的開關頻率及更高頻率的噪聲,還涵蓋從開關頻率直至低至0.1 Hz的低頻噪聲。為了減少這種低頻噪聲,電源設計師常常會采用后置濾波低壓差(LDO)穩壓器。然而,這種方法不僅會增大解決方案的尺寸,還會降低其運行效率。對于要求低頻輸出噪聲極低且無需LDO穩壓器的應用,Silent Switcher? 3系列超低噪聲單芯片降壓轉換器提供了絕佳的解決方案。SS3的高開關速度、寬控制環路帶寬及出色的低頻噪聲性能,并不僅局限于在降壓應用中發揮作用。通過重新配置簡單的半橋拓撲結構,SS3可被用作反相降壓-升壓(IBB)轉換器,以產生負輸出電壓。架構上的細微調整,使得SS3能夠在需要負電壓軌具備低頻噪聲性能的應用中運行。傳統上,此類解決方案會包含兩個階段:首先采用反相降壓-升壓(IBB)或庫克(CüK)轉換器來生成負電壓,然后使用負電壓LDO穩壓器作為后置濾波級,以滿足低頻噪聲要求。然而,對應極其重視解決方案尺寸(高度和面積)的應用而言,這種方法并不可取。除了無需使用LDO穩壓器來減小解決方案的尺寸之外,SS3的高開關頻率和控制環路帶寬還可被利用來減小電感器和大容量輸出電容的大小。
本文是一份全面的設計指南,介紹了如何將SS3系列產品LT8624S用作負電壓應用中的IBB。設計指南以客戶需求的形式呈現,概述了一系列頗具挑戰性的解決方案指標,并與在低頻噪聲性能方面最為接近的競品進行了對比。在設計過程的論述中,探討了與IBB相關的特定難題,例如依據負載電流精確選取適配的電感器尺寸等。此外,文中還分享了一個實用技巧:通過將IBB的右半平面零點(RHPZ)移至更高頻率來增加控制環路帶寬。
負電壓應用
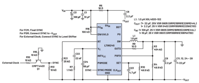
在以下應用中,功率放大器需要-5V的負電源電壓。電壓軌將由一個5V電源供電,并且必須符合2 mm的低高度限制,同時還要保持緊湊的外形尺寸。表1提供了完整且詳細的規格清單。將LT8624S用作IBB是此應用的理想解決方案,因為它具有高速度和出色的低頻噪聲性能,能夠在保持良好效率的同時實現緊湊的解決方案尺寸。原理圖見圖1。
表1.客戶應用的規格清單

值得注意的是,當使用單芯片降壓穩壓器作為IBB時,IC的參考電位是–VOUT,而非接地(GND)。在確定最大輸出電壓時,這一區別至關重要。輸出電壓可使用公式1計算,其中VIC Max rating表示IC用作降壓轉換器時的最大額定電壓。對于LT8624S而言,此額定值為18 V。此外,由于IC以輸出電壓為參考電位,因此,任何所需的外部控制信號,比如用于使能IC或與外部時鐘同步的信號(EN/UVLO和SYNC/MODE引腳),都需要一個電平轉換器電路來將信號的參考電位調整至與該IC相匹配。電平轉換器電路的一個示例如圖1所示。

圖1.原理圖,SS3作為–5 VOUT IBB運行,具有2.2 MHz FSW。
設計電感器和確定開關頻率
在設計緊湊型IBB解決方案時,盡可能縮小電感器尺寸至關重要。為了選出合適的電感器,首要任務是找到一系列能最理想地滿足客戶尺寸要求的電感器。對此,可以通過充分利用 2 mm的高度限制并盡量減小電感器的面積來實現。需要注意的是,物理尺寸更大的電感器通常能夠提供更大的電流承載能力和更高的能效比。
在開始篩選時,可以考慮Coilcraft的高性能XGL系列屏蔽電感器。盡管有2 mm的高度規格限制,但可供選擇的電感器種類依然繁多,因此還需要進一步篩選。為此,可以使用公式2和公式3來計算滿載時電感器的平均電流和峰值電流。其中,IL表示平均電感電流,IPEAK表示峰值電感電流,0.4表示40%交流電感紋波電流,而n則表示轉換器效率。

需要著重注意的是,與降壓轉換器不同,IBB的平均電感電流是輸入電流和輸出電流之和。這一特性增加了電感器設計的復雜性,因為輸入電流可能會發生變化。因此,電感器的尺寸可能會比降壓轉換器更大。假設在滿載時效率為90%,交流紋波電流為40%,根據客戶的滿載規格計算得出的平均電感電流約為2.1 A,峰值電流為2.52 A。考慮到這些計算出的電流值,就可以選擇合適的電感器了。所選電感器的IRMS額定值應大于2.1A的平均電感電流。理想情況下,ISAT(電感值下降10%的電流)應大于2.52 A的峰值電感電流。綜合考慮這些因素,包括對最小面積的要求,最終選擇了XGL4020系列電感器。在這個系列中,2.2 μH和1.5 μH的電感器被選為可能的備選方案。為了確定最佳的電感器,通過在一系列不同的開關頻率范圍內進行掃描,開展了一系列滿載效率測試。目標是在最高頻率下實現至少90%的效率。
結果表明,最佳組合是工作頻率為2.2 MHz的1.5 μH電感器。滿負載情況下的效率達到90.2%,滿足了客戶的要求。圖2顯示了1.5 μH電感器在2.2 MHz下的效率曲線。

圖2.1.5 μH 2.2 MHz解決方案的效率曲線。
設計大容量輸出電容
一旦確定了電感器和開關頻率,接下來的任務就是設計IBB的大容量輸出電容。與挑選電感器類似,輸出電容器必須遵守2 mm高度限制,并且要占用盡可能小的面積,以滿足客戶的應用需求。此外,必須有足夠的輸出電容,以便在半載到滿載的瞬態變化過程中,使輸出電壓的峰峰值保持在40 mV以內。這些電容器在5 V電壓下還必須進行降額使用。為了找到最合適的電容器,選擇了Murata公司作為供應商,因為該公司的電容器產品文檔記錄完善,且產品種類豐富多樣。通過比較不同型號電容器在降額后的輸出電容值,最終選用了22 μF 0805電容器,因為它在滿足尺寸要求的情況下,能夠提供最大的電容量。
選定電容后,需要確定大容量輸出電容的總容量。這可以根據客戶規格進行一系列負載瞬態臺架測試來實現。具體做法是,先使用遠超合理數量的電容,比如十個22 μF的電容器,以滿足輸出電壓峰峰值的要求并確保穩定性。隨后,逐漸減少電容器數量,直至輸出電壓峰峰值剛好低于40 mV,同時要保證補償環節保持穩定且處于最佳狀態。
此外,還應進行滿載波特圖測試,以驗證控制環路的相位裕度至少為45°,增益裕度為8 dB。
通過這一過程,大容量輸出電容被優化為七個22 μF電容器。在負載以0.5 A/μs的擺率從0.5 A變為1 A再變回0.5 A的瞬態過程中,輸出電壓(VOUT)的峰峰值為36 mV。這滿足了客戶對輸出電壓峰峰值為40 mV的要求。負載瞬態測試結果如圖3所示。

圖3.在0.5 A/μs擺率下,0.5 A至1 A負載階躍的瞬態波形。
1 A負載下的波特圖顯示,帶寬為103 kHz,相位裕度為53°,而增益裕度則為8.2 dB,這些指標均在預期范圍內。波特圖如圖4所示。

圖4.1.5 μH 2.2 MHz解決方案在1 A負載下的波特圖。
低頻噪聲測量和競品比較
客戶的應用對10 Hz至1 MHz頻率范圍內的噪聲較為敏感,這一點必須考慮在內。在這個頻率范圍內,所需的積分噪聲應低于25 μV rms。使用頻譜分析儀和放大器就可以輕松測量這個噪聲范圍。對上述設計的解決方案進行測試后發現,10 Hz至1 MHz的積分噪聲為22 μV rms,低于客戶的最低要求。為了進行對比,對最接近SS3的競品進行了測試,在相同測試條件下(包括使用相同的電感器、輸出電容及開關頻率)測得競品的積分噪聲為90 μV rms。噪聲測試結果如圖5所示。

圖5.在1 A負載下對SS3及其最具競爭力的競品所做的低頻性能比較。
增大SS3 IBB的控制環路帶寬
在查看了結果后,客戶對應用的規格要求進行了更新。客戶發現,其功率放大器要求在10Hz至1 MHz的頻率范圍內,積分噪聲最低為20 μV rms,并且VOUT的負載瞬態容差要小于35 mV p-p。遺憾的是,目前的設計無法滿足這些新要求,因此必須進行改進以提升性能。幸運的是,SS3具備高速控制環路功能,能夠在無需額外增加輸出電容的情況下,實現更快的負載瞬態響應和更低的噪聲水平。
為了充分利用SS3的快速控制回路,需要重新定位IBB的RHPZ。RHPZ在控制環路中引起增益提升和相位延遲,從而限制了轉換器的帶寬,進而降低了SS3的性能。基于當前采用1.5 μH電感器的設計,RHPZ大約位于265 kHz處,這導致轉換器在約27 kHz附近出現相位損失。RHPZ的頻率位置可以使用公式4來確定,其中L表示電感器的電感值。

公式4.用于計算RHPZ的頻率位置。
通過觀察該公式,可以明顯看出,RHPZ的位置與電感器的電感值呈反比關系。這意味著,倘若使用電感值更低的電感器,便可將RHPZ移至更高的頻率。而將RHPZ移到更高的頻率,能夠有效增加控制環路的帶寬。不過,若要保持相同的電感器紋波電流,就需要提高開關頻率。XGL4020系列中下一個可用的電感器規格為1 μH,因此開關頻率應提高到3.3 MHz。憑借SS3具備的6 MHz開關能力,實現這一點并不困難。新的RHPZ位置大約會在398 kHz處,這應該足以將控制環路帶寬提升到更高的頻率。修改后的設計原理圖如圖6所示。

圖6.1.0 μH 3.3 MHz SS3 IBB解決方案的原理圖。
控制環路比較
為了驗證帶寬方面的改進,在5 VIN輸入、-5 VOUT輸出和1 A負載的條件下進行了波特圖測試。測試結果以及與先前設計的對比情況如圖7所示。結果表明,帶寬從103 kHz增加到123 kHz,相位裕度為54°,增益裕度則為9.8 dB。需要著重注意的是,為了獲得與采用1.5 μH轉換器設計時相近的相位裕度,對控制環路進行了重新補償。

圖7.兩種轉換器設計方案在1 A負載下的波特圖并排比較。
新設計在控制環路速度方面提升了約20%,隨后進行了與初始設計相同的從0.5 A到1 A再到0.5 A的負載瞬態測試。測量結果顯示,輸出電壓的峰峰值為30 mV。這些結果與采用1.5 μH電感器設計的結果在表2中進行了對比。
表2.兩種轉換器設計在0.5 A到1 A再到0.5 A負載瞬態下的峰峰值電壓比較

低頻噪聲比較
接下來,對低頻噪聲進行了測試,以確定是否滿足新的10 Hz至1 MHz的積分噪聲要求。結果表明,積分噪聲的測量值為18.9 μV rms,符合新規定的20 μV rms標準。將這一結果與1.5 μH設計進行了對比,噪聲曲線如圖8所示。

圖8.兩種SS3解決方案及其最具競爭力的競品在1 A負載下的低頻性能比較。
效率比較
鑒于這種轉換器的開關頻率相較于初始設計提高了50%,有必要重新評估其滿載效率。效率測試結果如圖9所示。測量結果顯示,滿載效率為89.5%。盡管此數值略低于90%的要求,但客戶對這一結果表示滿意,因為在客戶的設計中,效率并非首要考慮因素。

圖9.1.5 μH與1.0 μH解決方案的效率曲線比較。
結論
SS3系列單芯片降壓式穩壓器可以無縫轉換為反相降壓-升壓式穩壓器,以產生一個負電壓軌。對于開關穩壓器而言,這些穩壓器具備無與倫比的低頻噪聲性能,同時還擁有較高的控制環路速度和開關速度。因此,對于需要快速瞬態響應且對噪聲敏感的負電壓應用場景來說,SS3是理想的解決方案。
推薦閱讀:





