【導讀】在消費電子市場高速發展的當下,IGBT(絕緣柵雙極晶體管)已成為現代家電設備中不可或缺的核心器件。憑借其優異的開關特性、低導通損耗及出色的熱管理能力,IGBT技術正持續推動家電產品能效升級。安世半導體推出的650 V G3 IGBT平臺產品,通過性能優化與可靠性提升,為家電設備的高效化、節能化發展提供了關鍵解決方案。
在消費電子市場高速發展的當下,IGBT(絕緣柵雙極晶體管)已成為現代家電設備中不可或缺的核心器件。憑借其優異的開關特性、低導通損耗及出色的熱管理能力,IGBT技術正持續推動家電產品能效升級。安世半導體推出的650 V G3 IGBT平臺產品,通過性能優化與可靠性提升,為家電設備的高效化、節能化發展提供了關鍵解決方案。
本文將聚焦家電設備的三大核心應用場景——電機拖動、PFC(功率因數校正)電路及感應加熱,深入解析安世半導體650 V G3 IGBT平臺的技術優勢及其在家電領域的實際應用價值。
1. 電機拖動
1.1 電機拖動在家電中的應用介紹
電機拖動技術在家電應用中發揮著至關重要的作用,通過精確控制電機,實現高效、智能和節能的運行。它不僅負責驅動設備,還涉及能量的高效轉換,提升了整體性能。
在家電中,電動機將電能轉換為機械能,以實現各種功能。例如,洗衣機中的 Motor Drive 調節電機的轉速和扭矩,以適應不同的洗滌模式,從而提高洗凈效果和降低噪音。借助高效的能量轉換機制,洗衣機能夠更快速地完成洗滌任務,同時減少水和電的消耗。在空調中,變頻電機通過智能調節壓縮機的轉速,根據室內溫度變化優化制冷和制熱過程。而在吸塵器中,電機實現了吸力的精確調節,使得清潔過程既高效又安靜。
此外,電機拖動系統能夠進一步提升能量利用效率。例如,在某些電器中,制動時產生的機械能可以被回收轉換為電能,供給其他設備使用。
通過這些應用,電機拖動不僅提升了家電的性能和使用體驗,還促進了節能減排的目標,使現代家居生活更加便捷、環保與智能。

圖 1:Motor in home appliance
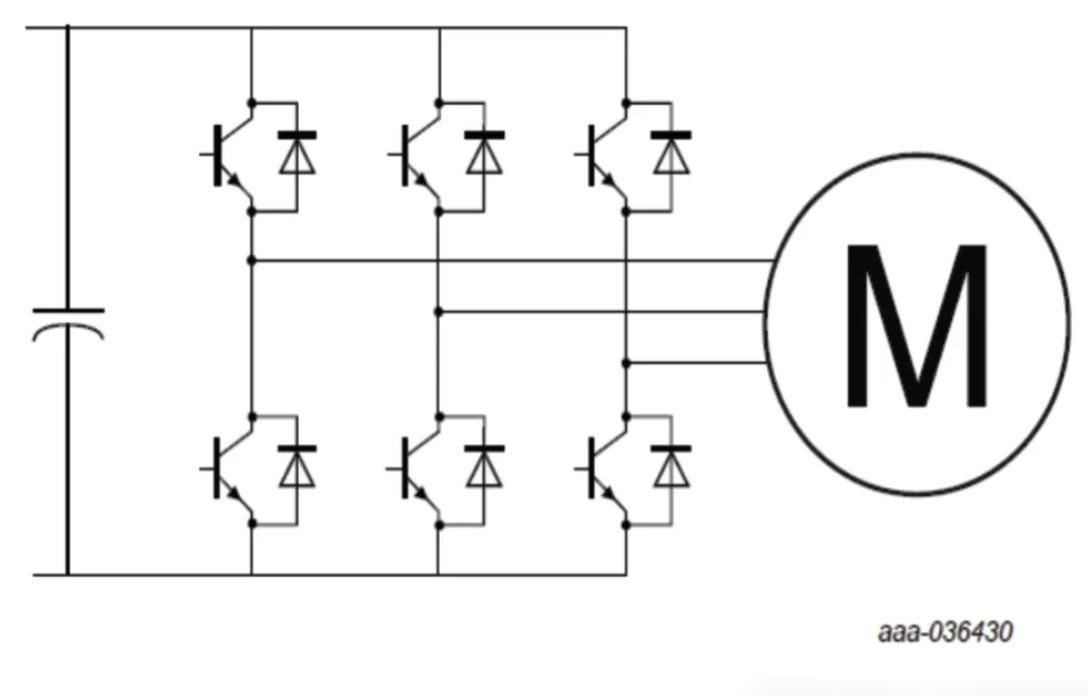
在含有電機拖動的家電應用中,最普遍的拓撲形式是三相全橋拓撲。三相全橋拓撲是一種常用于三相交流電機(如異步電機、永磁同步電機等)驅動的電路配置。它由六個開關器件(通常是 MOSFET 或 IGBT)組成,分別對應三相電機的三個繞組。三相全橋拓撲的基本工作原理是通過控制每一相的開關狀態來實現對電機的轉動方向和轉速的控制。具體來說:
? 每相電機繞組都連接到兩個開關器件,形成一定的電路。
? 通過交替導通不同的開關,能夠產生在電機繞組之間的旋轉磁場,從而驅動電機旋轉。
? 控制系統通過 PWM 信號控制開關器件的開關狀態,從而調節電機的速度和轉矩。
圖 2:Motor drive application diagram
在工業及家電應用中,三相全橋的開關管的開關頻率通常較低(<20kHz)。在這種情況下,開關管的導通損耗通常占據總損耗的主導部分。由圖 3 可以看出,在給定條件下的電機拖動應用中,IGBT 器件的損耗占比中最高的是導通損耗,占比 71.6%。使用低導通損耗的 IGBT 可以最大幅度提升系統效率和降低結溫,這對節能減排以及產品可靠性方面皆有好處。

圖 3:應用于電機拖動中的 IGBT 器件損耗占比
1.2 安世半導體 650 V G3 IGBT 在電機拖動中的應用性能
安世半導體的 650 V G3 M 系列中速 IGBT 管具有較低的導通損耗以及優化的關斷損耗,非常適合較低開關頻率(<20 kHz)的場合,例如電機拖動。同時 175 度的工作結溫以及較小的熱阻保證了工作時的結溫余量。嚴苛的可靠性標準例如 HV- H3TRB 保證了器件在極端情況下的可靠運行。
較低的 Vcesat 與 Vf
以 NGW50T65M3DFP 中速管為例,遠低于競品的 Vcesat 以及 Vf 將助力降低電機拖動應用中的損耗,從而保證更高的系統效率及更低的工作結溫,助力節能減排以及產品可靠性。

表 1:650 V G3 IGBT 單管產品系列 TO247-3L 封裝

表 2:650 V G3 IGBT 單管產品系列 D2PAK&TO220FP 封裝

圖 4:Vcesat——NGW50T65M3DFP v.s. 競品
圖 5:Vf——NGW50T65M3DFP v.s. 競品
高效率與低溫升
在 400 V 電機拖動系統測試中,NGW40T65M3DFP 中速管被用于與競品對比在電機拖動應用中的性能情況。在圖 6 中可以觀測到在不同輸出電流情況下,NGW40T65M3DFP 在不同相上都有更優的熱表現。在圖 7 的系統效率 MAP 圖中可以看到,NGW40T65M3DFP 相比于競品,在不同轉速和扭矩下具有更大面積的高效率區域。

圖 6:電機系統中三相 IGBT 的殼溫表現

圖 7:電機系統效率 MAP 圖

圖 8:PFC 電路在功率回路的位置
2. PFC
2.1 PFC 在家電中的應用介紹
PFC(功率因數校正)電路在現代家電中起著至關重要的作用,尤其是在電源設計方面。隨著對能效和環保要求的提高,家電產品越來越關注功率因數的優化,以減少電力損耗和提高電能使用效率。
功率因數是表征電氣設備能效的一個重要指標,表示有功功率(實際被用來做功的電力)與視在功率(供電系統的總電力)之間的比例。功率因數的提高可以降低電力損耗,提高電源的利用效率,并減少對電網的負擔。
PFC 電路有不同的拓撲實現形式,例如單相 CCM boost PFC、2 通道或 3 通道交錯 CCM PFC、圖騰柱 PFC、交錯圖騰柱 PFC 等,這些拓撲結構有其適用的功率范圍。以家用空調為例,5 kW 以下功率的家用空調中,單相 CCM boost PFC 和 2 通道的交錯 CCM PFC 比較普遍,開關頻率通常在 30 kHz 以上,推薦使用安世半導體 H 系列 650V IGBT。
2.2 安世半導體 650 V G3 IGBT 在 PFC 中的應用性能
為進一步評估 650 V G3 H 系列 IGBT 在 PFC 中的性能表現,以 NGW40T65H3DHP 為例在 5 kW 交錯 PFC 板上與競品進行了對比測試。圖 9 為交錯 PFC 的拓撲電路。表 3 和表 4 分別顯示了測試中的競品信息以及測試條件。其中 C 競品為中速 IGBT 管,作為對照組。E 競品為逆導 IGBT。

圖 9:交錯 PFC 拓撲
較低的電壓過沖
當 IGBT 關斷時,由于功率回路雜感的存在,會在功率開關兩端形成瞬時的電壓過沖。越低的電壓過沖會有更大的電壓安全裕量,從而減小系統的故障率,提升了穩定性。在 400 V 系統中,如果以 85% 的阻斷電壓(這里阻斷電壓是 650 V)定義為安全裕量邊界,那么 NGW40T65H3DHP 的電壓過沖遠在這之下,且僅略高于競品 C 的中速管。

圖 10:Vpeak - Vin @ 25℃ Full Load
優異的 EMI 性能
在現代電力電子應用中,尤其是在電機驅動、變頻器、開關電源和家電設備中,功率器件(如 IGBT 和 MOSFET)的快速開關能力是實現高效能和優化性能的關鍵。然而,快速開關也帶來了電磁干擾(EMI)的問題,需要在設計和應用中加以重視。安世半導體 650 V G3 IGBT 具有優異的 EMI 性能,為設計者直接替換開關管而無需重新進行 EMI 設計提供可能。圖 11 顯示了 NGW40T65H3DHP 與其他競品相比的 dV/dt(電壓變化率)表現。越低的 dV/dt 代表更優的 EMI 性能。可以看出 NGW40T65H3DHP 具有最優的 EMI 性能,其 dV/dt 甚至略低于 C 競品的中速管。
圖 11:dV/dt 對比@full load@Tamb=55℃
均衡的系統效率
圖 12 顯示了 NGW40T65H3DHP 與其他競品在 55℃環境溫度下的系統效率對比。由于兼顧了電壓過沖和 EMI 性能,其在系統效率上的表現略微均衡。D 競品與 E 競品有著最高的系統效率,但同時也有較高的電壓過沖和較遜色的 EMI 性能。

圖 12:Efficiency - Vin @ Tamb=55℃ Full load
優異的熱性能
為了更為公平地對比結溫表現,利用 PLECS 軟件復現了測試電路及測試條件。并對功率器件建立熱模型。熱模型包括開關損耗數據,導通損耗數據及熱阻網絡數據。其中,開關損耗數據由實際測試中的波形計算而得。導通損耗和熱阻網絡數據源自規格書。圖 13 所示為得到開關損耗數據表格的過程。圖 14 所示為相關仿真波形。
圖 13:繪制開關損耗數據表格

圖 14:PLECS PFC 仿真波形
在實際測試中系統效率較高的 E 競品(也是客戶常用的型號) 被選為與 NGW40T65H3DHP 進行損耗及結溫對比,結果如表 5 所示。可以看到競品 E 相比 NGW40T65H3DHP 在損耗方面略有優勢。但在平均結溫方面,NGW40T65H3DHP 有著 9.8℃ 的優勢,在最高結溫方面,有著 18.5℃的優勢。這標志著更低的靜態熱阻以及更優異的動態熱響應。

表 5:競品 E 與 NGW40T65H3DHP 在 PLECS PFC 仿真中的損耗及結溫對比@Tamb=25℃
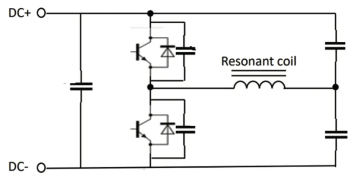
3. 感應加熱
3.1 感應加熱在家電中的應用
感應加熱是一種基于電磁感應原理的加熱技術,它通過在導體中產生渦流來實現快速加熱。近年來,感應加熱技術逐漸在家電領域得到了廣泛應用,特別是在廚房電器中,例如電磁爐、電飯煲、部分烤箱等。
感應加熱的基本原理是利用交變磁場對導電材料(如金屬)產生的提高溫度的渦流效應。當高頻電流通過感應線圈時,會在其周圍產生交變磁場。如果將具有電導率的材料放置在磁場中,會在材料內部產生渦流,從而產生熱量。感應線圈通常在拓撲中以諧振電感的形式存在,如圖 15 所示為半橋型感應加熱的拓撲圖,感應線圈與兩個諧振電容共同組成了諧振電路,兩個開關管組成半橋驅動諧振電路。通過調整開關管的開關頻率可以調整系統的輸出功率。

圖 15:半橋感應加熱拓撲
3.2 安世半導體 650 V G3 IGBT 在感應加熱中的應用性能較低的關斷損耗
用 PLECS 搭建一個半橋感應加熱的仿真電路,并為其設置了一些仿真參數(來自客戶),如表 4。
表 4:PLECS Induction heating 仿真條件
我們可以得到圖 16 的 IGBT 以及反并聯二極管的開關波形。可以觀察到,在感應加熱應用中,IGBT 的電流在過零點時處于導通狀態,所以開通損耗為零,只存在導通損耗和關斷損耗。這為安世半導體 650 V G3 IGBT 的應用創造了優勢,因為其關斷損耗經過優化后可以維持在較低的水平。如圖 17 所示,在175℃的結溫條件下,NGW50T65H3DFP 的關斷損耗遠低于競品 Comp.1~Comp.3。

圖 16:PLECS Induction heating 波形
圖 17:雙脈沖測試 Eoff - Rg @50A@175℃
較低的損耗及結溫
如圖 18 所示為 NGW50T65H3DFP、Comp.1 與 Comp.3 在該仿真中所得出的不同開關頻率下的損耗(Comp2. 未提供熱阻曲線數據故未納入仿真)。可以看出,雖然 NGW50T65H3DFP 這顆高速管在導通損耗方面與競品略有差距,但由于其優異的開關損耗,總損耗仍然為最低水平。并且由于其較低的熱阻,仿真結溫也為最低,如圖 19 所示。
圖 18:PLECS Induction heating, Powerloss - Fsw @Ta=50℃
圖19:PLECS Induction heating, Tj - Fsw@Ta=50℃
小結
綜上所述,安世半導體的 650 V G3 IGBT 在家電應用中的優越性能顯著提升了設備的效率和可靠性。在電機拖動、PFC(功率因數校正)電路和感應加熱等三大主要領域,650 V G3 IGBT 展現了其在降低損耗、優化熱管理和改善電磁干擾(EMI)方面的突出優勢。通過合理設計和高性能集成,這款 IGBT 不僅提升了系統的整體效率,還確保了運行的穩定性和耐用性。其嚴格的可靠性標準也為在各種工作條件下的可靠運行提供了保障,將其定位為家電行業中現有設計的優秀替代方案及新設計的理想選擇。憑借這些特性,安世半導體的 650 V G3 IGBT 為消費者的家電產品賦能,推動了智能、節能和環保的現代家居生活,展示了其在未來市場中的廣闊前景。
免責聲明:本文為轉載文章,轉載此文目的在于傳遞更多信息,版權歸原作者所有。本文所用視頻、圖片、文字如涉及作品版權問題,請聯系小編進行處理。
推薦閱讀:
驅動電路設計(七)——自舉電源在5kW交錯調制圖騰柱PFC應用




