【導讀】為了解決汽車應用中日益提高的電流需求和快速瞬變所帶來的挑戰,ADI專門設計了耦合電感,并獲得了專利。理想情況下,為了獲得高效率,需要較大電感值和較小電流紋波,但為了實現快速瞬變,又需要較小電感值。耦合電感利用出色的耦合機制,使其在穩態下表現為一個大電感,從而有效地降低電流紋波。
問題
隨著電流擺率和效率要求不斷提高,ADI專利耦合電感如何增強汽車應用中多相穩壓器的性能?
回答
為了解決汽車應用中日益提高的電流需求和快速瞬變所帶來的挑戰,ADI專門設計了耦合電感,并獲得了專利。理想情況下,為了獲得高效率,需要較大電感值和較小電流紋波,但為了實現快速瞬變,又需要較小電感值。耦合電感利用出色的耦合機制,使其在穩態下表現為一個大電感,從而有效地降低電流紋波。同時,耦合電感在瞬態事件中的電感值較小,且導通較快。這有便于縮小應用尺寸,同時保持高效率,這對于支持1 V以下的負載電壓至關重要。此外,其設計有助于加快響應時間,使穩壓器能夠在不影響性能的情況下管理劇烈的瞬態負載。通過優化電感值,這些耦合電感有助于為ADAS和其他大電流應用中的先進半導體工藝實現所需的必要電壓容差、高效率和瞬態規格。
簡介
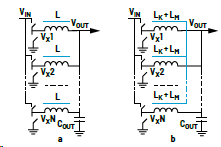
大電流、低電壓應用經常采用多相降壓轉換器拓撲來降低電壓。這種多相降壓轉換器可以利用傳統的分立電感(DL,如圖1a所示),或利用耦合電感(CL,如圖1b所示)。如果是CL,繞組為磁耦合,具有消除電流紋波的優勢1-6。
汽車ADAS應用面臨的挑戰是,如何將GPU或ASIC供電軌嚴格控制在0.4 V至1 V范圍內,尤其是在快速瞬變條件下。負載瞬態通常會導致所有相位將開關節點VX拉高至VIN,因此每相中的電感電流以一定的擺率(式1)逐漸上升,其中VIN為輸入電壓,Vo為輸出電壓,L為電感值。卸載瞬態通常會導致所有相位拉低至GND,并且電感電流逐漸下降(式2)。已知低輸出電壓值VOUT<1 V,并假設輸入電壓典型值至少為5 V,比較式1和式2很容易看出,卸載瞬態是主要問題,這是因為使電流逐漸下降的電壓非常小。
圖1.多相降壓轉換器,采用(a)分立電感或(b)耦合電感
簡單的解決辦法是增加COUT中陶瓷輸出電容的數量。然而,這種方法的體積過大、成本過高,有些不切實際。在汽車行業,穩壓器往往配置為以相對較高的頻率(FS,通常超過2 MHz)進行開關。這與云應用或工業應用中的穩壓器形成對比。由于特別的電磁干擾(EMI)要求,汽車環境中需要更高的開關頻率。雖然高頻有助于減小穩壓器中的電感值,但仍然需要進一步改善。
由式3可求出帶DL的常規降壓轉換器各相的電流紋波,其中占空比D = VOUT/VIN,VOUT為輸出電壓,VIN為輸入電壓,L為電感值,FS為開關頻率。
用漏感為LK且互感為LM的CL代替DL,則CL中的電流紋波可表示為式46。品質因數(FOM)表示為式5,其中NPH為耦合相數,ρ為耦合系數(式6),j為運行指數,僅定義占空比的適用區間(式7)。CL的參數有漏感LK和互感L M。
對于特定的CL設計,與采用分立電感L的常規降壓轉換器相比,式4和式5中的FOM含義可以解釋為電流紋波消除所涉及的額外乘數。與具有任意電流紋波和瞬態性能的任何系統相比,業界進一步推廣和擴展了FOM的定義及其含義11。建議使用歸一化瞬態擺率 (期望較高) 與歸一化電流紋波 (期望較低) 的比率 (式8)。對于一些采用分立電感的基準轉換器,瞬態擺率和電流紋波通過相關數字進行歸一化 (因此任何采用DL的系統仍會導致FOM = 1)。SRTR和ΔIL是所選設計或技術在穩態下的瞬態電流擺率和電流紋波,而SRTR_DL和ΔILDL是同樣的參數,但用于基準DL設計。
由于瞬態和穩態下分立電感的電流擺率相同,式8可以簡化為式9。這樣一來就完全避免了實際提及DL設計,但基準測試的思想仍然存在。
請注意,對CL使用廣義FOM定義(式9)將得到式5,因此新定義是向后兼容的,而且還可用于電流紋波和瞬態擺率與DL公式存在顯著差異的技術(例如TLVR9)。
CL設計和考慮因素
應用指標為VIN = 5 V、VOUT = 0.8 V、FS = 2.1 MHz、NPH = 8。開始時,選擇DL = 32 nH來支持快速瞬變,而每個電感占用4.2 mm × 4.2 mm × 4.2 mm。理想情況下,這些電感將用8相耦合電感(CL)代替。然而,h = 4 mm的低高度要求帶來了難題,因為在這種高度限制下,8相耦合電感器會變得過于細長,難以生產,而且還會更容易受到電路板彎曲變形的影響。因此,我們為CL選擇了4相構建模塊,這也使得元件的放置和布局更加靈活。我們的目標是獲得更快的瞬變,并且已知CL值的紋波將小于起始DL值的紋波。因此,我們采用了近期推出的Notch CL (NCL)結構來盡可能減小漏感LK7,8,10。我們設計了NCL0804,LK約為17 nH,OCL = LM + LK = 100 nH,NPH = 4,相位間距為6.9 mm/相,高度h = 4.0 mm(最大值)(圖2)。
圖2.開發的NCL0804-4-R17(h = 4 mm(最大值))
使用FOM圖10可以有效比較不同的設計。任何DL設計都會出現FOM = 1,這是因為在穩態和瞬態下,電流擺率的比例為1:1。給定尺寸下,耦合電感的NCL結構會使LM/LK比率最大化,因此通常能夠產生最高FOM9。FOM比較如圖3所示;在目標輸出電壓附近,我們開發的NCL比DL好約4.4倍。
表1.四相構建模塊不同磁元件方案的比較
電感 | 高度:mm/相對值 | 效率,相對值 | 電流紋波,相對值 | 瞬態,相對值 | 瞬態/紋波相對優勢(公式9)11 |
NCL0804-4 | 最大4.0/1倍 | 正常 | 1倍 | 1倍 | 4.4倍 |
DL = 32 nH | 最大4.4/大1.1倍 | 低 | 大2.35倍 | 慢1.9倍 | 1倍 |
DL = 100 nH | 最大6.4/大1.6倍 | 正常 | 小1.33倍 | 慢5.9倍 | 1倍 |
圖3.相對于輸出電壓VOUT,開發的NCL = 4× 17 nH和理論NCL = 8× 17 nH的FOM與任何DL的FOM相比較
(VIN = 5 V)
相應的電流紋波比較如圖4和表1所示。對電流紋波和瞬態擺率的不同取舍,讓DL值的選擇范圍非常寬,但我們開發的NCL始終有4.4倍的優勢。NCL的電流紋波比DL = 32 nH的紋波小2.35倍,同時NCL的瞬態擺率要快1.88倍。2.35×1.88約等于4.4,與預測的FOM = 4.4相匹配。使用DL = 100 nH也可以降低電流紋波,這使其電流紋波比NCL的電流紋波小1.33倍,但NCL的瞬態擺率會快5.88倍,因此NCL相對于任何DL的優勢仍然是5.88/1.33,即約等于4.4倍(NCL的FOM = 4.4)。
圖4.相對于輸出電壓VOUT,比較開發的NCL = 4 × 17 nH和理論NCL = 8 × 17 nH的電流紋波與DL = 32 nH和DL = 100 nH的電流紋波
觀察圖3中相同NCL的理論FOM,但考慮NPH = 8是否可制造的情況,我們看到NCL相對于DL的性能優勢將從4.4倍擴大到5.8倍,而且在VOUT較低時,相對的優勢差距更大。
展望未來,我們或許應該考慮NCL的不同設計。一種可能性是將相位排成兩排,以保持鐵氧體磁芯的長寬比較低,使其有利于制造。在這種情況下,NCL可以放在PCB的底部,直接位于GPU的陶瓷旁路上方,并且功率級圍繞在NCL的周邊。此方法類似于垂直供電(VPD)布置,有可能會在瞬態和紋波之間取得更好的平衡,也就是可以有效提高瞬態效率。然而,必須注意的是,這樣的改動將會顯著改變現有的設計和布局。未來將取決于客戶的偏好,考慮是否采用這種方法。
實驗結果
圖5.穩壓器四相構建模塊,電感尺寸可為(a) DL = 100 nH(h = 6.4 mm(最大值))和(b) NCL0804-4(h = 4.0 mm(最大值))
用NCL0804-4替代DL = 32 nH電感可以提高效率,如圖6所示。這種改善主要是因為電流紋波大幅降低(圖4),從而導致繞組、功率級和走線中的電流有效值降低。此外這還有助于降低交流損耗,如圖6所示。同時,17 nH/相的NCL(圖5b)在瞬態下的電流擺率要快約1.9倍,反饋環路中的相位裕量一般也會得到改善。降低DL = 100 nH的紋波(圖5a)可重新提高效率(圖6),但這種DL的高度明顯高于允許值(h = 4 mm),同時也比我們開發的NCL慢約5.9倍,并且會大大影響所需輸出電容的數量。正如基于FOM的估計,結果證實了NCL相對于分立電感方法的不同權衡方案具有根本的性能優勢。
圖6.DL = 32 nH (h = 4.4 mm)、DL = 100 nH (h = 6.4 mm)和NCL = 4× 17 nH (h = 4.0 mm)的效率比較:5 V至0.8 V,四相。
結論
綜上所述,我們開發了一種采用NCL結構的新型耦合電感,以優化輸出電壓非常低和負載瞬態指標變化劇烈的應用性能。該CL也是為了適應汽車設計的低高度要求而開發的。選擇NCL結構是為了盡可能地減少泄漏。與常規分立電感方案相比,它的瞬態/紋波性能提高了4倍以上。
若分立電感(DL)方案的效率要與所開發的NCL相同,高度須為后者的1.6倍(DL = 100 nH)。然而,這種替代方案的瞬態速度會低5.9倍,從而嚴重影響輸出電容的尺寸和成本。表1的比較結果凸顯了NCL0804-4在高度、效率、電流紋波和瞬態速度方面的優勢。
參考文獻
1 Aaron M. Schultz和Charles R. Sullivan?!癡oltage Converter with Coupled Inductive Windings, and Associated Methods”。美國專利6,362,986,2001年3月。
2 Jieli Li。Coupled Inductor Design in DC-DC Converters。碩士論文,達特茅斯學院,2002年。
3 Pit-Leong Wong、Peng Xu、P. Yang和Fred C. Lee?!癙erformance Improvements of Interleaving VRMs with Coupling Inductors”?!禝EEE電源電子會刊》,第16卷第4期,2001年7月。
4 Yan Dong。Investigation of Multiphase Coupled-Inductor Buck Converters in Point-of-Load Applications。博士論文,弗吉尼亞理工學院暨州立大學,2009年7月。
5 Alexandr Ikriannikov和Di Yao。“Addressing Core Loss in Coupled Inductors”。Electronic Design News,2016年12月。
6 Alexandr Ikriannikov。“耦合電感的基礎知識和優勢”。ADI公司,2021年。
7 Alexandr Ikriannikov和Di Yao?!癝witching Power Converter Assemblies Including Coupled Inductors, and Associated Methods”。美國專利11869695B2,2020年11月。
8 Alexandr Ikriannikov?!癊volution and Comparison of Magnetics for the Multiphase DC-DC Applications”。IEEE應用電源電子會議,2023年3月。
9 Amin Fard、Satya Naidu、Horthense Tamdem和Behzad Vafakhah。 “Trans-inductors Versus Discrete Inductors in Multiphase Voltage Regulators: An Analytical and Experimental Comparative Study”。IEEE應用電源電子會議,2023年3月。
10 Alexandr Ikriannikov和Di Yao。 “Converters with Multiphase Magnetics: TLVR vs CL and the Novel Optimized Structure”。PCIM Europe,2023年5月。
11 Alexandr Ikriannikov和Brad Xiao?!癎eneralized FOM for Multiphase Converters with Inductors”。2023年IEEE能源轉換大會暨展覽會,2023年10月。
(來源:ADI公司,作者:Jon Wallace,高級總監,Issac Siavashani,首席工程師,Alexandr Ikriannikov,研究員)
免責聲明:本文為轉載文章,轉載此文目的在于傳遞更多信息,版權歸原作者所有。本文所用視頻、圖片、文字如涉及作品版權問題,請聯系小編進行處理。
推薦閱讀:
高算力MCU開發,實現多屏交互與毫秒級響應功能的汽車儀表盤方案




