【導讀】本實驗活動使用ADALM2000和Scopy介紹包絡檢測和幅度調制。信號的包絡相當于其輪廓,包絡檢波器連接該信號中的所有峰值。包絡檢測在信號處理和通信領域應用廣泛,幅度調制(AM)檢測便是其中一個應用。
目標
本實驗活動使用ADALM2000和Scopy介紹包絡檢測和幅度調制。信號的包絡相當于其輪廓,包絡檢波器連接該信號中的所有峰值。包絡檢測在信號處理和通信領域應用廣泛,幅度調制(AM)檢測便是其中一個應用。
AM是電子通信領域使用的一種調制技術,常用于通過無線電載波傳輸信息。在AM中,載波的幅度(信號強度)與被傳輸的波形成比例變化。例如,該波形可能對應于揚聲器重現的聲音或電視像素的光強度。
典型的幅度調制信號如公式1所示。
包絡檢波器是一種電子電路,它以高頻信號為輸入并提供輸出,即原始信號的包絡(ω c ? ω m)。
包絡檢波器主要由兩個元素組成:
? 二極管/整流器:用于增強接收信號的一個半周而抑制另一個半周
? 低通濾波器:去除檢測/解調后信號中剩余的高頻元素時需要。
濾波器通常由一個非常簡單的RC網絡組成,但在某些情況下,依靠整流器之后的電路有限頻率響應即可提供濾波器。
材料
? ADALM2000主動學習模塊
? 無焊試驗板和跳線套件
? 兩個1 kΩ電阻
? 兩個1 μF電容
? 兩個1N914二極管
包絡檢波器
背景知識
請看圖1所示的電路。
圖1.基本包絡檢波器電路。
電路中的電容在上升沿儲存電荷,并當信號下降時,通過電阻緩慢釋放電荷。串聯的二極管對輸入信號進行整流,僅當正輸入端的電位高于負輸入端時才允許電流流動。
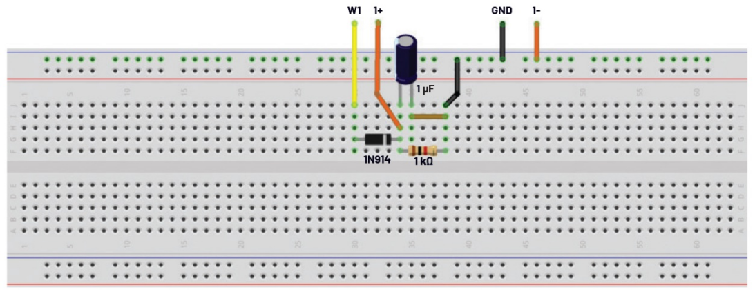
圖2.包絡檢波器試驗板電路。
硬件設置
為包絡檢波器電路構建圖2中的試驗板電路。
程序步驟
使用第一波形發生器作為提供AM信號的信號源,其參數如下所示:
? k = 0.5
? ωc = 10 kHz
? ωm = 100 Hz
? A = 3
要生成AM信號,請使用Scopy信號發生器中的數學函數。將記錄長度設置為20 ms,將采樣率設置為75 MSPS,并應用以下函數:(1 + 0.5 × cos (2 × pi × 100 × t)) × 3 × cos (2 × pi × 100 × 100 × t)。生成的波形如圖3所示。
圖3.生成的AM信號。
配置示波器,以使輸出信號顯示在通道1上。
斷開電容與電路的連接,并觀察輸出信號。產生的波形如圖4所示。
圖4.生成的AM信號的正半部分。
如果不連接電容,電路的工作方式與正半波整流器類似,即保留大于0 V的信號部分。
現在,將電容重新連接到電路。產生的波形如圖5所示。
圖5.正半波包絡。
得到的信號是先前得到的正半波的包絡。實際上,它是具有10 kHz變化的100 Hz消息信號(由載波信號引入)。
頻域頻譜
這些信號也可使用頻譜分析儀工具在頻域中查看。首先,同時觀察10 kHz載波和100 Hz消息信號(因為二者都位于該電路的輸出端)。啟用通道1,并將掃描范圍設置為10 Hz至15 kHz。運行單次掃描。從標記選項卡和標記表中啟用標記1和2。使用上一個峰值、下一個峰值移動每個標記,以便在載波和消息信號上設置這些標記。產生的波形如圖6所示。
圖6.消息和載波信號。
將掃描范圍設置為9 kHz至11 kHz。在圖7中,主峰值位于10 kHz載波頻率處,并且載波兩側有±100 Hz的調制邊帶(9900 Hz和10100 Hz)。
圖7.解調后的載波信號頻譜。
將掃描范圍設置為20 Hz至180 Hz。在圖8中,主峰值位于100 Hz消息頻率處。
圖8.解調后的消息信號頻譜。
由于使用基本包絡檢波器電路對輸出信號進行了頻率分析,因此消息和載波信號均顯示出來。在施加的輸入信號中,載波幅度大于消息幅度,而相比之下,頻譜分析儀繪圖通知中的消息信號(100 Hz)被放大,幅度相較于載波信號更為明顯(參見標記表)。
擴展包絡檢波器
背景知識
請看圖9所示的電路。
圖9.正負包絡檢波器電路。
在圖1的電路中添加一個類似的電路。唯一的區別是二極管反轉,允許負電壓通過RC電路。
硬件設置
為擴展包絡檢波器電路構建圖10中的試驗板電路。
圖10.擴展包絡檢波器試驗板電路。
程序步驟
使用第一波形發生器作為提供AM信號的信號源,其參數如下所示:
? k = 0.5
? ωc = 10 kHz
? ωm = 100 Hz
? A = 3
要生成AM信號,請使用Scopy信號發生器中的數學函數。將記錄長度設置為50 ms,并應用以下函數:(1 + 0.5 × cos (2 × pi × 100 × t)) × 3 × cos (2 × pi × 100 × 100 × t)。生成的波形如圖11所示(顯示了5個周期)。
圖11.生成的AM信號。
配置示波器,以使輸出信號顯示在通道1上。
斷開電容C1和C2與電路的連接,并觀察輸出信號。產生的波形如圖12所示。
圖12.生成的AM信號的正半部分和負半部分。
如果不連接電容,電路就像一個正半波整流器和負半波整流器,并將正半波與負半波分開。
現在,將電容重新連接到電路。產生的波形如圖13所示。
圖13.正半波包絡和負半波包絡。
得到的信號是先前得到的正半波和負半波的包絡。
問題
1. 如果電容/電阻值發生變化會如何?這種情況有什么缺點?
2. 對于圖1中的電路,如果在D1和R1之間添加一個與二極管串聯的電阻,輸出會受到什么影響?請解釋有何差異。
額外活動:偏置包絡檢波器
如果幅度(即擺幅)小于二極管的正向導通電壓,則圖1中基于二極管的簡單包絡檢波器無法正常導電,或者根本無法導電。當二極管未完全導通時,對于高調制指數(接近100%),調制信號的負半部分將嚴重失真。解決此限制的一個方法是為二極管引入小直流偏置。該小偏置電流移動到電路的靜態工作點,正好位于二極管的導通點。
材料
? ADALM1000主動學習模塊
? 無焊試驗板和跳線套件
? 一個1.5 kΩ電阻(棕色、綠色、紅色)
? 一個10 kΩ電阻(棕色、黑色、橙色)
? 一個20 kΩ電阻(紅色、黑色、橙色)
? 兩個1.0 μF電容(C1和C2)
? 一個2N3904 NPN晶體管
? 一個1N914二極管
背景知識
考慮圖14所示的電路。
圖14.偏置包絡檢波器電路。
幅度調制信號交流耦合到NPN晶體管Q1的基極,該晶體管配置為發射極跟隨器。分壓器R1和R2與二極管D1設置交流耦合輸入的直流偏置點(直流恢復)。如果沒有任何調制輸入,Q1發射極處的直流靜態工作點將等于R1和R2連接點的電壓減去D1的二極管壓降和Q1的VBE。Q1的基極電流流入二極管D1,使其正向偏置。在調制輸入的正半周期內,D1關閉,輸入信號峰值為濾波電容C2充電。在輸入信號的負半周期內,晶體管Q1關閉,D1的導電能力更強,提供輸入電流。
硬件設置
為偏置包絡檢波器電路構建圖15中的試驗板電路。
圖15.偏置包絡檢波器試驗板電路。
程序步驟
將電路連接至5 V電源。
為了測試該電路,首先使用簡單二極管包絡檢波器示例中使用的相同調制信號。將新設計與簡單二極管包絡檢波器進行比較。使用與前面相同的步驟,生成具有較小幅度/較高調制指數的AM信號,并比較這兩種檢波器設計的輸出。
圖16顯示了偏置包絡檢波器的輸入和輸出波形示例。
圖16.偏置包絡檢波器波形。
(來源:ADI公司,作者:Antoniu Miclaus,系統應用工程師,Doug Mercer,顧問研究員)
免責聲明:本文為轉載文章,轉載此文目的在于傳遞更多信息,版權歸原作者所有。本文所用視頻、圖片、文字如涉及作品版權問題,請聯系小編進行處理。
推薦閱讀:
Honda(本田)與瑞薩簽署協議,共同開發用于軟件定義汽車的高性能SoC




