【導讀】I2C信號需要上拉電阻的原因與其工作原理密切相關。I2C是一種開放漏極(open-drain)或開集電極(open-collector)的通信協議,這意味著驅動器(主設備或從設備)只能將線拉低到低電平(邏輯0),但不能主動將線拉高到高電平(邏輯1)。
I2C信號需要上拉電阻的原因與其工作原理密切相關。I2C是一種開放漏極(open-drain)或開集電極(open-collector)的通信協議,這意味著驅動器(主設備或從設備)只能將線拉低到低電平(邏輯0),但不能主動將線拉高到高電平(邏輯1)。
在I2C通信中,SDA(數據線)和SCL(時鐘線)在空閑狀態下都應處于高電平。為了實現這一點,需要在總線的SDA和SCL線上添加上拉電阻。當總線上的所有驅動器都處于不工作狀態(高阻態)時,這些上拉電阻會將信號線拉升至電源電壓,確保線路保持高電平。
當需要發送低電平信號時,設備會通過將信號線連接到地,從而克服上拉電阻,使信號線達到低電平。當設備不再驅動線時,信號線會再次被上拉電阻拉回到高電平。
具體而言,上拉電阻的作用包括以下幾個方面:
確保信號線在空閑時保持高電平:I2C總線在空閑時要求信號線為高電平狀態,上拉電阻實現了這一功能。
防止浮空狀態:沒有上拉電阻時,SDA和SCL線在設備不驅動時可能處于不確定的狀態,上拉電阻可以防止這種浮空狀態,確保信號線有明確的電平。
適應多設備通信:I2C總線允許多個設備連接在同一條總線上,任何一個設備都可以驅動總線。上拉電阻使得每個設備都可以在不工作時保持總線的高電平,確保通信的可靠性。
因此,上拉電阻是I2C總線正常工作和通信穩定性的重要組成部分。
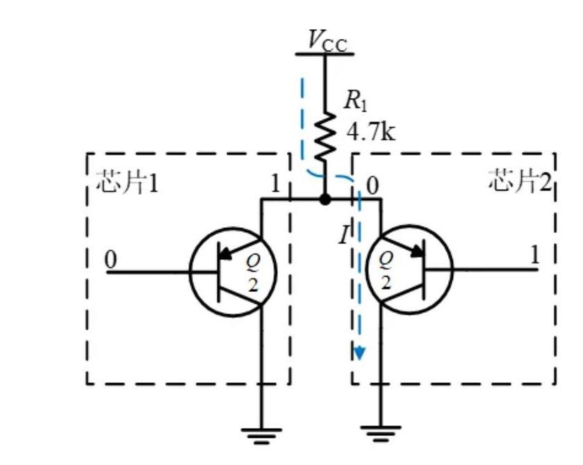
一些總線有輸出輸出接口,本質就是OC或OD的接口。I2C(Inter Integrated Circuit,內部集成電路)總線就是典型的OD輸出結構的應用,典型的I2C電路都有上拉電阻,如圖所示。

I2C接口的SCL與SDA都是OD輸出結構輸出,這樣的好處是可以作為雙向數據總線。OC、OD電路往往是剛剛說的輸入輸出管腳,然而一些總線的I/O就是一些雙向數據的信號,其實就是把輸入和輸出短接在一起,然后把輸出做成OC或OD。這樣處理不單用一根信號實現了雙向數據,既可以輸出又可以輸入,同時解決了雙向數據如果同時發送帶來的數據沖突的問題。
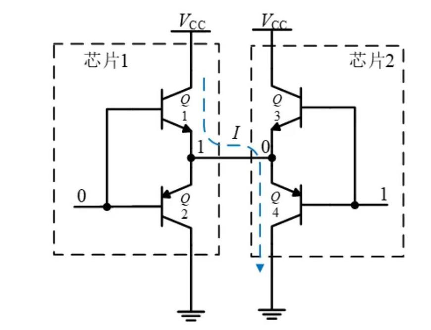
一般來說,芯片的輸出管腳是推挽結構。如果兩個芯片的推挽結構輸出管腳連接在一起,某一個時刻兩個芯片同為輸出,一個如果輸出為高、一個輸出為低,則可能出現短路的現象,工作中稱為“總線沖突”,如圖所示。用OC、OD電路可以避免短路,所有絕大多數總線都是采用這種方式設計,如I2C、LPC、PCI等總線的輸入輸出管腳都是這樣的管腳類型。當然也有些總線方式,I/O端口不需要外接,是芯片內置了上拉電阻。


I2C被設計成開放漏極(Open-Drain, OD)或開集電極(Open-Collector, OC)結構的原因主要與總線的多主機、多從機通信架構和信號線的共用特點有關。具體原因包括:
1. 支持多設備共用總線
I2C總線可以連接多個主設備和從設備,這就要求多個設備可以共享同一條SDA(數據線)和SCL(時鐘線)。如果信號線是由設備主動驅動到高電平或低電平(推挽結構),則當一個設備試圖驅動信號線為高電平而另一個設備試圖驅動信號線為低電平時,會發生電平沖突,可能會導致短路或其他問題。
開放漏極或開集電極結構允許多個設備將線拉低,而不會引起沖突。當所有設備都不工作時(即處于高阻態),上拉電阻會將信號線拉回到高電平。這樣,多個設備可以安全地共用同一條I2C總線,而不會發生沖突。
2. 簡化多主機仲裁
I2C協議允許多個主設備共用同一總線。在多主設備嘗試同時傳輸數據的情況下,需要進行仲裁。開放漏極/開集電極結構使得這種仲裁變得簡單可行。
仲裁過程是通過監視SDA線來完成的:每個主設備在發送數據時都監視SDA線。如果一個主設備試圖發送高電平,但監視到的是低電平(因為另一個設備在拉低SDA線),它就知道有另一個設備在傳輸數據,因此它將停止傳輸。這個過程使得仲裁成為可能,而不會導致信號沖突。
3. 簡化電路設計
使用開放漏極或開集電極的驅動方式可以簡化電路設計。因為設備只需要一個下拉開關來控制信號線的電平(拉低到地),而不需要額外的電路來推動信號線到高電平。這樣,電路更加簡單,也減少了功耗。
4. 適應不同電壓的設備
I2C總線的開放漏極/開集電極結構允許不同電壓的設備共用一條總線。例如,一個3.3V的設備和一個5V的設備可以通過上拉電阻連接到同一個I2C總線,并且上拉電阻可以選擇一個中間電壓(如3.3V或5V)來適應不同電壓的設備。
總的來說,I2C采用開放漏極或開集電極結構是為了實現多設備安全共用總線、支持多主設備仲裁、簡化電路設計以及兼容不同電壓的設備。這些特性使得I2C在簡單的雙線通信協議中具有很大的優勢。
免責聲明:本文為轉載文章,轉載此文目的在于傳遞更多信息,版權歸原作者所有。本文所用視頻、圖片、文字如涉及作品版權問題,請聯系小編進行處理。
推薦閱讀:
貿澤電子對FIRST創始人兼發明家Dean Kamen進行視頻專訪




