【導讀】在無線收發器等應用中,系統一般處于偏遠地區,通常由電池供電。由于鮮少有人能夠前往現場進行干預,此類應用必須持續運行。系統持續無活動或掛起后,需要復位系統以恢復操作。為了實現系統復位,可以切斷電源電壓,斷開系統電源,然后再次連接電源以重啟系統。
摘要
在無線收發器等應用中,系統一般處于偏遠地區,通常由電池供電。由于鮮少有人能夠前往現場進行干預,此類應用必須持續運行。系統持續無活動或掛起后,需要復位系統以恢復操作。為了實現系統復位,可以切斷電源電壓,斷開系統電源,然后再次連接電源以重啟系統。
本文將探討使用什么方法和技術可以監控電路的低電平有效輸出來驅動高端輸入開關,從而執行系統電源循環。
簡介
為了提高電子系統的可靠性和穩健性,一種方法是實施能夠檢測故障并及時響應的保護機制。這些機制就像安全屏障,能夠減輕潛在損害,確保系統正常運行。電源循環可以確保系統正常運行并提供保護,通常在系統無響應和不活動時工作,以使其能夠持續運轉。電源循環借助電源開關實現,該開關會先斷開電源輸入與下游電子系統之間的路徑,再閉合相關路徑以重啟系統。一旦系統的微控制器單元(MCU)無響應,并且持續不活動,系統就會進入復位模式,開始電源循環。
較常用于實現高端電源路徑或輸入開關的方法是使用MOSFET。N溝道或P溝道MOSFET均可用作輸入開關,每種開關的驅動要求各有不同。驅動N溝道MOSFET作為高端開關有點復雜,因此,通常會選用P溝道MOSFET。
監控電路通過監測電源電壓和/或使用看門狗定時器檢測是否存在脈沖,可以輕松檢測到系統是否處于不活動狀態。看門狗定時器功能增強了監控電路作為綜合保護解決方案的能力。一旦檢測到不活動狀態,看門狗定時器就會置位復位輸出,該輸出通常是低電平有效信號。此信號可用于將微控制器置于復位模式,或觸發不可屏蔽中斷,促使系統采取糾正措施。雖然低電平有效輸出主要用于復位微控制器,但在系統長時間無響應等情況下,也需要執行電源循環。為此,可以利用多種技術從監控電路低電平有效輸出驅動高端P溝道MOSFET輸入開關,從而獲得更出色的系統可靠性。
使用MOSFET作為高端輸入開關
圖1為一個應用電路,使用了高端輸入開關保護下游電子系統不受掉電故障影響。MOSFET支持根據應用需要,輕松選擇適當的電壓和電流額定值,是系統高端開關設計的理想器件。

圖1.高端輸入開關實現示例,可保護系統不受掉電故障影響
高端輸入開關可以是N溝道或P溝道MOSFET。柵極電壓較低時,N溝道MOSFET開關斷開,電源電壓連接隨之斷開。要使N溝道MOSFET完全閉合并將電源連接到下游電子系統,柵極電壓必須比電源電壓高,并且差值需至少等于MOSFET閾值電壓。因此,如使用N溝道MOSFET作為高端輸入開關,將需要額外配置電路,例如電荷泵。有些保護電路還集成了比較器和電荷泵來驅動高端N溝道MOSFET,同時保持解決方案的簡單性。使用P溝道MOSFET作為高端輸入開關不需要電荷泵,但極性相反。這種方法更簡單,因而成為許多應用的常用方法。
監控電路輸出驅動輸入開關
在電路中使用P溝道MOSFET時,先為柵極、源極和漏極端建立適當的偏置條件非常重要。柵源電壓(VGS)在控制MOSFET導通方面起著關鍵作用。對于P溝道MOSFET,柵極電壓必須比源極電壓低,并且差值需至少等于MOSFET閾值電壓。此負偏置確保P溝道MOSFET偏置到其有源區,使電流可以從源極流向漏極。此外,柵源閾值電壓(VGS(th))決定了在柵極和源極端子之間建立導電通道所需的最小電壓。對于P溝道MOSFET,VGS(th)通常指定為負值,表示相對于源極而言,柵極電壓需要足夠低才能導通。另一個重要考慮因素是漏源電壓(VDS),這是施加在漏極和源極端子上的電壓。MOSFET必須在規定的VDS限值內工作,以防止損壞器件。
電壓監視器或監控電路可以為其邏輯電平輸出提供兩種選擇:低電平有效和高電平有效輸出信號。前者“低電平有效”是指當輸入條件為真且得到滿足時,輸出置為低電平;而當輸入條件為假時,輸出置為高電平。后者“高電平有效”是指當輸入條件為真時,輸出置為高電平;而當輸入條件為假且未得到滿足時,輸出置為低電平。監控電路常用于復位微控制器,因此故障期間會使用低電平有效輸出將微控制器的復位引腳拉低。利用高電平有效輸出驅動P溝道MOSFET非常簡單,對于開漏拓撲來說尤為如此。

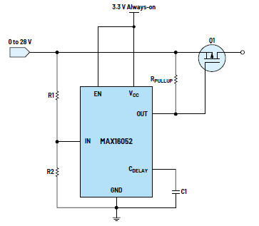
圖2.P溝道MOSFET用作高端輸入開關,可提供過壓保護
監控電路的高電平有效輸出連接到P溝道MOSFET的柵極。當監控的電壓低于指定閾值時,OUT引腳將柵極拉低,接通P溝道MOSFET。負載因此連接到電源電壓。當監控的電壓超過閾值時,OUT引腳變為高電平,P溝道MOSFET關斷,負載與電源電壓斷開連接。
圖2中,高壓可調時序控制和監控電路MAX16052用作過壓保護電路。該器件的OUT引腳直接連接到P溝道MOSFET的柵極。P溝道MOSFET的源極連接到輸入電壓,漏極連接到負載。外部上拉電阻連接在VCC和P溝道MOSFET柵極之間,以在OUT引腳為低電平時讓柵極保持高電平。
當監控的電壓低于MAX16052指定的固定閾值時,OUT引腳將柵極引腳拉低,導致P溝道MOSFET開關處于短路狀態或導通狀態。當監控的電壓超過閾值時,OUT引腳變為高電平,P溝道MOSFET關斷,負載與電源電壓斷開連接。
在某些應用中,期望的監控要求可能僅適用于低電平有效輸出。這意味著,當滿足監控條件時,輸出信號為低電平。在這些情況下,我們必須要借助一些技術來利用低電平有效輸出控制輸入開關。例如,系統32秒不活動后微控制器需要復位,128秒持續不活動后系統需要啟用電源循環,那么可以使用看門狗定時器的看門狗輸入(WDI)引腳來檢測不活動情況。當一段時間(看門狗超時時長tWD)內沒有檢測到脈沖或變化時,看門狗輸出(WDO)變為低電平。帶有看門狗定時器的MAX16155 nanopower電源監控器有多個型號,可以滿足所需的32 s和128 s看門狗超時時長要求。為了實現所需的功能,我們需要兩個看門狗定時器,一個用于復位微控制器,另一個用于啟動圖3所示的電源循環例程。其中要解決的主要挑戰在于需確定如何使用不同型號看門狗定時器的低電平輸出,以在不活動或系統無響應狀態下斷開輸入開關,實現電源循環。

圖3.使用了兩個具有不同看門狗超時時長的MAX16155看門狗定時器,分別用于軟復位和電源循環
NPN雙極結型晶體管用作驅動電路
驅動P溝道高端開關的一種方法是使用NPN雙極結型晶體管(BJT),如圖4所示。此電路形成一個逆變器,將來自看門狗輸出的低電平有效信號轉換為P溝道MOSFET開關所需的高電平邏輯信號。
當系統處于活動狀態時,MAX16155 WDO引腳的看門狗輸出處于空閑狀態,通常為高電平。然后會通過限流電阻網絡連接到驅動晶體管的基極引腳。WDO引腳的正常高電平輸出提供必要的基極-發射極電壓,作為NPN雙極結型晶體管的控制輸入。它在基極-發射極結上建立足夠的電壓,使晶體管進入導通狀態。
電阻分壓器連接到高端MOSFET開關的柵極引腳和源極引腳,以控制其柵源電壓(VGS)。該柵源電壓決定了MOSFET是保持導通狀態還是關斷狀態。當WDO引腳激活NPN雙極結型晶體管時,電流流過晶體管。這會將電阻分壓器拉低至GND,從而改變電阻分壓器結點處的電壓。然后,此電壓被施加到高端MOSFET的柵極引腳。這會產生一個電位差,柵極引腳的電位低于源極引腳的電位,導致MOSFET導通。當MOSFET處于導通狀態時,電源就被提供給系統微處理器或負載。圖5顯示了系統處于活動狀態,電源通過開關Q2提供的電流流動情況。
然而,當微處理器無響應或無法在MAX16155看門狗定時器的預定超時時長內提供輸入脈沖時,就會發生看門狗超時事件,WDO置為低電平。因此,NPN BJT Q1的基極被拉至地,導致其關斷。當Q1斷開時,P溝道MOSFET Q2上柵極和源極的電壓將大致相等,這足以使其關斷。

圖4.使用NPN雙極結型晶體管(Q1)從低電平有效輸出驅動P溝道MOSFET(Q2)

圖5.正常運行時的電流——系統處于活動狀態

圖6.系統不活動期間的電流流動——發生電源循環
如圖5所示,NPN雙極結型晶體管的集電極引腳連接到高端MOSFET兩端的電阻分壓器。由于NPN雙極結型晶體管處于關斷狀態,電阻分壓器結點和柵極上的電壓將大致等于源極引腳中的電壓。這將導致MOSFET的柵極和源極之間的電位差為零,從而無法滿足MOSFET Q2保持導通狀態所需的VGS閾值。因此,隨著MOSFET關斷,微處理器的3.3 V電源也被斷開,從而有效切斷微處理器或負載的電源。系統不活動和電源循環期間的等效電路和電流如圖6所示。
當WDO輸出脈沖寬度完成并返回高電平后,系統恢復正常運行。在此階段,微處理器恢復向WDI引腳發送常規輸入脈沖,以防更多看門狗超時事件發生。NPN雙極結型晶體管返回活動狀態,使高端MOSFET可以保持導通狀態,確保微處理器或負載的電源不間斷。圖7顯示了使用NPN雙極晶體管的電源循環事件期間的波形。如CH1所示,在WDI信號中未檢測到任何變化,這意味著系統處于不活動狀態。經過超時時長后,CH2中的WDO信號置為低電平,在此期間,高端輸入開關Q1斷開。因此,CH3中沒有測量到電壓,MCU也沒有電源電壓,系統開始重啟。CH4是負載消耗的輸出電流,該電流變為零安培,表明負載已與電源電壓斷開連接。

圖7.驅動電路中采用NPN雙極結型晶體管的信號(CH1—WDI信號;CH2—WDO信號;CH3—MCU電源;CH4—IOUT)
使用NPN雙極結型晶體管作為高端開關驅動器的主要優點之一是雙極結型晶體管的成本較低。然而,偏置NPN雙極結型晶體管需要借助電阻等附加外部元件進行適當調整。

圖8.使用N溝道MOSFET (Q1)從低電平有效輸出驅動P溝道MOSFET(Q2)
N溝道MOSFET用作驅動電路
另一種采用N溝道MOSFET的驅動電路可用來控制高端P溝道MOSFET。與使用雙極晶體管相比,這種方法有幾個優點。
N溝道MOSFET的低導通電阻可確保器件上的壓降非常小,因而功耗更低,能效更高。MOSFET的快速開關特性可縮短響應時間,監控系統的實時性能得以增強。MOSFET的另一個優點是開關損耗更低,工作頻率更高。這有助于實現平穩高效的操作并節省電量,對電池供電等類似應用非常有益。
此外,柵極驅動要求比雙極結型晶體管的要求更低,因此可以進一步簡化驅動電路,減少需要的元件數量。看門狗輸出可以直接驅動圖8所示N溝道MOSFET的柵極。WDO的上拉電壓應達到N溝道MOSFET的柵極閾值電壓VGS(th)才能正常工作。當系統處于活動狀態時,WDO的邏輯高電平輸出電壓將使Q1導通,進而Q2導通,向系統供電。與雙極晶體管的情況一樣,在系統不活動期間,WDO引腳的邏輯低電平輸出將關斷Q1并斷開Q2,從而切斷系統的電源電壓。使用N溝道MOSFET作為驅動電路時,電源循環期間的信號行為如圖9中捕獲的波形所示。
本文所討論的高端開關驅動方法不僅對無線收發器有益,而且對故障期間(例如功能和本質安全系統中的過壓和過流情況)需要通過電源循環例程來提供系統保護的其他應用也很有幫助。檢測級取決于發生電源循環所需的條件,既可以是檢測電壓故障的電壓監控器,或是防止過流的電流傳感器,也可以是其他技術。本文討論了如何使用具有低電平有效輸出的傳感器和電源監控器來實現電源循環,從而保護下游系統。

圖9.驅動電路中采用N溝道MOSFET的信號(CH1—WDI信號;CH2—WDO信號;CH3—MCU電源;CH4—IOUT)
結論
市面上有許多技術支持使用了來自監控電路的低電平有效信號來驅動高端開關,以實現電源循環。帶有附加元件的NPN雙極晶體管是一種成本較低的選擇,可滿足驅動P溝道MOSFET輸入開關的要求。另一方面,N溝道MOSFET方案需要的元件更少,更容易實現,但總體成本更高。N溝道MOSFET在用作高頻開關時也表現出不少優勢。這兩種方法都經過了充分驗證,可為系統電源循環設計帶來裨益。
(來源:ADI公司,作者:Ni?o Angelo Pesigan,產品應用工程師;Ron Rogelio Peralta,產品應用工程師;Noel Tenorio,產品應用工程師)
免責聲明:本文為轉載文章,轉載此文目的在于傳遞更多信息,版權歸原作者所有。本文所用視頻、圖片、文字如涉及作品版權問題,請聯系小編進行處理。
推薦閱讀:




