【導讀】晶閘管是一種具有S形電流-電壓特性的半導體器件。它們是一種帶有狀態存儲器的托管按鍵,當控制信號施加到晶閘管的輸入時,它們就會打開。當使用直流電時,可以通過去掉電源電壓來關斷晶閘管。晶閘管的一個重大且不可避免的缺點是它們具有低輸入阻抗,重要的是,它們不具有調整開關閾值的能力。
晶閘管是一種具有S形電流-電壓特性的半導體器件。它們是一種帶有狀態存儲器的托管按鍵,當控制信號施加到晶閘管的輸入時,它們就會打開。當使用直流電時,可以通過去掉電源電壓來關斷晶閘管。晶閘管的一個重大且不可避免的缺點是它們具有低輸入阻抗,重要的是,它們不具有調整開關閾值的能力。
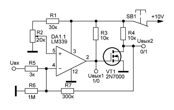
圖 1顯示了一個簡單的晶閘管類似電路,具有高輸入電阻和調節開關電壓的能力。兩款器件都包含 LM339 芯片的比較器 U1.1 作為有源組件。
圖 1具有可調開關閾值的晶閘管比較器模擬。
其工作原理如下。將控制信號施加到器件的輸入端(比較器的反相輸入端),其電壓超過切換比較器的閾值。該閾值通過在 0 至 4 V 范圍內調節電位器 R2 來設置。如果在提供輸入信號之前比較器輸出處的電壓接近器件的電源電壓(邏輯單元的電平),則切換后,比較器輸出端的電壓降至零,晶體管 Q1 2N7000 關閉。其漏極上的電壓從零切換到電源電壓。該電壓通過電阻器 R7 施加到比較器的輸入并捕捉其狀態。您可以通過使用 S1 按鈕短暫斷開電源電壓,將晶閘管模擬返回到其原始狀態。
圖 2晶閘管比較器模擬的變體。
圖 2顯示了晶閘管比較器模擬的簡化版本。輸入控制信號的脈沖通過肖特基二極管 D1 1N5817 饋送到比較器 U1.1 的非反相輸入端。在初始狀態下,在提供控制信號之前,比較器的輸出處的電壓為零。如果輸入電壓超過通過調節電位器 R2 在 0 至 1 V 范圍內設置的比較器開關電壓,比較器將進行開關。其輸出處將出現高電平電壓,該電壓通過電阻器 R5 進入比較器輸入并捕捉其狀態。
您可以通過按 S1 按鈕將設備返回到原始關閉狀態。
免責聲明:本文為轉載文章,轉載此文目的在于傳遞更多信息,版權歸原作者所有。本文所用視頻、圖片、文字如涉及作品版權問題,請聯系小編進行處理。
推薦閱讀:
在不影響系統性能的情況下延長電池壽命的 3 種低 IQ 技術



