【導讀】本文探討了物聯網電池技術。它描述了設計人員在電源方面面臨的一些問題,并提供了 Analog Devices 的解決方案。這些解決方案非常高效,可以幫助解決物聯網設備中的其他問題,包括尺寸、重量和溫度。
本文探討了物聯網電池技術。它描述了設計人員在電源方面面臨的一些問題,并提供了 Analog Devices 的解決方案。這些解決方案非常高效,可以幫助解決物聯網設備中的其他問題,包括尺寸、重量和溫度。
隨著物聯網設備在工業設備、家庭自動化和醫療應用中的使用越來越多,優化這些設備的電源管理部分的壓力越來越大——要么通過減小尺寸、提高效率、改善電流消耗,要么加快充電時間。所有這些都必須以小尺寸的形式實現,既不會對散熱產生負面影響,也不會干擾這些設備實現的無線通信。
什么是物聯網?
這個物聯網應用領域有許多不同的形式。它通常指的是一種智能的、聯網的電子設備,可能由電池供電,并將預先計算的數據發送到基于云的基礎設施。它利用處理器、通信 IC 和傳感器等嵌入式系統的組合來收集、響應數據并將數據發送回網絡中的中心點或其他節點。這可以是任何東西,從室溫的簡單溫度傳感器到中央監控區域一直到跟蹤非常昂貴的工廠設備的長期性能數據的機器健康監視器。
終,開發這些設備是為了解決特定的挑戰,無論是自動化通常需要人工干預的任務,如家庭或樓宇自動化,還是在工業物聯網應用中提高設備的可用性和壽命,或者如果您考慮在基于結構的應用程序(例如橋梁)中實施基于狀態的監控應用程序,甚至可以提高安全性。
示例應用程序
物聯網設備的應用領域幾乎是無窮無盡的。基于智能發射器的應用程序收集有關它們所在環境的數據,以做出有關控制熱量、觸發警報或自動執行任務的決策。此外,燃氣表和空氣質量測量系統等便攜式儀器可通過云向控制中心提供準確的測量結果。GPS 跟蹤系統是另一種應用。它們允許通過智能耳標跟蹤集裝箱和牲畜。這些只是云連接設備的一小部分。其他領域包括可穿戴醫療保健和基礎設施傳感應用。
一個重要的增長領域是工業物聯網應用,它是第四次工業革命的一部分。物聯網應用范圍廣泛,終都在嘗試盡可能多地實現工廠自動化,無論是通過使用自動導引車、射頻標簽或壓力計等智能傳感器,還是放置在工廠周圍的其他環境傳感器。工廠。
從 ADI 的角度來看,物聯網的重點在五個主要領域:
智能健康:支持臨床層面和消費者應用的生命體征監測應用
智能工廠:通過使工廠響應更快、更靈活、更精簡,專注于構建工業 4.0
智能建筑/智能城市:使用智能傳感實現建筑安全、停車位占用檢測以及熱電控制
智能農業:利用現有技術實現自動化農業和資源利用效率
智能基礎設施:基于我們基于狀態的監測技術來監測運動和結構健康
有關這些重點領域和支持它們的可用技術的更多信息,請訪問analog.com/IoT。
物聯網設計挑戰
在不斷增長的物聯網應用領域,設計師面臨的主要挑戰是什么?大多數這些設備或節點都是事后安裝或安裝在難以到達的區域,因此不可能為它們供電。當然,這意味著它們完全依賴電池和/或能量收集作為電源。
在大型設施周圍移動電力可能非常昂貴。例如,考慮為工廠中的遠程物聯網節點供電。運行新電源線為該設備供電的想法既昂貴又耗時,這基本上使電池供電或能量收集成為為這些遠程節點供電的剩余選項。
對電池電源的依賴需要遵循嚴格的功率預算,以確保電池的使用壽命化,這當然會對設備的總擁有成本產生影響。使用電池的另一個缺點是在電池壽命到期后需要更換電池。這不僅包括電池本身的成本,還包括更換和可能處置舊電池的潛在高昂人力成本。
關于電池成本和尺寸的額外考慮因素:很容易過度設計電池以確保有足夠的容量來達到通常超過 10 年的使用壽命要求。然而,過度設計會導致額外的成本和尺寸,因此不僅要優化功率預算,還要盡可能減少能源使用,以安裝仍能滿足您的設計要求的盡可能小的電池,這一點非常重要。
物聯網的力量
出于本次電源討論的目的,物聯網應用的電源可分為三種情況:
依賴不可充電電池供電的設備(原電池)
需要充電電池的設備
利用能量收集來提供系統電源的設備
如果應用程序需要,這些源可以單獨使用或組合使用。
原電池應用
不可充電電池應用適用于僅偶爾使用電源的應用——也就是說,設備偶爾會在返回深度睡眠模式之前通電,在該模式下它消耗的電量少。使用它作為電源的主要優點是它提供高能量密度和更簡單的設計,因為您不需要容納電池充電/管理電路,以及更低的成本,因為電池更便宜且需要更少的電子產品。它們非常適合低成本、低功耗應用。但是,由于電池的使用壽命有限,因此不太適合功耗稍高的應用。
考慮具有許多節點的大型 IoT 安裝。由于您有一名技術人員在現場為一臺設備更換電池,因此通常會更換所有電池以節省人工成本。當然,這是一種浪費,只會加劇浪費問題。重要的是,不可充電電池僅提供初制造它們所用電量的 2% 左右。約 98% 的能源浪費使它們成為非常不經濟的電源。
顯然,這些在基于物聯網的應用程序中確實占有一席之地。它們相對較低的初始成本使其成為低功耗應用的理想選擇。有許多不同的類型和尺寸可供選擇,并且由于它們不需要太多額外的電子設備來進行充電或管理,因此它們是一種簡單的解決方案。
從設計的角度來看,關鍵的挑戰是充分利用這些電源提供的能量。為此,制定功率預算計劃以確保電池壽命化非常重要,10 年是常見的壽命目標。
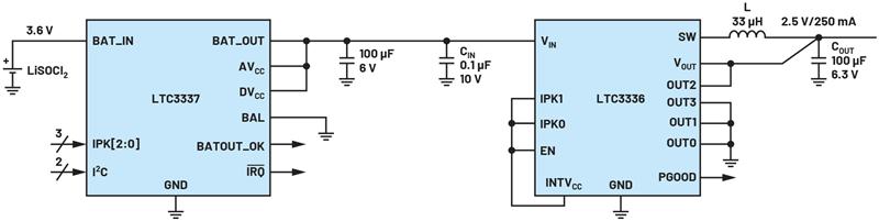
對于原電池應用,ADI 毫微功耗系列產品中的兩個部分值得考慮:LTC3337 毫微功耗庫侖計數器和 LTC3336 毫微功耗降壓穩壓器,如圖 1 所示。
LTC3336 是一款低功率 DC-DC 轉換器,輸入電壓高達 15V,具有可編程峰值輸出電流電平。輸入電壓可低至 2.5 V,非常適合電池供電應用。
在無負載情況下進行調節時,靜態電流極低,僅為 65nA。隨著 DC-DC 轉換器的發展,這很容易在新設計中設置和使用。輸出電壓根據 OUT0 至 OUT3 引腳的連接方式進行編程。
LTC3336 的配套器件是 LTC3337,這是一款納瓦級原電池健康狀態監視器和庫侖計數器。這是另一種易于在新設計中使用的器件——只需根據所需的峰值電流(在 5 mA 至 100 mA 范圍內)連接 IPK 引腳即可。根據您選擇的電池運行一些計算,然后根據數據表中注明的所選峰值電流填充推薦的輸出上限。
終,這是一對適用于功率預算有限的物聯網應用的設備。這些部件既可以準確監控原電池的能量使用情況,又可以有效地將輸出轉換為可用的系統電壓。

圖 1:LTC3337 和 LTC3336 應用電路
充電電池應用
讓我們繼續討論可充電應用。對于無法選擇電池更換頻率的更高功率或更高耗電的物聯網應用,這些是不錯的選擇。由于電池和充電電路的初始成本,可充電電池應用是一種成本較高的實施方案,但在電池經常耗盡和充電的高耗電應用中,成本是合理的并且很快就能收回成本。
根據所使用的化學物質,可充電電池應用的初始能量可能低于原電池,但從長遠來看,它是更高效的選擇,總體上浪費更少。根據電力需求,另一種選擇是電容器或超級電容器存儲,但這些更適合短期備用存儲。
電池充電涉及多種不同的模式和配置文件,具體取決于所使用的化學物質。例如,鋰離子電池充電曲線如圖 2 所示。底部是電池電壓,充電電流在垂直軸上。

圖 2:充電電流與電池電壓

圖 3:充電電壓/電流與時間的關系
當電池嚴重放電時,如圖 2 左側所示,充電器需要足夠聰明,將其置于預充電模式,以便在進入恒流模式之前將電池電壓緩慢升高至安全水平。
在恒流模式下,充電器將設定的電流推入電池,直到電池電壓升至設定的浮動電壓。
編程電流和電壓均由所使用的電池類型定義——充電電流受 C 倍率和所需充電時間的限制,浮動電壓基于對電池安全的電壓。如果系統需要,系統設計人員可以稍微降低浮動電壓以幫助延長電池壽命。
當達到浮動電壓時,充電電流降至零,并且該電壓會根據終止算法維持一段時間。
圖 3 為三單元應用程序提供了不同的圖表,顯示了隨時間變化的行為。電池電壓以紅色顯示,充電電流以藍色顯示。它以恒流模式啟動,電流為 2 A,直到電池電壓達到 12.6 V 恒壓閾值。充電器在終止計時器定義的時間長度內保持此電壓——在本例中為四小時窗口。這個時間在許多充電器部件上是可編程的。
有關電池充電以及一些有趣產品的更多信息,請閱讀模擬對話文章“適用于任何化學物質的簡單電池充電器 IC ”。
圖 4 顯示了多功能降壓電池充電器 LTC4162 的示例,它可以提供高達 3.2 A 的充電電流,適用于一系列應用,包括便攜式儀器和需要更大電池或多節電池的應用。它還可以用于從太陽能充電。

圖 4:LTC4162,一款 3.2A 降壓電池充電器
能量收集應用
在使用 IoT 應用程序及其電源時,另一個需要考慮的選項是能量收集。系統設計人員有幾個考慮因素,但不能低估自由能源的吸引力,特別是對于功率要求不是太苛刻且安裝需要不干涉的應用——即沒有服務技術人員可以得到它。
有許多不同的能源可供選擇,而且它們不需要是戶外應用來利用它們。可以收集太陽能以及壓電或振動能、熱電能,甚至射頻能。

圖 5:可用于各種應用的能源和近似水平
圖 5 提供了使用不同收集方法時的近似能量水平。
至于缺點,與之前討論的其他電源相比,初始成本更高,因為您需要收集元件,例如太陽能電池板、壓電接收器或珀耳帖元件,以及能量轉換 IC 和相關的啟用組件。
另一個缺點是整體解決方案的尺寸,特別是與紐扣電池等電源相比時。使用能量收集器和轉換 IC 很難實現較小的解決方案尺寸。
在效率方面,這可能是管理低能量水平的一個棘手問題。這是因為很多電源都是交流電,所以需要整流。二極管用于執行此操作。設計人員必須處理由其固有屬性導致的能量損失。當您增加輸入電壓時,這種影響會減輕,但這并不總是可能的。
大多數能量收集討論中出現的器件來自 ADP509x 系列產品和 LTC3108,LTC3108可容納范圍廣泛的能量收集源,具有多個電源路徑和可編程充電管理選項,可提供的設計靈活性。多種能源可用于為 ADP509x 供電,也可從該電源提取能量以為電池充電或為系統負載供電。從太陽能(室內和室外)到熱電發電機,從可穿戴應用中的體熱或發動機熱量中提取熱能的任何東西都可以用來為物聯網節點供電。另一種選擇是從壓電源獲取能量,這增加了另一層靈活性——這是從運行中的電機中提取能量的不錯選擇。

圖 6:采集應用中的ADP5090框圖
另一種能夠由壓電電源供電的器件是 ADP5304,它以極低的靜態電流(無負載時典型值為 260 nA)工作,非常適合低功耗能量收集應用。該數據表共享一個典型的能量收集應用電路(見圖 7),由壓電電源供電并用于為 ADC 或 RF IC 供電。
能源管理
與功率預算有限的應用相關的任何討論都應該包括的另一個領域是能源管理。在查看不同的電源管理解決方案之前,首先要為應用開發功率預算計算。這一重要步驟可幫助系統設計人員了解系統中使用的關鍵組件以及它們需要多少能量。這會影響他們選擇電池、可充電電池、能量收集或這些的組合作為電源方法的決定。
物聯網設備收集信號并將其發送回中央系統或云端的頻率是能源管理的另一個重要細節,它對整體功耗有很大影響。一種常見的技術是對電源使用進行占空比或延長喚醒設備以收集和/或發送數據之間的時間。
在嘗試管理系統能源使用時,在每個電子設備上使用待機模式(如果可用)也是一個有用的工具。

圖 7:ADP5304 壓電源應用電路
結論
對于所有電子應用,盡早考慮電路的電源管理部分很重要。這在物聯網等功耗受限的應用中更為重要。在此過程的早期制定功率預算可以幫助系統設計人員確定有效的路徑和合適的設備,以應對這些應用帶來的挑戰,同時仍然以較小的解決方案尺寸實現高能效。
免責聲明:本文為轉載文章,轉載此文目的在于傳遞更多信息,版權歸原作者所有。本文所用視頻、圖片、文字如涉及作品版權問題,請聯系小編進行處理。
推薦閱讀:
六大展區聚勢來襲,SEMI-e 掀半導體產業技術“芯” 浪潮




