【導讀】由于這些干擾源的幅度可能比目標信號高得多,并且與信號頻率范圍重疊,因此信號鏈設計應考慮到這一點。交流和直流耦合解決方案是兩種需要考慮的性能權衡方法,可能取決于設計要求和應用用例。例如,連續(xù)監(jiān)測系統(tǒng)(如身體佩戴貼片)的功率要求可能與使用腕戴設備進行的抽查測量完全不同。
由于這些干擾源的幅度可能比目標信號高得多,并且與信號頻率范圍重疊,因此信號鏈設計應考慮到這一點。交流和直流耦合解決方案是兩種需要考慮的性能權衡方法,可能取決于設計要求和應用用例。例如,連續(xù)監(jiān)測系統(tǒng)(如身體佩戴貼片)的功率要求可能與使用腕戴設備進行的抽查測量完全不同。
澄清一下,當我們在本系列中提到交流或直流耦合信號鏈時:
交流耦合: 高通濾波器/傳遞函數位于ADC采樣之前的信號鏈中的某個位置。
直流耦合: 在ADC采樣之前,模擬域中不存在高通濾波器/傳遞函數,但是可以在ADC之后實現數字高通濾波器。
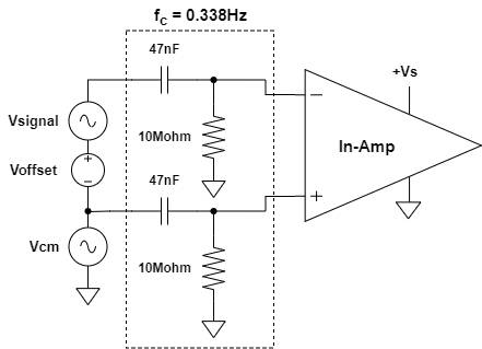
有時,術語“交流耦合”與圖1所示電路有關,其中隔直電容位于信號鏈的最前端。雖然這當然是一種選擇,但它有一些弱點需要考慮。選擇的電阻將限制輸入阻抗,在高阻抗傳感器或干電極的情況下,這可能導致輸入信號衰減。每個輸入端都需要一個濾波器來保持電路的差分平衡,因此這些元件的容差會影響濾波器的匹配程度,并降低共模抑制與頻率的關系,這是由于共模到差分轉換。圖1中的曲線顯示,在最壞情況下,所有無源元件的容差失配為5%,50/60Hz時的CMRR已經小于60dB,這是在考慮任何其他電極失配或儀表放大器(儀表放大器)性能之前。
圖 1 – 前端高通濾波器示例以及濾波器輸出端最壞情況下組件容差的相應 CMRR 與頻率的關系圖
現在,讓我們?yōu)g覽兩個示例信號鏈。在這兩種情況下,前端都將包括一個儀表放大器,利用高輸入阻抗、高CMRR和差分到單端轉換等特性。
交流耦合信號鏈
圖2顯示了一個交流耦合信號鏈示例,用于在存在大得多的直流偏移的情況下測量小的生物電勢信號。該直流失調和電源電壓的大小限制了儀表放大器的增益。然后,可以應用單端高通濾波器來抑制增益失調,從而為目標信號提供額外的增益級。還可以應用其他特定應用的低通濾波來消除高頻干擾源,例如EMG或50/60Hz。從噪聲角度來看,前端的增益越多,信號鏈中后續(xù)級的噪聲要求就越低。第二增益級的參考輸入(RTI)噪聲除以儀表放大器的增益,ADC的RTI噪聲除以兩個增益級。這允許使用較低分辨率和更低功耗的ADC。ADC采樣的最終信號主要是增益的生物電位信號,因為不需要的干擾源已被濾除。
圖 2 – 不同階段的交流耦合信號鏈和頻域信息示例
直流耦合信號鏈
圖3所示為直流耦合信號鏈的示例。直流失調限制了可應用的總系統(tǒng)增益,這意味著需要更高分辨率的ADC來實現所需的噪聲性能。圖中未顯示的是ADC之前的抗混疊低通濾波器,其截止頻率高于前面的交流耦合示例。在這種情況下,目標生物電勢信號占ADC采樣總信號的百分比要小得多,可以在數字域中進行進一步的后處理和濾波。
圖 3 – 不同階段的直流耦合信號鏈和頻域信息示例
圖4中的表格總結了設計交流或直流耦合信號鏈時需要考慮的權衡。另外,請注意,此信號鏈討論適用于目標信號頻率高于干擾源的任何應用。例如,電磁流量計解決方案可以類似于具有類似性能要求的生物電勢測量。
圖4 –交流和直流耦合信號鏈匯總表
(作者:david.plourde)
免責聲明:本文為轉載文章,轉載此文目的在于傳遞更多信息,版權歸原作者所有。本文所用視頻、圖片、文字如涉及作品版權問題,請聯系小編進行處理。
推薦閱讀:




