【導讀】儀表放大器可能不具備用戶要求的帶寬、直流精度或功耗。因而,在這種情況下,用戶可通過一個單放大器和外部電阻自行構建差分放大器,以替代儀表放大器。不過,除非使用匹配良好的電阻,否則這種電路的共模抑制比將很差。
儀表放大器可能不具備用戶要求的帶寬、直流精度或功耗。因而,在這種情況下,用戶可通過一個單放大器和外部電阻自行構建差分放大器,以替代儀表放大器。不過,除非使用匹配良好的電阻,否則這種電路的共模抑制比將很差。本應用筆記將探討構建分立的差動放大器并優化其性能的數種方法,同時還將推薦幾款可使解決方案的整體性價比能與單片儀表放大器相媲美的運算放大器產品。
一起來找“茬”(問題發現)
圖 1 為采用一個典型的由單放大器構建的差動放大器,該放大器與一個傳感器橋路相連。

圖 1
通過疊加原理可知,該電路的輸出為兩個輸入之差的函數。圖 1 所示電路的傳遞函數為:

下列情形下會出現一種特殊情況:當

等式(1)可以簡化為等式(2):

輸出等于兩個輸入之差乘以增益系數,該系數可設定為 1. 當電阻比匹配良好時,等式 2 成立。假定完美匹配電阻值 分別為:R2 = R4 = 10 kΩ,R1 = R3 = 1 kΩ,V1 = 2.5 V, V2 = 2.6 V,則有 VOUT = 1 V.
如上所述,圖 1 所示電路的缺點之一在于其共模抑制比較低,這是因電阻匹配誤差所致。出于討論方便和清晰考慮,我們重新畫出該電路圖,如圖 2 所示。

圖 2
電阻 R2 的公差引起的誤差為 R2 (1 – error)。通過疊加原理,同時使 R1 = R3,R2 = R4,在計算并進行排列之后,輸出電壓(VOUT)為:

根據等式 3,共模增益(Acm)和差分增益(Adm)可定義為:

從等式 4 可見,當電阻值不存在誤差(即 error = 0)時,則 Acm = 0,放大器僅對差分電壓作出響應,則為:

因此,當電阻比率誤差為零(error = 0)時,電路的共模抑制比將在很大程度上取決于所選放大器的共模抑制比。當電阻比率誤差不為零時,如圖 2 所示,電路共模抑制比可表示為:

當 R2 誤差極小時,以上等式中的第二項可忽略不計且:

對于 R2 = R4 = 10 kΩ,R1 = R3 = 10 kΩ且 error = 1%的單位增益分立差動放大器,其共模抑制比約為 46 dB。這比單片差動放大器(AMP03)的性能差得多,后者的共模抑制比如圖 3 所示。

圖 3. AMP03(單片差動放大器)共模抑制比與頻率的關系
如上所示,因電阻不匹配導致的誤差可能構成分立差動放大器的一大不足。但通過一些方法是可以優化這種電路的。
好辦法助你解決問題
? a. 在等式 3 中,差分增益與(R2/R1)之比成正比。因此,優化以上電路性能的一種方法就是盡可能將該放大器置于一種高增益配置中(在高增益設置中使用大電阻會引發噪聲問題,同樣需要解決)。
通過選擇阻值更大的 R2 和 R4(R2 = R4),以及阻值更小的 R1 和 R3(R1 = R3),可獲得的更高的增益,這樣共模抑制比越佳。舉例來說,當 R2 = R4 = 10 kΩ、R1 = R3 = 1 kΩ且 error = 0.1%時,則共模抑制比將得到改善,優于 80 dB。對高增益配置,請選擇 IB 極低、增益極高的放大器(如 ADI 公司出品的 AD8551 系列放大器),以降低增益誤差。電路的增益誤差和線性度是放大器性能的函數。

圖 4a. AD8605 的共模抑制比(其中 G = 1)

圖 4b.AD8605 的共模抑制比(其中 G = 10)
? b. 選擇公差更小和精度更高的電阻。電阻越匹配,共模抑制比越佳。例如,如果以上電路需要 90 dB 的共模抑制比,則電阻匹配公差應在 0.02 左右。這種情況下,電路的共模抑制比將不亞于某些高精度儀表放大器,只是它們的交流和直流特性更好。

圖 5a. OP1177 的共模抑制比(其中 G = 1)

圖 5b. OP1177 的共模抑制比(其中 G=10)
? c. 改善圖 1 所示電路共模抑制比的另一種方法是使用機械微調電位計,如圖 6 所示。

圖 6
借助這種方法,用戶可使用公差較低的電阻,但需要定期進行調整。
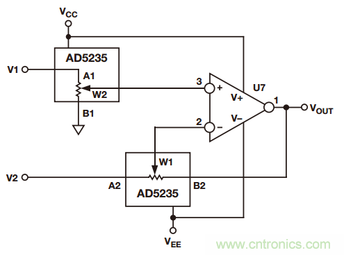
? d. 作為對精度要求不高的電路的替代途徑,可使用數字電位計,如圖 7 所示。AD5235(一種非易失性存儲器、雙路 1024 位數字電位計)配合 AD8628 構成一種差動放大器,其增益為 15(G = 15)。
通過使用電位計,能獲得編程能力,可一步完成增益設置和微調。這種電路的另一優勢在于,雙電阻(AD5235)的溫度系數為 50 ppm,使電阻比率匹配更為方便。根據電路所需精度和公差,也可選擇其它數字電位計。

圖 7

圖 8. 圖 7 所示電路的共模抑制比與頻率
? e. 使用雙路或四路放大器構建共模抑制比更佳、高輸入阻抗的儀表放大器。這是一種成本更高的解決方案,也是單片儀表放大器所用方法。應根據實際需要選擇相應的放大器,比如更出色的 BW、ISY 和 VOS,此類需求可能是儀表放大器所不能滿足的。
自穩零放大器,如 AD8628 和 AD855x 系列是此類應用的最佳選擇。這類放大器具有極高的直流精度,不會給輸出增加任何誤差。自穩零放大器具有長期穩定性,無需像某些系統那樣反復進行校準。自穩零放大器的最低共模抑制比為 140 dB,因而在多數電路中,電阻匹配將成為限制因素。因此,用戶最好根據上述指南來構建差動放大器并優化其性能。
免責聲明:本文為轉載文章,轉載此文目的在于傳遞更多信息,版權歸原作者所有。本文所用視頻、圖片、文字如涉及作品版權問題,請電話或者郵箱聯系小編進行侵刪。




