【導讀】基于AT91X40 系列的手持式觸摸屏具有體積小巧,功能強大,操作簡便等特點。可以消除當前手持式觸摸屏穩定性不高,性能不可靠的狀況,那么如何設計觸摸外部控制連接電路呢?具體方案如何?
基于當前手持式觸摸屏穩定性不高,性能不可靠的狀況,采用AT91X40 系列微控制器作為控制芯片,由于該芯片功能強大,集成度高,處理數據能力強,穩定性高,所以基于AT91X40 系列的手持式觸摸屏具有體積小巧,功能強大,操作簡便等特點。手持式觸摸屏的顯示和輸入設備選用了ADS7843 和SED1335 兩種主流觸摸和LCD 顯示芯片。通過現場的實驗驗證,基于AT91X40 系列的手持式觸摸屏穩定性高,工作可靠,具有實際應用價值。
觸摸控制芯片ADS7843的功能特性
ADS7843是4 線電阻觸摸屏轉換接口芯片。它是一款具有同步串行接口的12 位取樣模數轉換器。在125 kHz 吞吐速率和2.7 V 電壓下的功耗為750 μW,而在關閉模式下的功耗僅為0.5 μW。因此,ADS7843($1.8886) 以其低功耗和高速率等特性,被廣泛應用在采用電池供電的小型手持設備上。ADS7843($1.8886) 采用SSOP-16 引腳封裝形式,溫度范圍是-40~+85 ℃。ADS7843($1.8886)具有兩個輔助輸入(IN3、IN4),可設為8 位或12 位模式。其外部連接電路如圖3 所示, 該電路的工作電壓Vcc 在2.7~5.25 V 之間,基準電壓介于1 V~+Vcc。該電路基準電壓確定了轉換器輸入范圍,輸出數據中每個數字位代表的模擬電壓等于基準電壓除以4 096。平均基準輸入電流由ADS7843轉換率來確定。

圖3 ADS7843($1.8886) 外部連接電路
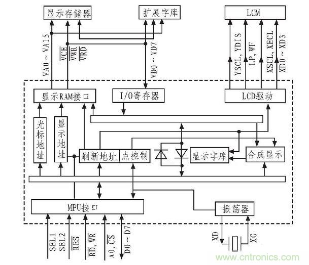
液晶顯示芯片SED1335 的結構和特點
液晶顯示器簡稱LCD, 由于液晶顯示器具有低損耗、低價格、壽命長、接口方便等優點,被廣泛應用于手機、照相機、計算機、智能儀器儀表等產品上。主要有兩種液晶顯示控制器。一種是將控制器集成在CPU 中,制成帶液晶顯示控制器的專用CPU。這種控制器的CPU 功能強大,外電路簡單,一般只適用于小規模LCD 模塊。另一種是專用控制器芯片。這種芯片具有較強的指令功能,與CPU 接口簡單,便于控制,驅動能力可達640 ×256 點陣。本系統液晶顯示控制芯片SED1335 具有功能較強的I/O 緩沖器和豐富的指令系統,可以并行傳送4 位數據,最大驅動能力達640×256 點陣,而且能夠實現圖形和文本格式混合顯示。它的結構包括接口部分、管理控制部分和LCD 顯示驅動部分。其電路原理如圖4所示。

圖4 電路原理圖
基于AT91X40 系列的手持式觸摸屏,具有體積小巧,功能強大,操作簡便等特點。手持式觸摸屏的顯示和輸入設備,采用了現在流行的觸摸屏。觸摸屏技術發展速度快,前景廣闊,目前已經得到廣泛應用,具有極大的研究價值。這個系統中,選用了ADS7843($1.8886) 和SED1335 兩種主流觸摸和LCD 顯示芯片。整個硬件的選擇突出了主流性、先進性,保證研究成果擁有一定實際價值。





