中心議題:
- 音頻功率放大器系統方案論證與選擇
- 音頻功率放大器系統總體設計方案及實現框圖
- 音頻功率放大器系統的設計
解決方案:
- 音頻功率放大器系統主要功能電路設計
- 音頻功率放大器系統的軟件設計
本文設計的基于D類功率放大的高效率音頻功率放大器系統實現了對音頻信號的放大處理,完成了高效率功率放大、信號變換、功率測量及顯示、過流保護等功能。系統性能良好,在功率及效率方面的指標較高。放大電路、信號變換、功率測量及短路保護等部分都收到了較好的效果。
1 系統方案論證與選擇
1.1 整體方案
方案①:數字方案。輸入信號經前置放大調理后,即由A/D采入單片機進行處理,三角波產生及與音頻信號的比較均由軟件部分完成,然后由單片機輸出兩路完全反向的PWM波給入后級功率放大部分,進行放大。此種方案硬件電路簡單,但會引入較大數字噪聲。
方案②:硬件電路方案。三角波產生及比較、PWM產生仍由硬件電路實現,此方案噪聲較小、且幅值能做到更大,效果較好,故采用此方案。
1.2 三角波產生電路設計
方案①:利用NE555產生三角波。該電路的特點是采用恒流源對電容線性沖、放電產生三角波,波形線性度較好、頻率控制簡單,信號幅度可通過后加衰減電位器控制。
方案②:對方波積分產生三角波。積分器與比較器級聯,通過對比較器產生的方波積分得到三角波,頻率與幅值控制只需調整某些電阻值,控制簡單。但考慮積分電路存在積分漂移。
此處采用選擇方案①。
1.3 PWM波產生方案設計
方案①:直接比較。取偏重與輸入音頻信號信置相同,幅度略大的三角波信號與音頻信號直接比較,產生PWM波,后再經反向器產生一路與之完全反向的PWM波信號給后級放大電路。
方案②:雙路比較。用兩路偏置不同的三角波信號與音頻信號的上下半部分別比較。此種方案可減少后綴H橋電路中CMOS管的開合次數,減少功率損耗,提高效率。
方案③:將音頻信號直接反向。在對音頻輸入信號進行放大調理后直接將其反向,再對處理后信號分別進行三角波比較,從而產生兩路反向的PWM波。
因方案②的效率較高且對抑制共模噪聲有一定作用,故選用方案②。
1. 4 短路保護方案設計
方案①:電流互感器法。用電流互感器感應出通過負載電阻的電流,在對此電流進行處理,以判斷電路過不過流。
方案②:采樣電阻法。將一小值電阻串入電路中采出系統流過負載的電流,以判斷電路過不過流。該方案實現簡單,且接入小值電阻對此系統影響很小,故采用此方案。
2 系統總體設計方案及實現框圖
如圖1所示為系統的整體實現框圖,系統由高效率功率放大、信號變換電路、過流保護及功率測量4個主要模塊組成。其中最核心的高效率功率放大器又由前置放大、三角波產生電路、比較器電路、驅動電路、H橋互補對稱放大5部分構成。輸入音頻信號經過前置放大電路進行放大調理后,分上下部與兩路三角波信號進行比較,得到兩路相互對應的PWM波;即對音頻信號進行脈寬調制,而后經驅動電路增加其信號的驅動能力,再給入H橋模塊,利用占空比的變化控制功率開關管的導通與截止,實現功率放大,之后再對負載上的輸出進行低通濾波濾出原音頻信號。在負載上將信號給入信號變化電路,將雙端信號轉化為單端信號,經一截止頻率為20 kHz的RC濾波器后接測試儀表測試。同時在此處將單端信號真有效值檢波,經AD采樣后送入單片機內進行功率計算及顯示。系統還有過流保護功能,0.1Ω采樣電阻與負載串聯,采出流過負載的電流值,經放大比較后,用繼電器控制功率放大部分的供電,從而實現保護作用。系統最大不失真輸出功率大于等于1 W,可實現電壓放大倍數1~20連續可調,因采用D類放大方案,可達到較高的效率,輸出噪聲很小,功率顯示誤差很小。

圖1 系統整體框圖
[page]
3 主要功能電路設計
3.1 前置放大模塊
前置放大電路采用高效率、軌對軌、低噪聲運放芯片OPA350構成同相寬帶放大電路。信號輸入端串聯電容達到隔直耦合作用。同時因單電源供電,在運放同向端給2.5V偏置。設置反饋電阻為電位器,可動態改變放大器的增益1~20倍增益連續可調。
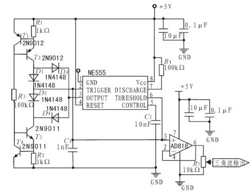
3.2 三角波產生電路
三角波產生電路如圖2所示。采用NE555芯片構成三角波電路,通過恒流源對電容C1實現線性充放電從而獲得三角波。開始工作時,555芯片3號腳為高電平,二極管D4導通,D3截止,從而D1導通,D2截止,由T1、T2、R1構成的恒流源通過D1對C1線性充電,當充電使C1兩端電壓達到2/3Vcc時,3號腳輸出電平發生反轉,變為低電平,此時D1、D2、D3、D4導通狀態也完全相反,由下方T3、T4、R2構成的恒流源通過D2對C1線性放電,當放電使C1兩端電壓達1/3Vcc時,3號腳又反轉為高電平,如此循環往復,實現周期三角波信號產生。由C1兩端引出輸出,即可得到線性度良好的三角波信號,后接一級同相跟隨器已達到前后級隔離的目的。C1采用漏電流低、響應速度快的聚苯乙烯電容,保證較好性能。

圖2 三角波產生電路
三角波頻率、幅值計算如下:記通過電阻R1、R2的充放電電流為Io,此處Io=Vbe/R(其中Vbe為三極管的導通電壓),則有

三角波周期T=t1+t2,頻率為f=1/T,此電路經實測產生三角波頻率為120 kHz(會與計算值有所偏差,因為三極管導通壓降不嚴格為0.7 V)。
3.3 雙路比較器電路(PWM波產生電路)
雙路比較器電路采用低功耗、可單電源工作的雙路比較器芯片LM393構成。此處為提高系統效率,減少后級H橋中CMOS管不必要的開合,用兩路偏置不同的三角波分別與音頻信號的上半部和下半部進行比較,產生兩路相互對應的PWM波信號給后級驅動電路進行處理,雙路比較波形圖如圖3所示。此處值得注意的是將上半部比較處理為音頻信號接比較器的負向端、三角波信號接正向端;下半部比較則相反,這樣形成相互對應,在音頻信號的半部形成相應PWM波時,另半部為低電平,可保征后級H橋中的CMOS管沒有不必要的開合,以減少系統功率損耗。利用電位器將上半部比較三角波偏置調至3 V,下半部比較三角波偏置調至2 V.還需注意,三角波信號應比需比較范圍內的音頻信號幅度稍大一些,且偏置調節要較準確,以防音頻信號某些點比較不到,后續濾波還原原信號時產生失真。

圖3 雙路比較波形圖
[page]
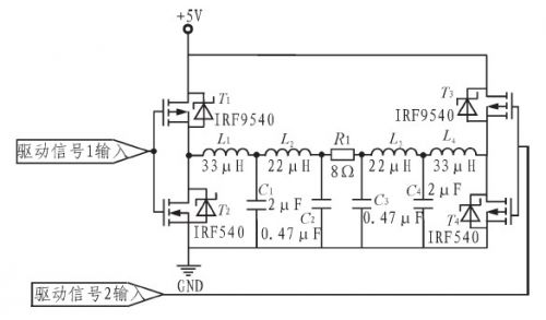
3. 4 H橋互補對稱輸出電路(后加四階巴特沃斯濾波)
H橋互補對稱電路如圖4.采用低導通電阻、開關速率快、受溫度影響小的場效應對管IRF9540和IRF540組成互補推挽放大電路。運用對稱輸出方式,充分利用電源電壓,浮動輸出載波峰峰值量大可達10 V,有效地提高了輸出功率。

圖4 H橋互補對稱輸出電路
經H轎互補對稱電路放大后的兩路信號分別通過一四階巴特沃斯濾波器低通濾波,從而濾去高頻載波,得出放大后的音頻信號加在8 Ω負載兩端。濾波器上線截止頻率約為20 kHz,通頻帶內特性平坦,效果較好。注意此處應選擇大功率電感,否則會對信號幅值有削減作用,不能達到較高功率。
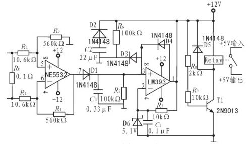
3. 5 短路保護模塊
短路保護電路如圖5.將一0.1Ω小電阻接入系統中,與8 Ω負載電阻串聯,通過對采樣電阻兩端取樣電壓進行放大,而后再與設定的基準電壓進行比較從而控制功效部分的供斷電,起到保護作用。放大部分采用芯片NE5532構成減法放大器,放大的同時可將電阻兩端的雙端信號變為單端信號,放大器放大倍數為:
![]()
經過放大后的信號經過由D1、C1、R5組成的峰值檢波部分,檢出信號幅度值送至比較器與設定的基準電壓進行比較。比較器選用低功耗、響應速度較快的雙路比較芯片LM393.比較器負端用穩壓管D6及C3、R7設置為5.1V,比較器接成遲滯比較方式,一旦過流,即可自鎖。此時比較器輸出的高電平使三極管T1導通,繼電器的地控制端與地聯通,繼電器吸合,切斷功放部分的供電,達到保護目的。因比較器自鎖,所以在解決過流問題后,關斷保護模塊的電源,才能重新進入保護狀態。D2、D3、R6、C2組成開機延時電路,在斷電后,C2通過D2快速放電,防止開始瞬間C2上的殘余電壓對3號腳影響,防止比較器在非正常狀態下進入自鎖狀態,使保護模塊不能發揮正常作用。

圖5 短路保護電路
[page]
3. 6 功率測量及顯示電路(有效值檢波及AD轉換電路)
功率測量電路采用真有效值檢波芯片AD637檢出信號真有效值,再經12位串行接口、20kHz采樣率AD芯片ADS1286采樣后邀至FPGA內由程序進行處理,計算出功率并顯示。如圖6所示。

圖6 功率測量及顯示電路
輸入綴用OPA604構成一射極跟隨器已達到隔離前后級的作用。改變平均電容的值可設定平均時間常數,并決定低頻準確度、輸出波紋的大小和穩定時間。交流波紋分量可以用增大此電容的值來減少,但這樣會使建立時間增大,所以選擇用后接一個二階有源低通濾波器的方法來減少輸出的紋波。得出真有效值后直接給入ADS1286進行模數轉換,再由FPGA處理,計算出系統的輸出功率并進行顯示。
4 系統軟件的設計
根據題目要求,要實現對系統功率的測量和顯示功能,硬件上采用8位CPU AT89S52,通過C51編程實現。單片機圭要完成對ADS1286的控制、采入數據、計算功率和送顯示的功能。而FPGA(采用Atera公司的Cyclone系列的EP1C6QC240)則作為一個總線控制器,對液晶和A/D與單片機之間的數據交換進行管理。采用VerilogHDL語言在Quartus9.1的環境下編程實現。
5 測試方法和結果
5.1 測試儀器
15 MHz函數信號發生器 型號:Agilent33120A
數字示波器 型號:Tektronix TDS 1002,雙通道,60 MHz
直流電源 型號:SG173SB3,穩壓穩流型
四位半數字多用表 型號:Fluke 45 dual display multimeter
5.2 測試方案及結果分折
1)功率顯示誤差測量用Agilent信號源給出輸入音頻信號,示波器在單端輸出測試點測負載上電壓峰值Vo,據式計算出實際功率,進而計算出顯示誤差,結果見表1所示。

表1 放大電路通頻帶性能測試數據表
從表中數據可知,系統功率顯示模塊具有4位數字顯示,精度優于5%,且誤差較小。
[page]
2)噪聲 用Agilent信號源給出輸入音頻信號(保證信號頻率20 kHz以下),用0.1μF電容進行輸入端對地交流短路,用示波器在輸出端測量噪聲大小。此時測得噪聲為2.96mV.
3)效率測量 用直流電源對功放電路單獨供電,以便測試效率。供電電壓+5 V.用與測通頻帶相同的方法給出給出輸入信號,用示波器觀察輸出信號幅值,調整輸出為200 mW及500 mW,將四位半數字多用表串入放大器電路中,測出電路電流I.根據式計算出功率放大器效率,結果見表2所示。

表2功率放大電路效率測試數據表
從表中可以看出,在輸出功率為500mW時,功率放大電路效率高達64.10%,大大滿足了題目要求;在輸出為200 mW時,效率也達到了43.96%.系統可以實現高效率音頻放大。
4)過流保護測量用與測通頻帶相同的方法給出給出輸入信號,用示波器觀察輸出信號幅值,將負載兩端短路,可看到短路模塊警示燈亮,功率放大部分的電源被切斷,輸出變為零,達剄保護目的。
6 結論
系統實現了對音頻信號的放大處理,完成了高效率功率放大、信號變換、功率測量及顯示、過流保護等功能。系統性能良好,在功率及效率方面的指標較高。放大電路、信號變換、功率測量及短路保護等部分都收到了較好的效果。尤其在功率方面可達到1.16 W,效率可達到64%,噪聲很低,功率測量顯示誤差較小。操作簡單,人機交互靈活。






