中心議題:
- 減小升壓型開關電源待機功耗的兩種方法
解決方案:
- 在輸入輸出端之間設置開關
- 采用變壓器進行隔離
通常開關型降壓變換器的開關晶體管是串接在電路中的,而開關型升壓變換器的開關晶體管則是與負載并聯的,與負載串聯連接的元器件是電感線圈和二極管。所以若把這兩種變換器用做備份,當電源處于待機狀態時,降壓變換器由于開關晶體管將輸人輸出端的通路切斷,待機功耗很小,消耗電流在1uA以下。但升壓變換器則不然。由于開關管雖然截止但并沒切斷輸人輸出端之間的直流通路,電池仍然會經電感線圈和二極管與輸出端的電容器、電壓檢測電阻形成直流回路,流過的電流在數十微安左右,另外在負載上也會流過電流,電流的大小因電路而異。
為了減小這種電流損耗,可以采用下面的兩種方法。
1.在輸入輸出端之間設置開關
在輸入輸出端之間的線路上設置開關,待機時將Vin和Vout進行分離。開關可以采用繼電器一類機械開關,也可以采用MOSFET構成的電子開關。
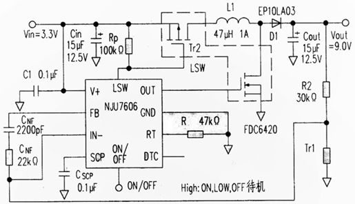
最近廠家生產出了帶負載切斷功能的升壓型變換器IC,使用時采用圖1所示的電路。在待機時借助于P溝道MOSFET Tr2的截止,切斷輸入端和輸出端的直流通路。

圖1 在輸入輸出端之間設置開關
2.采用變壓器進行隔漓
如圖2所示,在輸入端和輸出端之間不再使用電感線圈而是改用變壓器。在待機時開關管Tr1截止,電路被切斷,可以將開關電源的待機電流控制在1uA以下。

圖2 采用變壓器進行隔離




