中心議題:
- HDMI兼容性測試的常見故障及解決方法
自從HDMI標準于數年前發布以來,這項標準已經得到了廣泛的采用。為了貼上HDMI標志,所有HDMI產品都必須通過HDMI兼容性測試(HDMI CT)。而為了節省時間與金錢,客戶在將其HDMI產品送到授權測試中心(ATC)進行認證之前,應當進行預測試。本文根據ADI公司HDMI CT實驗室進行眾多預測試獲取的經驗,討論導致產品HDMI兼容性測試失敗的最常見系統設計問題。另外也會分析特定的故障情況,并提供解決方案。
幾乎所有的設備,包括電視機和DVD機在內,都并非第一次就通過認證測試。其中大多數故障與系統設計和PCB布局布線有關。為了通過HDMI兼容性測試,有時候需要一些特殊的功能。例如,可能需要在來源設備中啟用或禁用HDCP(高清內容保護)功能。為了設計符合HDMI標準的產品,IC和系統設計公司以及制造商都必須充分了解HDMI規范和兼容性測試規范(HDMI CTS)。以下列舉了最常見的故障以及相應的建議解決辦法。
EDID測試
來源設備必須支持“增強型DDC”規范,這意味著來源設備必須能夠利用“段指針0x60”來讀取256字節之后的EDID信息。大部分情況下只有256字節用于EDID,但HDMI兼容性測試要求檢查系統能否讀取4個模塊(128字節/模塊),即總共512字節。為了通過HDMI兼容性測試,段指針必須滿足這一要求。
HDMI發送器(Tx)的5V電源
有些客戶利用一個串聯電阻或二極管來限制5V輸出的電流。在HDMI兼容性測試中,HDMI Tx的5V電源測試要求從+5V電源引腳吸取55mA電流。這可能引起測試失敗,因為電源輸出必須介于4.8V至5.3V之間才能通過。圖1顯示,當連接一個10Ω的電阻時,輸出降至4.45V,因此沒有通過測試。
![]()

圖1 +5V電源 當連接一個10Ω的電阻時,輸出降低,導致測試失敗
HDMI Tx DDC/CEC線測試
必須正確連接消費電子控制(CEC)線(HDMI連接器的引腳13)。如果系統在設計上不支持CEC功能,設計師可以讓該連線懸空。有時候,人們想將CEC線連接到視頻信號處理(VIP)芯片的通用I/O來支持未來可能的擴展。這種情況下,設計師必須確保該連接滿足HDMI兼容性測試準則,包括使DDC線最大電容小于100pF。
HDMI來源設備需支持的視頻格式
HDMI規范要求所有的HDMI來源設備必須支持下列格式之一:640480p @59.94/60Hz、720480p @59.94/60Hz¼或720576p @50Hz。設計HDMI來源設備時,有時還必須注意另一個要求:如果來源設備上任何一個YPbPr或其他非壓縮數字端口能夠支持下列格式,則該設備上的HDMI端口也必須予以支持。
1280 720p @59.94/60Hz
1920 1080i @59.94/60Hz
720 480p @59.94/60Hz
1280 720p @50Hz
1920 1080i @50Hz
720 576p @50Hz
[page]
HDMI來源設備(HDMI Tx)與DVI接收設備(DVI Rx)之間的兼容性
HDMI規范要求所有的HDMI來源設備與兼容DVI 1.0標準的接收設備兼容。當HDMI來源設備連接到DVI接收設備時,必須滿足下列要求:
- 發送的視頻格式為RGB
- 不發送視頻保護頻段
- 不發送數據島(Data Island)
當來源設備檢測到有接收設備插入時,它應假定接收設備是DVI設備。與此同時,來源設備將檢查接收設備的EDID是否包含CEA擴展,以及CEA擴展是否包含具有有效長度的VSDB(供應商專用數據塊)。如果都包含的話,來源設備將認定所連接的接收設備是HDMI設備。
HDMI接收器(Rx)的EDID測試
該測試的通過率非常低。所以,設計師自己應該熟悉最新HDMI規范的EDID要求。下面列舉導致失敗的一些常見錯誤。
1. 在EDID的前128個字節中,必須提供“監視器距離限制表頭”和“監視器名稱表頭”,這兩個表頭均為18字節。如果任一個的內容短于18字節,則必須用0x20來填補,并以0xA0結束。
2. EDID中的“短視頻描述符(SVD)”與“能力聲明表(CDF)”支持的視頻格式不相符。CDF中聲明的任何格式都必須在EDID的SVD中列出。
為了簡化系統設計,一些設計師通過一個1K電阻,直接將HDMI輸入端的+5V電壓連接到HDMI Rx的HPD引腳。在這類設計中,當系統處于待機模式或者交流電源斷開時,將無法讀取EDID EEPROM,HPD引腳電壓可能會保持高電平,這將導致HDMI兼容性測試失敗,因為HDMI兼容性測試規范要求在HPD引腳電壓為高電平時,必須能夠訪問和讀取EDID,即使斷開交流電源或者系統置于待機模式也是如此。在后面的部分中將提出解決這類問題的參考設計。
HDMI Rx TMDS差分阻抗
大量設備沒有通過這項測試,雖然大多數系統設計師都知道有關輸入差分阻抗的要求。絕大多數情況下,系統不能通過這項測試的原因是輸入ESD保護器件或EMI扼流圈的寄生電容太大。大部分高速信號ESD防護器件制造商都為客戶提供了具有阻抗特性的系統PCB布局布線參考設計。對于該測試,系統PCB布局布線將會影響測試結果。如果失敗,用戶則要重新設計PCB,這將影響生產進度和產品的上市時間。
請注意,在HDMI CTS V.1.3中,通過該測試的標準與HDMI CTS V.1.2不一樣。與以前的CTS一樣,直通連接的阻抗值要求仍然是100Ω±15%,但允許單次偏移的最大值/最小值達到100Ω±25%,不過持續時間短于250ps。
HDMI Rx DDC/CEC線電容和電壓
這項測試的失敗率最高,原因是用于電平轉換的MOSFET的電容太高。為了避免失敗,建議在DDC線上采用Ciss和Coss小于10pF的MOSFET。
HDMI Rx CEC線的連通性
當HDMI系統有多個HDMI輸入時,對于非獨立的CEC線,HDMI規范要求來自所有HDMI輸入(如有)的CEC線能夠與一個HDMI輸出(如有)相互連通。該測試的CTS要求小于5Ω。即便是不支持CEC的系統,也要求輸入CEC線能夠互相連通。
[page]
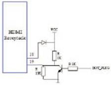
HDMI Rx HPD輸出電壓
某些客戶使用圖2所示的電路來利用HDMI連接器提供的5V電壓,并利用VCC為HPD提供所需的5V電壓。這就違反了規范的要求,即當HDMI 5V輸入為0V時,HPD電壓應該高于0V但低于0.4V。解決這一問題的最簡單方法是將一個1K電阻串聯連接到HPD引腳。圖3所示的簡單開關電路也能解決問題,其功能是控制HPD引腳,并在下游的接收設備已準備好時通知來源設備,或者決定來源設備是否應該重新啟動某些功能,如高清內容保護(HDCP)身份驗證。這將大大提高系統兼容性。

圖2 HPD輸出電
利用來自HDMI連結器的5V電壓和VCC來提供HPD所需的5V電壓,這種方式違反了HDMI兼容性測試要求。

圖3 HPD輸出電壓
將1 K電阻與HPD引腳串聯連接的開關可以解決這個問題。
HDMI Rx視頻格式支持
這項測試的一個常見故障是某些系統無法滿足所有HDMI接收設備都必須能夠接收640 480p @59.94/60Hz格式的要求。針對60 Hz視頻設計的系統必須能夠支持720 480p @ 59.94/60Hz的輸入格式,針對50Hz視頻設計的系統必須能夠支持720 576p @50Hz的輸入格式。在ADI實驗室測試過的來源裝置中,有許多客戶都忽略了支持640 480p視頻格式的要求。
對視頻格式時序偏差的容錯度較小,也是導致測試無法通過的另一個常見原因。該測試覆蓋所有支持的視頻格式。支持50Hz的系統必須能夠容忍49.75Hz至50.25Hz(50Hz 0.5%)之間的時序變化。支持59.94Hz或60Hz的系統必須能夠容忍59.64Hz至60.3Hz((59.94Hz "0.5%至60Hz +0.5%)之間的時序變化。
針對無線中繼器的新測試要求
在最近的6到9個月時間,無線中繼設備增長迅速。HDMI Licensing LLC已針對這類無線設備發布了測試指南。如果無線中繼器支持高帶寬數字內容保護(HDCP),則設備必須按照HDMI中繼器的要求進行測試。如果設備不支持HDCP,則設備既可以按照中繼器的要求進行測試,也可以按照獨立來源和接收設備的要求進行測試。如果無線設備是CEC根設備,則可以不進行“物理地址”測試。
結束語
如上所述,為了確保產品符合HDMI規范,通過HDMI兼容性測試是一個基本而且重要的步驟,它還有助于改進不同廠商的產品之間的互通性。針對最常見的HDMI兼容性測試故障提供解決方案,不僅能夠為消費電子客戶提供高品質的HDMI接口產品,而且有助于他們設計出高兼容性的系統。



