【導讀】無線傳感器節點正越來越多地應用于我們的日常生活中,因為它們適合在多種多樣以及難以到達的環境中使用。它們不需要接通電源,因為它們通常都連接到電池。
無線傳感器節點正越來越多地應用于我們的日常生活中,因為它們適合在多種多樣以及難以到達的環境中使用。它們不需要接通電源,因為它們通常都連接到電池。然而,電池的續航能力是有限的,電量用完的電池必須進行更換或充電,但更換電池需要花費時間和精力,并可能產生非常高的成本。如果能延長電池續航時間,就可以避免這樣的問題,同時還意味著長壽命應用也可以使用獨立的傳感器節點。這可以借助能量收集來實現。能量收集器可以從環境中收集可用的能量,如機械能、熱能或光伏能量,并將其轉化為電能。本文將展示不同的能量收集技術和有效存儲所收集的能量所需的電路。
能量收集技術
無線傳感器節點 (WSN) 可以感知、處理和傳輸特定的參數。它們對于環境和結構監測具有重要意義,在醫療領域也應用于監測人體健康。它們通常由電池供電,并且經常長時間使用,所以電池續航時間對它們而言至關重要。
這些傳感器節點通常用在難以到達的地方,要在電量用完時進行充電或更換電池,會是一件非常昂貴的事情。目前有多種方法可以降低WSN能耗并大幅延長電池續航時間,包括調節WSN內部的功耗,以及通過編程的方式根據忙閑度來控制其運行,使之在通常情況下持續運行在低功耗模式(深度睡眠)下,只在較短的時間內激活以便執行數據采集、計算、測量和通信等任務。
許多新興應用都需要數十年的網絡壽命,僅靠電池已經難以滿足需求。如果要將無線傳感器部署到運行時間超出電池續航能力的長期應用中,可以通過能量收集器來延長電池續航時間,確保WSN能夠自我供電,最終達到所需的續航時間,具體實現方式如(圖1)所示。

圖1:由能量收集供電的無線傳感器節點示意圖(圖源:貿澤電子)
要借助能量收集器為WSN供電,首先要調查可用的環境能量來源,主要包括光、熱、機械振動、射頻 (RF) 和風。要將從這些能量來源收集的能量轉變為電能,需要采用相應的換能裝置,例如通過光伏電池收集室內照明能量、通過壓電元件收集振動能量,以及通過熱傳導發電機 (TEG) 收集溫差能量。隨后,需要通過電源管理電路將收集的能量儲存到電池或超級電容中。
電源管理
電源管理電路的目的是將能量收集器與傳感器節點連接起來,同時盡可能高效地轉化收集到的能量。在電源管理電路中,首先要考慮的是收集器的輸出電壓,因為不同類型能量收集器的輸出電壓是不同的,例如熱傳導發電機輸出的是毫伏級別的直流電壓,而壓電發電機輸出的是幾伏到幾十伏的交流電壓。對于后者,電源管理電路必須對能量收集器的輸出進行整流,并將電壓轉換至1.8V到3.6V之間,也就是傳感器節點的標準工作電壓。此外,電源管理電路的內部阻抗必須匹配壓電發電機的阻抗(通常為數千歐至數兆歐),從而盡可能高效地傳輸能量。
整流
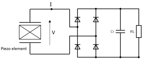
產生交流電壓的能量收集器種類包括電磁式(射頻)、電磁式(機械)、靜電式和壓電式,它們產生的交流電壓必須經過整流才能供WSN使用。整流是電源管理電路所需的第一個部分,(圖2)所示即為連接到壓電元件的全波橋整流電路。

圖2:連接到壓電元件的整流電路(圖源:貿澤電子)
相比單二極管而言,橋式整流器是更受歡迎的選擇,因為它能提供全波整流,將交變電壓變換為直流脈動電壓。對于真正的二極管,必須要考慮正向電壓,硅二極管的正向電壓為0.7V,鍺二極管為0.3V,肖特基二極管僅為0.1V。電容Cr(圖2)用作平滑電容。在此例中,整流電壓以電能的形式儲存在電容器中,并為負載RL供電。
DC/DC轉換器
電源管理電路的另一大主要功能是調節能量收集器產生的電壓。如果電壓太低,就必須升高電壓;反之,如果電壓太高,就必須降低電壓。要讓WSN正常工作,就需要將工作電壓穩定在1.8V和3.6V之間,并且要以盡可能高效的方式來進行,從而盡量降低能量損失。此外,電源管理電路還負責為WSN電池充電。為了簡化設計過程,有多種產品可用于處理由能量收集器供電的WSN的電源管理。
e-peas AEM10941是一款能量收集電源管理集成電路,可從最多7芯的太陽能面板中獲取直流電。該產品采用超低功率升壓轉換器,可以為鋰離子 (Li-ion) 電池、薄膜電池或超級電容充電。AEM10941具有超低功率冷啟動功能,可以在輸入電壓低至380mV、輸入功率僅3μW的情況下啟動工作。它有兩種電源電壓:
LVOUT(低壓),1.2V或1.8V,用于向微控制器供電。
HVOUT(高壓),可為無線電收發器供電,電壓可以在1.8V到4.1V之間進行配置。
兩種電源電壓選項的產品均采用高效的低壓差 (LDO) 穩壓器驅動,以確保低噪聲和高穩定性。(圖3)所示為AEM10941的典型應用。

圖3:AEM10941應用實例示意圖(圖源:e-peas)
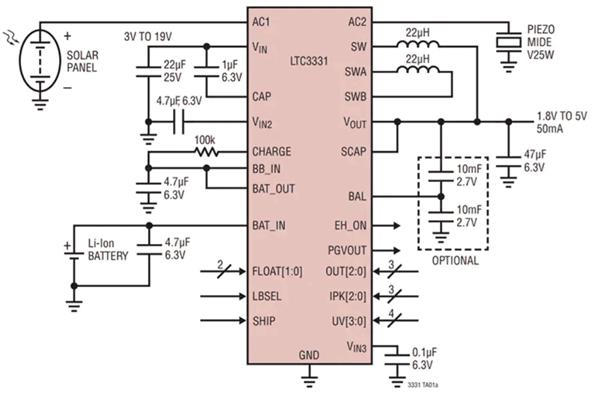
Analog Devices LTC3331是另一款多合一電源管理IC電路,可以連接到采用壓電、太陽能或磁力等能量來源的能量收集器。該產品集成了全波橋式整流器,并且結合了降壓開關穩壓器和降壓-升壓開關穩壓器。此外,該產品配備片上優先排序器,可根據收集的能量或電池的可用電量選擇合適的轉換器。LTC3331可以處理3V至19V之間的能量收集輸入電壓。該產品還包含低靜態電流并聯電池充電器,可利用收集的能量為鋰離子電池充電。(圖4)所示為LTC3331典型應用的電路示意圖。

圖4:LTC3331典型應用電路示意圖(圖源:Analog Devices)
存儲
可充電電池和超級電容是最常出現的兩種儲能產品。超級電容類似于傳統的電容器,但它們能夠以較小的尺寸實現非常高的容量,并且與可充電電池相比具有若干優勢,例如:
· 超級電容可以根據需要頻繁充放電,而電化學電池的典型壽命不足1000次。
· 超級電容可以通過簡單的充電電路快速充電,降低了系統的復雜性,而且無需借助保護電路來防止過度充電或過度放電。
· 漏電流和自放電對電池和超級電容都會構成影響。電池的優點是自放電問題比超級電容小得多,因為電池的比能較高,可以使電荷保持更長時間。
結論
現在,我面需要提出的問題是:能量收集值得嗎?這取決于你想要運行多長時間的應用。可以確定的是,能量收集確實可以延長電池續航,以支持WSN運行更長時間,但只有當收集的能量能夠滿足WSN的功耗時才可行。
免責聲明:本文為轉載文章,轉載此文目的在于傳遞更多信息,版權歸原作者所有。本文所用視頻、圖片、文字如涉及作品版權問題,請電話或者郵箱聯系小編進行侵刪。
推薦閱讀:
【技術大咖測試筆記系列】之八:低功率范圍內的MOSFET表征




