【導讀】長距離傳輸數據充滿著各種各樣的潛在問題。接地環路可能是一個干擾源,它能在傳輸兩端的接地之間產生噪聲電壓,此電壓如果足夠大,就可能導致接收端數據錯誤。本文闡釋接地環路如何形成,并且討論如何利用電流隔離來消除接地環路。
顧名思義,接地環路是系統接地方案中的一個物理環路,產生于電路之間的多個接地路徑。這些接地路徑可以充當一個大環路天線,從環境中拾取噪聲,從而在接地系統中產生電流。交流電源的50/60 Hz磁場是接地環路拾取的常見噪聲源。類似地,對于分布式接地系統,源于某個位置的地電壓噪聲也能引起地電流在接地環路中流動。由于地為低阻抗,因此噪聲電流往往相當大。數百毫伏的噪聲可能會引起數安培的電流流過接地環路。
圖1示例說明了一個通用數據傳輸路徑中如何發生接地環路干擾。器件#1驅動一個單端信號,器件#2接收該信號。信號線接地于任一器件。接地連接可以是屏蔽的同軸電纜等。這些器件的地之間存在另一個低阻抗路徑,它流過器件電源的安全地,這兩個接地連接構成一個大環路,從鄰近干擾源的磁場拾取噪聲電壓。這種干擾會損害器件#2接收到的信號,影響傳輸。

圖1: 一個通用數據傳輸路徑中如何發生接地環路干擾
設計人員應小心謹慎,通過單點接地來避免形成環路,但有些接口要求在收發器之間進行接地連接。必須中斷這種接地連接,同時維持從發送器到接收器的信息流。換言之,兩個器件之間需要進行電流隔離。
中斷接地環路的可能方法之一是使用光耦合器,如圖2所示。

圖2: 使用光耦合器中斷接地環路
器件#1驅動光耦合器的LED,LED激勵光電耦合器中的電流。通過電纜的接地連接被消除,防止噪聲電流在器件#1與器件#2之間流動,信息以光的形式傳輸。
隨著接口的性能和復雜度提高,這種方法會有局限性。光隔離接口可能變得復雜、昂貴,并且需要大量板空間。光耦合器的傳播延遲相當大,只適用于低速信號。使用多個光耦合器時,LED和上拉電阻的功耗可能變得相當高。可以使用數字隔離技術來中斷接地環路,接口性能則不受影響,而且應用電路簡單,所需器件相對較少。數字隔離式是非光學隔離器,利用CMOS接口IC通過容性或磁性耦合來傳輸信息。
利用一條USB電纜連接兩個交流電源供電的器件可能會造成一個接地環路,從而中斷總線通信。USB通信在一對雙向差分線上進行(圖3中的D+和D-信號)。主器件控制總線并與外設通信。數據分組的方向由USB協議確定,而不是通過控制信號確定。主器件為外設提供電源和接地連接。USB電纜的這個接地連接與主機和外設的安全地形成一個接地環路,它可能導致外設的地電位相對主機的地電位移動,使得通信不可靠(參見AN-375、AN-727)。

圖3: 利用USB電纜連接兩個交流電源供電的器件造成接地環路中斷總線通信
由于沒有控制信號來指示數據是傳輸到下游(外設)還是上游(主機),因此隔離USB端口以消除電纜接地連接是一件很困難的事情。在無法訪問控制總線的串行接口引擎(SIE)內部信號的情況下,確定數據方向的唯一辦法是通過總線處理。SIE的信號之所以不可用,是因為SIE常常被集成到處理器中。
有多種方法可以隔離USB。例如,可以利用一個外部SIE來避免隔離D+和D-的難題,該SIE由一個采用單向信號的串行接口(如SPI等)控制。SPI為單向接口,因而更容易隔離。
圖4說明了這種方法。光耦合器的傳播延遲會嚴重限制隔離SPI的速度,因此使用一個四通道數字隔離器。外部USB控制器從其緩沖器發送數據,緩沖器通過SPI接口加載。雖然外部SIE以外設最快的數據速率傳輸數據,但總線的有效數據速率受制于控制器使SIE緩沖器保持填滿的能力。這種情況下,數字隔離器的傳播延遲可能是一個瓶頸。由于使用外部SIE,這種方法會占用較大的板空間,而且可能需要修改外設驅動。

圖4: 利用外部SIE隔離D+和D-線路
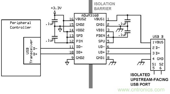
更簡單的方法是利用單芯片USB隔離器ADuM3160直接隔離D+和D-線路,如圖5所示。使用這款數字隔離器時,主機和外設的驅動均無需修改,其內部邏輯通過USB協議確定D+和D-的方向,并且相應地停用驅動。2.5kV隔離柵斷開通過USB電纜的接地連接,如若不然,就會形成一個接地環路。

圖5: 利用單芯片USB隔離器ADuM3160直接隔離D+和D-線路
我們設計了一個接地環路的簡單硬件仿真模型,以此說明有線通信中接地環路的危害,以及通過電流隔離來中斷接地環路的有效性。測試設置產生的接地環路連接到USB電纜以及USB集線器和外設的電源,通過一臺筆記本電腦進行控制。此設置將交流電源線的60 Hz信號通過一個互感器耦合到接地線路,這與電源線的磁場在接地環路中產生噪聲的原理相似,因為它依賴的是同一噪聲源。可變串聯電阻使得流經接地環路的電流是可調的。測量從集線器地到外設地的電壓,并且提高流經接地環路的電流,直到它中斷與集線器的通信。測試中使用了兩個不同的外設,當外設地由于仿真接地環路電流提高而比集線器地高出1Vrms以上時,兩個外設一致地失去與集線器和筆記本電腦的通信。利用ADuM3160 USB隔離器隔離集線器端口中斷了通過USB電纜的接地連接,防止互感器耦合的電流流動,從而有效地恢復了PC與任一外設的通信,這說明可以利用數字隔離來防止形成接地環路。
總之,在有線通信中,接地環路可能會帶來問題。器件之間的多個接地連接會形成一個環路,接地環路可能拾取鄰近交流磁場的干擾噪聲。此外,如果存在地電位差(長距離通信可能會有這種現象),則它也會貢獻接地環路噪聲電流。以上任一種現象都可能造成數據錯誤。USB接口是可能遭受接地環路干擾影響的接口之一,而且不容易通過分立數字隔離器進行隔離。接地環路的硬件仿真提供了一個實際的例子,說明了接地環路如何影響USB接口,以及USB隔離器ADuM3160如何解決這種問題。接地環路對USB之外的其他接口也可能造成問題。
推薦閱讀:





