【導讀】當前市場在不斷動態變化,促使設計周期越來越短,系統功能越來越強,而且終端系統更具便攜性。這就要求必須采用新方法來簡化這些挑戰,同時又不增加設計復雜度。 本文將討論控制和測量方面的一些關鍵系統挑戰;許多不同應用都涉及到控制和測量,包括數據采集系統、工業自動化、可編程邏輯控制器和電機控制。
本文將探討雙極性數模轉換器(DAC)架構的最新進展,以及這些拓撲結構如何應對終端系統挑戰,例如:通過[比如]在相同或更少的空間中提供更多功能和智能。 本文還會探討分立式和功能更完整的解決方案。 最后,本文會說明多種替代傳統設計拓撲的方案,這些方案在設計重用和系統模塊化方面具有更高的靈活性。
應當注意的是,下面的圖形并非實際原理圖,而是關于如何利用多功能DAC和其他器件來實現應用的示意圖。 雖然并未包括電源電路、旁路和其他無源元件等方面,但這些圖形顯示了應用[此類應用]的一般實現方法。
數據采集系統
數據采集系統(DAQ)用于測量電壓、電流或壓力等電氣或物理特性,并利用微控制器或微處理器(MPU)來處理數據。 DAQ由傳感器、放大器、數據轉換器和控制器組成,其中控制器利用嵌入式軟件控制采集過程。
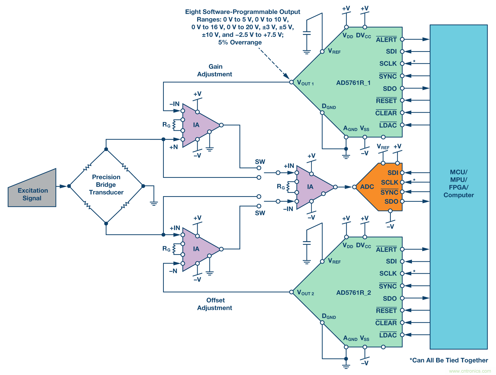
在過程控制應用中,傳感器必須足夠敏感以便保障待測信號的質量,這點非常重要。 但是,即便傳感器足夠敏感,增益和失調等信號鏈誤差也可能會干擾信號質量。 在高性能應用中,數據采集系統利用DAC自動校準調理電路。 圖1是一個壓力檢測系統的框圖。 它顯示了AD5761R 等雙極性DAC及該系列產品如何用于自動增益和失調校準方案。
精密電橋傳感器收到來自壓力傳感器的激勵信號,產生輸出電壓。 由于電橋傳感器的信號幅度較低,通常會使用儀表放大器來放大信號。 這種低幅度信號容易受誤差影響。 此類誤差通常包括溫度變化引起的漂移誤差、電路板上的寄生誤差以及無源器件的容差。
利用AD5761R,系統可實現增益和失調校準,從而在系統工作期間動態校正誤差。 根據調整水平和所需的極性,完整、高分辨率、多功能、雙極性DAC可大大簡化校準過程。 AD5761R可通過高速4線SPI接口進行編程,該接口的串行數據輸出(SDO)線可為菊花鏈和回讀操作提供便利。

圖1. 壓力檢測系統的自動校準
工業自動化
工業自動化應用多種多樣。 但無論什么應用,此類自動化系統的功能和性能都取決于其信號采集和控制單元。 在采集方面,傳感器的靈敏度、調理電路的適應性以及從低電平信號采集正確信息的速度是非常重要的。 在控制方面,能夠靈活適應不同執行器和驅動器的要求至關重要。
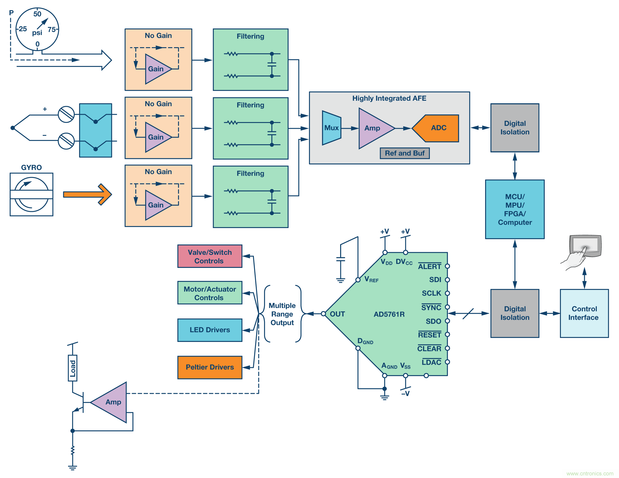
圖2是一個工業自動化系統的示例。 一個帶冷結補償的熱電偶用來測量激光加工機床或重型電機等工業設備的溫度。 電壓經過放大和濾波后送至集成模擬前端(AFE) IC進行轉換,數字數據送入處理器進行分析。 基于處理過的數據,處理器將信號送至一個同樣完全隔離的控制DAC,以驅動工業風機、激活Peltier之類的冷卻裝置或開啟水冷系統的閥門。 此外,用戶可通過控制接口設備輸入超控命令。
經過改造后,該系統也可用于壓力和振動的測量與控制。 油品和化學品儲罐監控通常使用壓力傳感器系統,快速運動機器頭部的振動監控通常使用陀螺儀系統。 這些應用可采用相同的AFE,它與外部環境完全隔離。
AD5761R是一款高電壓、高分辨率、雙極性DAC,內置低漂移基準電壓源并提供軟件可選的輸出范圍,可以很好地取代多個DAC或單個復用DAC。 它提供單極性和雙極性電壓并保持相同的精度,還有超范圍輸出選項。 該雙極性DAC支持執行器的不同需求,包括通過軟件調整控制單元,以免修改硬件。
AD5761R及該系列產品提供兩種小型封裝——3 mm × 3 mm引腳框架芯片級封裝(LFCSP)和16引腳超薄緊縮封裝(TSSOP),并且支持–55°C至+125°C的寬工作溫度范圍。 這種新型工業控制方法對縮小電路板空間和降低成本非常有幫助。

圖2. 工業自動化系統簡圖
可編程邏輯控制器
可編程邏輯控制器(PLC)集成電源、中央處理單元和多個模擬/數字I/O模塊,以便控制、激活、監測復雜的機器變量。 PLC廣泛用于各行各業,它們提供擴展的溫度范圍,不受電氣噪聲影響,并且能夠耐受振動和沖擊。 圖3顯示了一個過程控制系統的基本構建模塊。 報告過程變量狀態的輸入信號通過輸入模塊來監控,并傳輸到MCU進行分析。 基于分析結果,輸出模塊作出必要的響應來控制系統中的設備。

圖3. 過程控制系統構建模塊

圖4. 完整PLC系統框圖
輸入和輸出模塊的精度和分辨率要求大不相同。 在高端應用中,輸入模塊需要監控高度精確的過程數據采集,而輸出模塊本質上是以16位分辨率和精度調整輸出。 因此,PLC系統的輸入模塊常常使用Σ -Δ型ADC,市場上有各種各樣的隔離式、單通道/多通道、同步采樣ADC可供使用。
輸出模塊可提供精密電壓DAC、精密電流DAC或二者的結合。 針對PLC模擬輸出,可利用多種方法來產生電流和電壓電平。 AD5761R等精密雙極性DAC的發展,提供了額外的功能和高集成度,對PLC系統相當有利,可降低系統復雜度、縮小電路板尺寸并減少成本。
電機控制
在電機控制環路中,例如在輸液泵系統中,DAC是必不可少的。 輸液泵廣泛用于醫療服務中,可為所有年齡層次的病人提供治療。 輸液泵的作用是斷續或連續地向病人的心血管系統輸送液體、藥物或補充劑。
雖然輸液泵要求具備資格的用戶來設置治療的特定參數,但相比于手動管理,其暗含的優勢無疑會提高用戶的信心。 在自行操作模式下,此類儀器能夠以設定的間隔精確輸送小劑量液體,無需護士或醫生手動控制液流以輸送給病人。 輸液泵系統能夠實時顯示關于劑量限制的系統信息,醫生和醫療管理員可以借助輸液泵系統的安全性實現滴定安全性,防止輸液過量,并確保物理輸送機制本身的可靠性和準確性。

圖5. 大容量輸液泵系統
工作過程中,微控制器接收來自直流電機的速度和方向信號,并進行分析和調整(如需要)以達到設定值。 正饋路徑中的DAC提供對系統的調整,反饋路徑中的ADC監控每次調整的效果。 DAC設定的電壓通過驅動器網絡放大,以向直流電機提供所需的驅動電流。
ADI公司提供高性能模擬和混合信號處理解決方案,用于檢測、測量、控制化學分析儀、流式細胞分析儀、輸液泵、透析設備、呼吸器、導管及其他醫療儀器中的傳感器和執行器。 具體而言,AD5761R這款提供8個軟件可選輸出范圍且保持同一精度的高分辨率、雙極性DAC,便非常適合電機控制應用,其支持電機所需的不同電壓擺幅。
結論
對于許多控制系統和簡單的轉換電路,以及其他復雜應用,DAC在決定其性能和精度方面起著重要作用。 AD5761R及該產品系列是完整的16位分辨率、精密雙極性DAC,提供多種可編程輸出范圍,適合上述應用。 AD5761R系列DAC高度可配置的范圍(0 V至5 V、0 V至10 V、0 V至16 V、0 V至20 V、±3 V、±5 V、±10 V和−2.5 V至+7.5 V;5%超范圍),使得該系列DAC具有普遍適用性,支持數據采集系統、工業自動化、可編程邏輯控制器和電機控制器等所有解決方案。 AD5761R產品系列的高集成度,包括輸出緩沖器和2 ppm/°C內部緩沖基準電壓源,可大大簡化電路板設計,縮小電路板尺寸,并使功耗和成本最低。
推薦閱讀:


