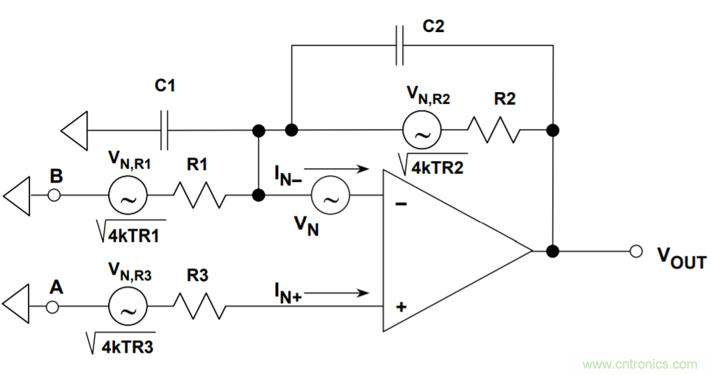
【導讀】“指南MT-049”中分析了單極點系統的總輸出噪聲。下面圖1所示的電路表示一個二階系統,其中電容C1表示源電容、反相輸入的雜散電容、運算放大器的輸入電容或這些電容的任意組合。C1會導致噪聲增益出現斷點,C2則是為取得穩定性而必須添加的電容。

圖1:帶電抗元件的運算放大器噪聲模型(二階系統)
由于存在C1和C2,噪聲增益是頻率的函數,并在較高頻率下有峰化現象(假定選擇C2,使該二階系統處于臨界阻尼狀況)。只要使R1×C1 = R2×C2,就可以實現平坦的噪聲增益。
不過,對于電流電壓轉換器,R1通常為高阻抗,因此該方法不起作用。在這些情況下,要使信號帶寬最大有點復雜,詳見“指南MT-059”。
向輸入端A施加直流信號(B接地)時,增益(即低頻噪聲增益)為1 + R2/R1。在較高頻率下,從輸入端A到輸出端的增益變為1 + C1/C2(高頻噪聲增益)。
請注意,閉環帶寬fcl是噪聲增益與開環增益相交點的頻率。向B施加直流信號(A接地)時,增益為–R2/R1,其中高頻截止點由R2-C2決定。從B到輸出端的帶寬為1/2πR2C2。
同相輸入端的電流噪聲IN+流過R3會引起IN+R3的噪聲電壓,與運算放大器噪聲電壓VN和R3的約翰遜噪聲√(4kTR3)一樣,該噪聲電壓會被與頻率相關的噪聲增益放大。R1的約翰遜噪聲會在1/2πR2C2帶寬范圍內放大–R2/R1,R2的約翰遜噪聲則根本不會放大,而是在1/2 πR2C2帶寬范圍內直接連接到輸出。反相輸入端的電流噪聲IN–僅會流過R2,進而在1/2πR2C2帶寬范圍內導致放大器輸出端出現大小為IN–R2的電壓。
如果我們考慮這六種噪聲貢獻,則會發現如果R1、R2和R3很小,那么電流噪聲和約翰遜噪聲的影響將降至最低,主要噪聲將是運算放大器的電壓噪聲。隨著我們增加電阻,約翰遜噪聲和噪聲電流產生的電壓噪聲將升高。
如果噪聲電流很小,那么約翰遜噪聲將取代電壓噪聲而成為主要的噪聲貢獻。不過,約翰遜噪聲隨著電阻平方根增加而升高,電流噪聲電壓則隨著電阻增加而呈線性升高,因此最終隨著電阻繼續增加,噪聲電流引起的電壓將成為主要因素。
無論輸入端是連接到節點A還是節點B(另一個則接地或連接到其它低阻抗電壓源),上文分析到的這些噪聲貢獻都不受影響,這也是為何出現在運算放大器電壓噪聲VN上的同相增益(1 + Z2/Z1)會被稱為“噪聲增益”的原因所在。
要計算二階運算放大器系統的總輸出rms噪聲,需要將這六個噪聲電壓分別乘以相應的增益,然后在相應的頻率上進行積分,如圖2所示(下圖)。

圖2:二階系統折合到輸出端的噪聲源
然后,所有輸出貢獻因素的和方根即代表總rms輸出噪聲。幸運的是,多數情況下,適當假設并識別主要噪聲貢獻因素,可以極大簡化這個復雜繁瑣的過程。
典型二階系統的噪聲增益如下面的圖3所示。雖然兩步內即可很容易地完成電壓噪聲積分,但請注意,由于存在峰化現象,因此輸入電壓噪聲引起的輸出噪聲主要由噪聲增益為1 + C1/C2的高頻部分決定。這是二階系統的典型響應類型。反相輸入電流噪聲、R1和R2引起的噪聲僅在1/2πR2C2帶寬上積分。

圖3:典型二階系統的噪聲增益
參考文獻
1. Hank Zumbahlen, Basic Linear Design, Analog Devices, 2006, ISBN: 0-915550-28-1. Also available as Linear Circuit Design Handbook, Elsevier-Newnes, 2008, ISBN-10: 0750687037, ISBN-13: 978-0750687034. Chapter 1.
2. Walter G. Jung, Op Amp Applications, Analog Devices, 2002, ISBN 0-916550-26-5, Also available as Op Amp Applications Handbook, Elsevier/Newnes, 2005, ISBN 0-7506-7844-5. Chapter 1.
推薦閱讀:



