【導讀】近年來,永磁同步電動機(PMSM)在電動車輛、電動飛機、機器人以及家用電器等工業制造中已經得到了越來越廣泛的應用。而在永磁同步電機(PMSM)中,最常使用到的一項技術就是矢量控制,因為它可以實現更好的動態響應,充分發揮機器的潛力。
但若想實現矢量控制,就必須要確定轉子的速度和位置。最常用的電機速度和位置測量傳感器有光傳感器和霍爾傳感器。但這兩種傳感器都非常昂貴,會無形增加驅動系統的成本。
這里跟大家分享一種比較有前景的PMSM驅動解決方案,它將低成本的磁性角度傳感器與動態觀測器結合在一起,同樣也能測量出精確的轉子速度。本文為您展示的MPS電機控制模塊就屬于此類解決方案,模塊包含了一個電機控制ASIC、一個磁性角度傳感器、3相MOSFET功率級和PCB預驅動器,適用于NEMA 23和NEMA 17 兩種型號的電機產品。
電機控制ASIC為電機驅動應用提供了極好的計算能力。該模塊配合MA702(一款12位分辨率磁性角度傳感器),可以檢測出PMSM電機的絕對位置。MA702的成本要遠低于光傳感器和霍爾傳感器。由于能夠了解整個過程中轉子的位置,所以可以通過建立基于PMSM機械方程的動態狀態觀測器來檢測電機速度。ASIC可以使用動態觀測器過濾掉位置測量所產的白噪音并估計出轉子速度,從而在PMSM中使用磁場定向控制。
PMSM磁場定向控制
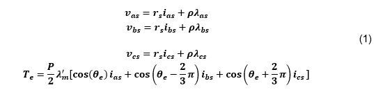
三相PMSM機械公式可以用方程組(1)表示:

其中v、i和λ分別表示電壓、電流和磁鏈。下標a、b和c表示相位a、b和c的變量。下標s為定子變量,ρ為特定值導數,P為PMSM的極數。
電磁轉矩T_e由三相電流和轉子磁鏈生成。λ_m^’為PMSM定子側檢測到的轉子磁鏈。角度θ_e為轉子磁鏈和A相定子之間的電磁角度。
為實現PMSM的FOC功能,需使用q-d下方的動態模型來解耦氣隙磁鏈和電磁轉矩。根據Clarke-Park變換計算公式,同步旋轉q-d軸方程組(1)中的PMSM模型使用方程組(2)計算:

其中下標q-d為q-d軸變量。L_為自感系數,L_m為機械互感系數。為更加簡化控制,轉子磁鏈應與d-軸對齊,此時q-軸磁鏈則為零。磁鏈使用方程組(3)計算:

電磁轉矩使用公式(4)計算:
根據方程組(1)、(2)、(3)和(4)的變換步驟,磁鏈可以直接由d軸電流控制。由于i_ds為常量,所以可以直接通過控制q軸電流來控制轉矩T_e。如果保持i_ds=0,則電磁轉矩直接與i_qs成正比。
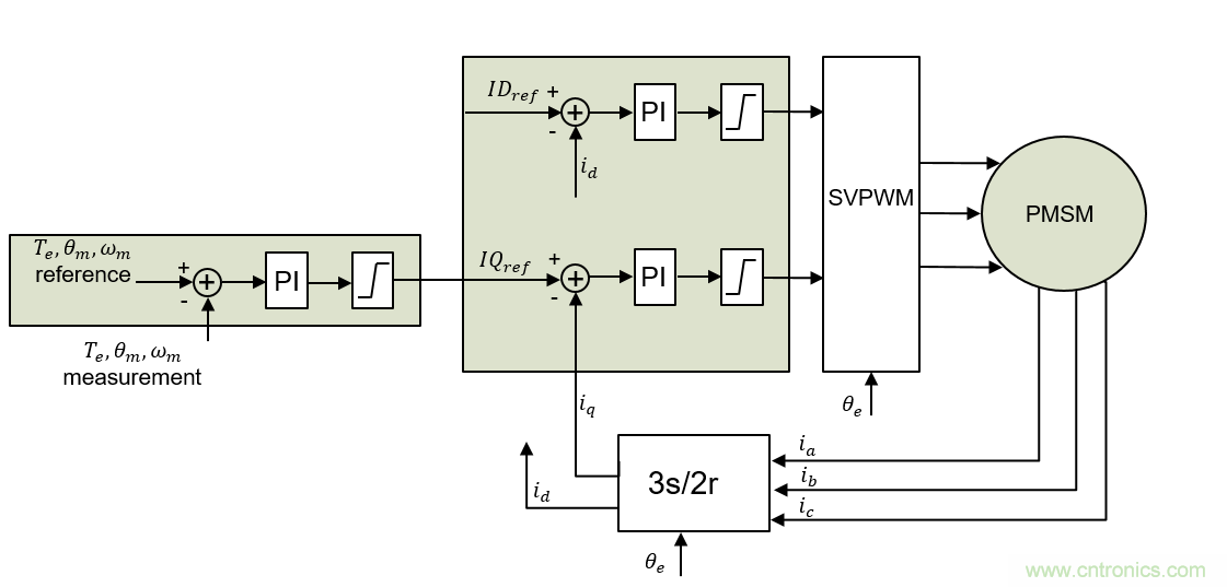
由上述推導可以得到圖1中的PMSM FOC原理圖。

圖 1:PMSM FOC 原理圖
首先,對比外回路參考值與測量的反饋值,然后反饋輸入差值至控制器(通常使用PI控制器),從而生成指令轉矩電流IQ_ref。根據磁鏈要求設置d軸電流參考值ID_ref。電流調節器/控制器 VD_ref、VQ_ref、VD_ref和VQ_ref的輸出值是空間矢量PWM(SVPWM)的輸入值。SVPWM塊為變換器生成柵極信號用來驅動PMSM。
基于無速度傳感器驅動的動態觀測器
MA702可以檢測永磁體θ_e的位置。轉子的速度可以通過公式ω_e=ρθ_e計算得出。作為一個數字傳感器,MA702一定會在測量位置產生噪聲。如果直接使用位置差分器獲取電機的速度,則會破壞控制操作。解決這個問題最常見的方法是添加一個數字濾波器/觀測器。
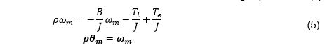
可以使用方程組(5)基于機械PMSM模型構建系統觀測器:

其中,T_e為電磁轉矩,T_l為負載轉矩。ω_m和θ_m為機械轉子速度和位置,而ω_e和θ_e則為電動轉子速度和位置。機械速度和位置乘以P/2等于電氣速度和位置。P為PMSM的極數。參數J和B分別表示PMSM的慣性和以及轉子與負載的組合粘性摩擦力。
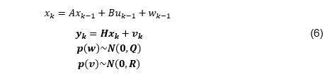
MA702將絕對轉子位置反饋到電機控制ASIC,使機械模型系統矩陣A成為一個簡單的3x3矩陣,僅需兩個非零元素。更簡單的系統矩陣有助于減少MCU的計算負擔,使算法更容易實現,執行速度更快。
使用歐拉(Euler)方法將方程組(5)中的PMSM力學模型離散化。狀態變量x,∈和R ^ n作為系統過程的狀態,離散時間可以用方程組(6)表示:

其中u是輸入變量,y是輸出測量值。w和v分別表示具有Q和R噪聲方差的過程噪聲和測量噪聲。
根據經典控制理論,具有估計增益 K 的狀態觀測器可以用等式(7)計算:

(∧) 表示了估計變量。與使用恒定增益 K 經典狀態觀測器不同,動態觀測器在每次迭代時遞歸地更新其觀測器增益 K 。
與FOC原理圖(參見圖1)相比,基于動態速度觀測器的驅動器原理圖使用機器測量作為系統輸入來執行觀測器(參見圖2)。動態觀測器輸出濾波/估計的轉子速度。轉子位置用于傳導PMSM的FOC。

圖 2:基于 PMSM FOC的動態觀測器
仿真結果
使用Matlab/Simulink得出仿真結果。用于驗證算法的電機是MPS eMotion SystemTM智能電機MMP757094-36。MMP757094-36 是一款適用于伺服電機應用的全集成智能電機解決方案系列產品。表1列出了電機參數。
表 1: 電機參數

首先,將恒速參考值(500rpm)反饋至系統,以說明動態觀測器在瞬態期間是如何工作的。
圖3顯示了估計速度如何跟蹤實際電機速度。估計速度和實際速度在大約0.05s后都達到了穩定狀態。圖4示出了在速度響應穩定之后,誤差方差矩陣行列式的絕對值下降到零。動態觀測器增益隨速度的響應而變化。在瞬態周期之后,觀測器的增益K 變為恒定增益。

圖 3:速度響應

圖4:誤差方差和觀測器增益動力學
實時硬件實驗結果
為了驗證算法,還測量了實時硬件實驗結果。電機控制模塊專為NEMA 23 57mm電機設計,可直接安裝在電機上。

圖5:MPS電機控制模塊(左)和MPS智能電機(右)
如上一節所述,將MA702角度傳感器采樣的角度反饋到電機控制ASIC的絕對轉子位置,使得動態觀測器的遞歸迭代實現更加容易,并且減少了計算負擔。由于測量只是一個變量,而不是經過復雜的矩陣變換,觀測器增益計算變得更簡單。每次迭代,整個動態觀測器計算的時間不到20μs。

圖6:實時的步進速度響應
圖6顯示了從1000rpm到-500rpm的各種速度參考值通過步進變化輸入到仿真系統。動態觀測器估計的速度仍然可以跟蹤面對不同速度參考步驟的電動機速度。該算法還可以提供靜止參考。
結論
本文為PMSM FOC提供了一種很有前景的解決方案,它將低成本的磁性角度傳感器和動態觀測器結合起來,以估算出準確的轉子速度。該算法使用在MPS的電機控制ASIC中。MA702提供高分辨率的板上角度傳感器,因此該算法避免了高維矩陣逆計算,這大大簡化了代碼開發和計算的時間。仿真和實時驗證結果均表明所提出的解決方案具有良好的動態性能,并且能夠在給定不同速度參考的情況下控制PMSM。
推薦閱讀:


