【導讀】X9C102,X9C103,X9C104是美國Xicor公司的高精度數字電位器,電位器的阻值和型號的后綴數字相同,分別是1k(102), 10k(103),100k(104)等。

X9C104最小應用板外形
這類器件具有數字設置以及掉電保存設置的功能,可以替代一般的電位器對模擬電路的一些參數進行修改,使得電路能夠的一些參數能夠比較容易進行修改。

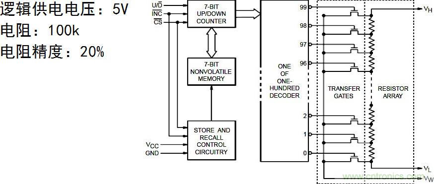
X9C104的內部邏輯結構
如果使用X9CXXX系列的電位器處理直流或者低頻交流信號,它的精度和線性特性還是非常好的。
下圖顯示了對于X9C104的一百個中間抽頭位置所對應的電阻測量值繪制的曲線,看可以看出電位器的精度還是非常高的。

對于X9C104中間抽頭對電阻測量值
使用X9C104對于直流電壓或者低頻交流信號進行分壓,分壓輸出與X9C104的中間抽頭的位置之間也具有非常好的線性性質。
下圖顯示了對于10Hz低頻交流信號進行分壓輸出的效果,即輸出信號隨著電位器中間抽頭位置變化而基本上線性增加。

對于10Hz低頻信號的分壓輸出與抽頭位置之間的關系
但是,如果信號的頻率繼續增加,數字電位器的分壓比就與電位器中間抽頭的位置的關系就逐漸不是線性關系了。
下圖顯示了頻率為20Hz的時候,輸出信號的幅值與電位器中間抽頭位置之間的關系:

對于20Hz低頻信號的分壓輸出與抽頭位置之間的關系
輸出電壓與中間抽頭位置之間就不再是線性變化,反映了數字電位器的分壓比與中間抽頭位置關系也發生了變化。
上面特性顯示了數字電位器與實際機械電位器之間的區別。
如果繼續增加信號的頻率,這種非線性就會變得越來也明顯。下面分表顯示了頻率為50,100, 200,1000,2000,5000,10000等不同頻率下,實際測量的數據結果。

對于50.18Hz信號的分壓輸出與抽頭位置之間的關系

對于100.2Hz信號的分壓輸出與抽頭位置之間的關系

對于200.8Hz信號的分壓輸出與抽頭位置之間的關系

對于505.3Hz信號的分壓輸出與抽頭位置之間的關系

對于1000.4Hz信號的分壓輸出與抽頭位置之間的關系

對于2000.2Hz信號的分壓輸出與抽頭位置之間的關系

對于5004.7Hz信號的分壓輸出與抽頭位置之間的關系

對于10047Hz信號的分壓輸出與抽頭位置之間的關系
從上面測量不同頻率下數字電位器分壓效果來看,頻率越高,輸出分壓比與電位器活動端位置之間就越發呈現非線性。
仔細觀察輸入輸出之間的波形也會看到它們之間存在著相位差。這說明,數字電位器中除了電阻之外,還存在著比較多的寄生電容,它們影響了X9C104器件在高頻下的性能。

下面是將上面不同頻率下的分壓比與電位器活動端位置之間的關系繪制在同一張圖表中。

不同頻率下數字電位器的分壓比與電位器活動端位置之間的關系
為了分析這些寄生電容對于X9C104的影響,下面假設器件的活動端對地和電源之間分別具有寄生電容C1,C2,具體結構如下圖所示:

數字電位器中的寄生電容簡化結構
為了分析方便,這里假設寄生電容C1,C2是固定值,與活動端的位置沒有關系。
在此情況下,可以得出對不同頻率下,輸入輸出之間的關系表達式:

數字電位器等效電路輸入輸出之間的表達式
上面公式中r表示電位器的分壓比,因此r*R代表中間抽頭到地之間的電阻值。符號//表示并聯關系,從而簡化了表達式的書寫。
上面的電容參數可以使用手持RLC表進行測量。如下是測到的一組測量近似關系:

使用上述參數,假設所使用的輸入電壓UI=2.2V,可以計算出輸出電壓在頻率分別是10,20,50,100,200,500,1000,2000,5000,10000Hz下的電壓曲線,對比前面測量的結果,可以看出它們之間是非常接近的。這說明上面假設的寄生電容電路具有很大的合理性。

使用前面假設的寄生電容參數,繪制的輸出電壓與分壓比r之間的曲線
如果數字電位器應用在交流信號電路中,則需要考慮到寄生電容對于電路的影響。
為了降低寄生電容的影響,除了考慮電路的拓撲結構,電路的工作頻率之外,也可以使用X9C102這類總阻值小的電位器,這可以降低寄生電容對于電路阻抗的影響。
作者:卓晴,來源:TsinghuaJoking
推薦閱讀:



