【導讀】在CAN、RS-485等總線應用中,一般建議使用屏蔽雙絞線進行組網、布線,從而減少外界干擾對總線通信的影響。對此很多工程師知其然,卻不知其所以然。秉承著尋根究底的態度,本文將簡單地介紹一下雙絞線抗干擾的原理。
1差分信號傳輸
CAN、RS-485接口采用的是差分信號傳輸方式。差分信號傳輸是一種使用兩個互補電信號進行信息傳遞的方法。以高速CAN為例,不同的邏輯狀態通過CANH、CANL兩根信號線進行傳輸,接收電路只對兩根信號線的信號差值進行識別。理想狀態下,CAN總線的波形如圖1所示。

圖1
干擾信號一般以共模的形式存在,當總線受到干擾時,兩根總線會同時受影響,但其差分電壓并不會受影響,如圖2所示。相對于單端信號傳輸方式來說,差分信號傳輸方式具有更好的抗干擾能力。

圖2
當然,采用了差分傳輸方式也并不可以高枕無憂。CAN、RS-485總線經常用于遠距離通信,線纜長度的增加,各種干擾通過線纜耦合到總線上,極大地增加了外界對總線通信干擾的概率,如果線纜選用及使用不當,極有可能造成通信異常。對于CAN、RS-485等總線應用,一般我們會推薦使用雙絞線。
2噪聲的耦合機理
要了解雙絞線的優點,需要先理解干擾是如何影響到有用信號的。干擾(噪聲)一般通過耦合的方式對系統進行影響,常見的耦合機制有4種,分別是傳導耦合、電容耦合、電感(感應)耦合以及輻射耦合。
干擾源與受干擾電路具有電氣連接,如共地,干擾源的電流流動使公共部分形成電流并產生干擾電壓,從而對受干擾電路的信號造成影響,這種方式為傳導耦合。圖3為傳導耦合示意圖,Es是信號源,Zs是信號源內阻,Zc是公共部分阻抗,Zl是負載阻抗,En為干擾源,Vl為負載電壓。干擾源En產生的電流流過Zc,在Zc上產生壓降,導致Vl電壓變化,由此影響負載側的信號。

圖3
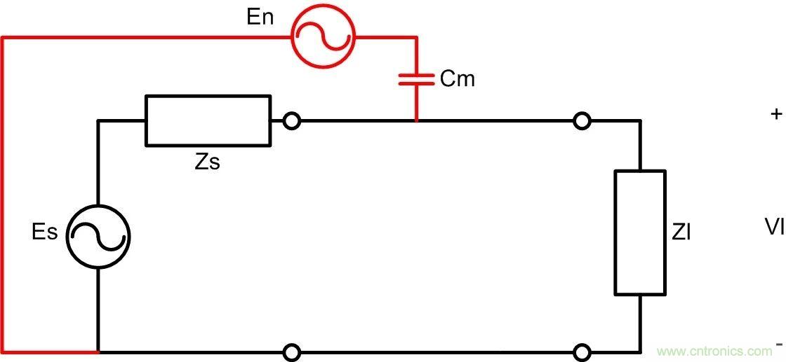
電容耦合出現在兩個鄰近導體存在變化的電場時,干擾電流通過導體間的耦合電容流入受干擾電路。由于耦合電容一般很小,其阻抗很大,故干擾源對于受干擾電路可看作一個恒定電流源,信號電路的阻抗較大時,影響特別明顯。圖4為電容耦合示意圖,Es是信號源,Zs是信號源內阻,Cm是耦合電容,Zl是負載阻抗,En為干擾源,Vl為負載電壓。干擾電流通過Cm流入Zl,對Vl造成影響。

圖4
電感(感應)耦合出現在兩個平行導體之間存在變化的磁場時。干擾源電流流過導體產生磁通,磁通在受干擾電路導體中形成感應電動勢,從而影響受干擾信號。在這種情況下,噪聲可以看作一個恒定電壓源,因此在低阻抗電路中噪聲影響變大。圖5是感應耦合的示意圖,Es是信號源,Zs是信號源內阻,Lm是互感,Zl是負載阻抗,En為干擾源,Vl為負載電壓。干擾源En電流流過互感Lm,在受干擾電路形成電壓,對Vl造成影響。

圖5
輻射耦合出現在干擾源與受干擾器件距離較遠的情況,干擾源及受干擾器件均作為無線天線,干擾源發送出干擾電磁波,而被受干擾器件接收。
3雙絞線的優點
雙絞線由兩根相互絕緣的導線相互纏繞而成,特別適合差分信號傳輸場合,與平行線相比,可以更有效地抑制干擾。
1、消除電容耦合
相對于平行對線,雙絞線每根單線對干擾源或地的耦合電容值更加接近,阻抗更加平衡,如圖6所示。

圖6
由于雙絞線緊密纏繞在一起,兩根線與噪聲源之間的耦合電容、與大地之間的阻抗基本一致。噪聲源流入到兩根信號線的干擾電流基本相同,兩根信號線的差值不變,耦合電容的電流轉化為共模干擾。如圖7,耦合電容C1=C2,Z1=Z2,干擾源流入C1,C2的電流相等,即1、2兩個根線產生的電壓相等,Vn=0。由于差分信號傳輸方式具有良好的共模抑制能力,因此可以消除電容耦合的影響。

圖7
2、消除電感(感應)耦合
若使用平行線,兩根信號線會形成一個很窄的環路,這個環路會拾取環境中的磁場干擾。雙絞線的結構是以固定的間距扭轉傳輸線的兩個導體,使得由磁場引起的電動勢方向在每個相鄰的“小環路”處反轉,因此可以順序地抵消。從電路上看,每個相鄰“小環路”處的互感對噪聲源來說是一正一負的,導線整體互感變為零。如圖8所示,平行線受到外界磁場干擾時,兩根導線的感應電流無法抵消,會產生較大的感應電壓,影響信號傳輸。而雙絞線的結構使導線的感應電流相互抵消,不會產生感應電壓。

圖8
3、減少對外干擾
用于差分信號傳輸時,雙絞線兩根線的電流大小相等,方向相反。如圖9,理想狀態下,雙絞線兩線組成的每兩個相鄰的“小環路”所形成的磁場方向相反,大小相等,可以相互抵消,故雙絞線對外的電磁干擾比平行線纜要小。

圖9
4總結
在差分傳輸應用中,雙絞線不僅可以降低自身對外界的干擾,同時可以消除與外界干擾源的電容耦合和感應耦合,具有一石二鳥的作用,因此雙絞線在諸如CAN、RS-485等差分信號傳輸的應用中得到了廣泛使用。
上文均是基于理想的雙絞線進行分析,但實際的雙絞線由于制作時絞合程度、絞合的偏差、線纜本身的寄生參數差異等,并不理想,所以在實際應用中,雙絞線對噪聲抑制能力會減弱。
由于雙絞線的結構并不能消除傳導耦合以及輻射耦合的干擾,在一些干擾嚴重的場合,仍需要配合隔離技術和屏蔽技術以提高系統的抗干擾性能。隔離技術可以有效抑制傳導耦合形成的共模干擾,而屏蔽技術可以有效抑制輻射干擾。
在干擾嚴重的場合,選用隔離收發器,并配合屏蔽雙絞線使用,會為CAN、RS-485應用提供良好的抗干擾性能,保障通信的可靠性。
推薦閱讀:




